40 toro timecutter ss5000 belt diagram
Toro Timecutter Ss5000 Belt Diagram - schematron.org Toro , TimeCutter SS Riding Mower, (SN Riding Mower, (SN ) BELT AND IDLER ASSEMBLY Parts Diagram . Displaying BELT AND PULLEY ASSEMBLY parts for the Toro - Toro TimeCutter SS Zero-Turn Mower (SN: - ) (). The Toro SS riding mower is designed to cut grass on well-maintained lawns in a residential setting. Toro Ss5000 Drive Belt Diagram Oct 14, 2018 · Toro Ss5000 Drive Belt Diagram. Displaying BELT AND PULLEY ASSEMBLY parts for the Toro - Toro TimeCutter SS Zero-Turn Mower (SN: - ) (). Toro TimeCutter SW Manual Online: Hydrostatic Drive Belt Installation, Transaxle Replacement, Transaxle Removal. 1. Properly Route The and Belt Routing" on page 5. Lawn Mower Toro TimeCutter SS Operator's Manual.
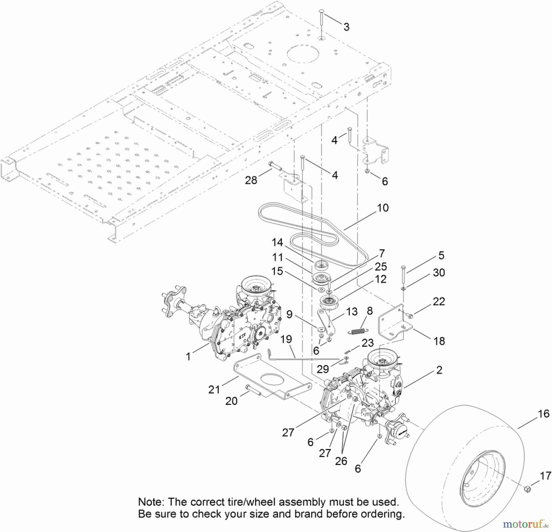
Toro 74637 (SS 5000) - Toro 50" TimeCutter Zero-Turn Mower ... Toro repair parts and parts diagrams for Toro 74637 (SS 5000) - Toro 50" TimeCutter Zero-Turn Mower (SN: 314000001 - 314999999) (2014)

Toro timecutter ss5000 belt diagram
Toro Ss5000 Drive Belt Diagram - schematron.org Feb 26, 2019 · Toro Ss5000 Drive Belt Diagram. 26.02.2019. 26.02.2019. 7 Comments. on Toro Ss5000 Drive Belt Diagram. Hopefully this is the right one for you. I need a drive belt diagram for a toro ss - 2d9d Toro TimeCutter SW Manual Online: Hydrostatic Drive Belt Installation, Transaxle Replacement, Transaxle Removal. 1. Toro Timecutter Ss5000 Belt Diagram - Wiring Diagrams Toro , TimeCutter SS Riding Mower, (SN ) Found on Diagram: 50 INCH DECK, BELT AND BLADE ASSEMBLY. The Toro SS riding mower is designed to cut grass on well-maintained lawns in a residential setting. Over time, the drive belt that controls the blades may.wiringall.com: toro ss parts. From The Community. Toro 74731 (SS 5000) - Toro 50" TimeCutter Zero-Turn Mower ... Toro repair parts and parts diagrams for Toro 74731 (SS 5000) - Toro 50" TimeCutter Zero-Turn Mower. The Right Parts, Shipped Fast! Reviews ...
Toro timecutter ss5000 belt diagram. Toro 74731 (SS 5000) - Toro 50" TimeCutter Zero-Turn Mower ... Toro repair parts and parts diagrams for Toro 74731 (SS 5000) - Toro 50" TimeCutter Zero-Turn Mower. The Right Parts, Shipped Fast! Reviews ... Toro Timecutter Ss5000 Belt Diagram - Wiring Diagrams Toro , TimeCutter SS Riding Mower, (SN ) Found on Diagram: 50 INCH DECK, BELT AND BLADE ASSEMBLY. The Toro SS riding mower is designed to cut grass on well-maintained lawns in a residential setting. Over time, the drive belt that controls the blades may.wiringall.com: toro ss parts. From The Community. Toro Ss5000 Drive Belt Diagram - schematron.org Feb 26, 2019 · Toro Ss5000 Drive Belt Diagram. 26.02.2019. 26.02.2019. 7 Comments. on Toro Ss5000 Drive Belt Diagram. Hopefully this is the right one for you. I need a drive belt diagram for a toro ss - 2d9d Toro TimeCutter SW Manual Online: Hydrostatic Drive Belt Installation, Transaxle Replacement, Transaxle Removal. 1.
0 Response to "40 toro timecutter ss5000 belt diagram"
Post a Comment