39 mtd yard machine belt diagram
Ariens Lawn Mower V-Belt. riding mower is The Cub Cadet XT1 42 in. Keep mowing your lawn Fits Riding Mowers and Lawn Tractors with a 42-inch Cutting Deck (2010 - ) For Troy-Bilt, MTD, Craftsman, MTD Gold, Bolens, White Outdoor, Yard Machines, Yard Man and Huskee Fits Cub Cadet LTX1040, LTX1042KH, LTX1042KW Need belt diagram for a snapper nxt 42 ... Order tracking, parts lookup and all customer service questions can be directed here. We can also be contacted at 800-308-9255. ProParts Direct is committed to helping its customers in a timely manner.
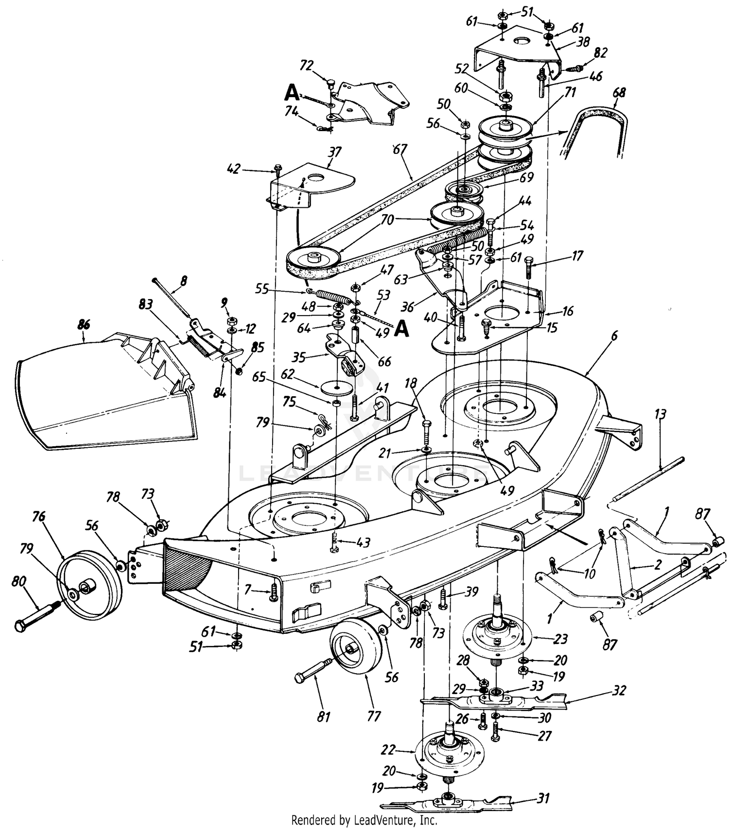
MTD 13AN771H729 (2007) Deck Assembly 46 Inch Parts Diagram. SWIPE SWIPE Previous Diagrams Next Diagrams ... Belt Guard Pin. $2.89. Add to Cart.
Mtd yard machine belt diagram
Belt fits Bolens, Huskee, MTD, Troy-Bilt, Yard Machines, Yard-Man and most lawn tractors and mini-rear engine riders with 30 in. Shop troy-bilt pony hp manual/gear in riding lawn mower with mulching capability (kit sold separately) in the gas riding lawn mowers section [HOST] 11, · need a diagram of how to route a belt on a troy. Jul 25, 2017 — I need the diagram for a mtd yardmachine 42 belt routing. Mtd walks you through the process of installing mower belts. Lawn garden tractor parts ... There are two different belt routing patterns for our 46-inch cutting decks. 1. The routing for the six-pulley deck is somewhat complex, so it is shown here ...
Mtd yard machine belt diagram. MTD log splitter parts handle heavy-duty jobs, so ensuring you have the proper parts for log splitter machines is critical. Whether you're looking for cylinders, pumps, control valves or more, you'll find the parts you need at MTD Parts. Our Part Finder makes it easy to find the parts you need. MTD Parts carries snow blower parts for Troy-Bilt, Yard Machines, Craftsman, Yard-Man, Remington, Bolens and many more. Browse our wide selection of snow blower parts. Our Parts Lookup Page makes it easy to find the parts you need. Sep 2, 2019 — Belt diagram for 46" mtd yard machine riding mower Belt diagram for 46" mtd yard machine riding mower - Craftsman 20 Hp 42" Deck Lawn Tractor question.1 answer · 1 vote: You can find the belt diagram for the MTD Yard Machine mower in the MTD Owner Manual. The diagram is on page 21.Diagram for 38" MTD yard machine belt assembly - FixyaJul 13, 2014Need deck belt diagram for MTD Yard Machine 46'' modelNov 21, 2019Belt diagram of mtd yard machine model-13ag601h729 - FixyaNov 18, 2019Need diagram for drive belt on 638 RL 38 inch - FixyaSep 2, 2019More results from www.fixya.com Fix equipment issues quickly. When you need parts for your walk-behind lawn mower or riding lawn mower, you can use the MTD Genuine Parts Part Finder to find ...
The drive belt turns the dryer drum, but if it has gotten brittle, inflexible or frayed with age and use, it could cause a thumping noise. You’ll find the belt located around the drum, by looking behind the front panel, or under the main top of the dryer, depending on your model. You can replace your drive belt if it appears to be past its prime. akitarescueoftulsa.com. Yard Machines Riding Mower Belt Diagram. Explore ideas on Pinterest. MTD Products LLC P.O. Box 368022. Cleveland, OH 44136 Cleveland, OH 44136 If you experience any problems accessing this website, please call us at 1-800-269-6215 for assistance. If you have a top-load washer, a drive belt may be connecting the transmission to the drive motor. A failure in the drive belt could keep the machine from agitating its load. Sometimes this problem will show itself with a burnt odor or an unusual noise. Your drive belt could be a rubber V-belt covered in fabric so that it can slip a bit.
The QTY or Quanitity Field in our parts diagrams refers to number of parts your machine requires. it does not reflect our Inventory. While we do stock a majority of the parts on our site, it is always best to call us at 800-305-9255 for items that are needed in a hurry to ensure proper shipping times. The process to replace drive belt on Mtd Yard Machine. Before start replacing the drive belt, you need to focus on the tools that you will be required to do ...The process to replace drive... · Step #6: Loosen The Idler... Hello all, I'm hoping you guys can provide some guidance on an issue I'm having. I bought a Yard Machines 13bn660g352 (made by MTD) lawn tractor from a friend of a friend for $100. 17HP briggs engine runs pretty well after a tune up + valve adjustment, now I'm trying to figure out why it doesn't drive very well. What I've found is that the variable speed pulley doesn't seem to have the correct motion but I can't figure out why or how to fix it. Basically the pulley arm is being pulled straight ... I need a linkage diagram. com Craftsman Tiller Parts Diagram. Repair Manual + A3 Diagrams - L588 Jul 21, 2017 · If your lawn mower, go-cart, tiller, or other small engine driven machine isn't running well or not running at all, it may be time to clean the carburetor! Many …
So, this 1998 black MTD 42" Yard Machines riding mower has not exactly been very well maintained. And I'm a noob to this stuff. Recently the rear drive belt (transmission belt?) broke and seems to have caused a whole host of carnage. It broke a spring (that seems to connect to the deck engage mechanism that makes it easier to pull the lever back up to the disengage position?) The left deck belt pulley cover broke. No idea how the drive belt reached all the way down to the deck out of the tr...
X 105. OEM Gravely 915158 (000101 - ) ZTXL 54, 24hp Kawasaki, 54" Deck Mower Deck, Belt, Idlers And Blades Exploded View parts lookup by model. Maintenance Free Spindle Assembly. Belt Diagram Mower Deck. Ingyenesen letölthetsz és használhatsz 10 000+ craftsman 42 inch mower deck belt diagram témájú stockfotót.

Yard Machines 13an601h729 Yard Machines Lawn Tractor 2006 Home Depot Parts Lookup With Diagrams Partstree
MTD Products LLC P.O. Box 368022. Cleveland, OH 44136 Cleveland, OH 44136 If you experience any problems accessing this website, please call us at 1-800-269-6215 for assistance.
Snow Blower Operation: Get Snow Thrower and Snowblower Tips from MTD. Learn about proper snow blower operation from MTD. Our snow thrower tips will help you use your machine safely and efficiently. Take advantage of our snowblower tips to make your winter cleanup easier. Read More
The John Deere STX38 lawn mower is an upgraded version of the John Deere STX30 garden tractor lawn mower. This lawn mower is an incredibly popular one having had a production run that lasted 9 years from 1988 until the last one rolled off the assembly line in 1997.
7:22JEREMY FOUNTAINTHEMOWERMEDIC1MAIL AND BUSINESS INQUIRES THEMOWERMEDIC1@GMAIL ...May 7, 2014 · Uploaded by THEMOWERMEDIC1
Gravely mower deck belt diagram. Forming men for the priesthood after the model of Jesus Christ – teacher, priest, and shepherd.
There are two different belt routing patterns for our 46-inch cutting decks. 1. The routing for the six-pulley deck is somewhat complex, so it is shown here ...
Jul 25, 2017 — I need the diagram for a mtd yardmachine 42 belt routing. Mtd walks you through the process of installing mower belts. Lawn garden tractor parts ...
Belt fits Bolens, Huskee, MTD, Troy-Bilt, Yard Machines, Yard-Man and most lawn tractors and mini-rear engine riders with 30 in. Shop troy-bilt pony hp manual/gear in riding lawn mower with mulching capability (kit sold separately) in the gas riding lawn mowers section [HOST] 11, · need a diagram of how to route a belt on a troy.

Yard Machines 13ag601h729 Yard Machines Lawn Tractor 2005 Home Depot Parts Lookup With Diagrams Partstree

Mtd 42 In Deck Drive Belt For Riding Mower Tractors 16 5 In L In The Lawn Mower Belts Department At Lowes Com
0 Response to "39 mtd yard machine belt diagram"
Post a Comment