36 subaru o2 sensor wiring diagram
4 Wire Oxygen Sensor Wiring Diagram – 4 wire 02 sensor wiring diagram, 4 wire lambda sensor wiring diagram, 4 wire o2 sensor wiring diagram honda, Every electric arrangement is made up of various unique parts. Each component ought to be placed and linked to different parts in particular way. If not, the structure will not work as it ought to be. Hello I'm new and have just joined. I can't get my 2002 Subaru Forester inspected due to a wiring problem with the bank2 Oxygen sensor. Does anyone have a wiring harness diagram specifically for my 2002 Forester L? I saw something about a FSM but that was for a WRX and I don't know if they are the same.
Rear O2 sensor wire on '02 WRX? andygold: Factory 2.0L Turbo Powertrain (EJ Series Factory 2.0L Turbo) 4: 09-10-2002 10:05 PM: Need help with rear O2 sensor wiring diagram for 2000 Legacy GT: jazzman: Normally Aspirated Powertrain: 1: 04-17-2002 10:36 PM: Front O2 sensor wiring: Division By Zero: Factory 2.0L Turbo Powertrain (EJ Series Factory ...

Subaru o2 sensor wiring diagram
Mar 18, 2020 · Exhaust 2018 sti o2 sensor heater fuse location iw forum model year to relay subaru crosstrek and xv forums what is the wire colors on oxygen sensors in my impreza i have replace them agents don t p0031 an p0037 cel page 3 wrx diagnosing circuit failures motor 2006 gets hot radiator fan problem nasioc romraider view topic… Read More » Dec 28, 2010. #1. Hi all, so i got an sti ver 4 engine,with the AE360"75" ecu. it got 3 connectors. i tried hard to find an exact pinout but couldnt. So my front oxygen sensor plug is missing,im not able to find it anywhere. i need to know the wires color code along with its pinout. Im getting code 32. i got the sensor but not the plug neither ... If you are saying the sensor lead is over 8 volts then you either have a mis-wired sensor or something inside the ECU is bad. The sensor voltage should be between .1 and .9 volts for the sensor wire. Under normal running conditions the voltage should be around a steady .45 volts. Either way, I doubt the shield wire is causing a problem.
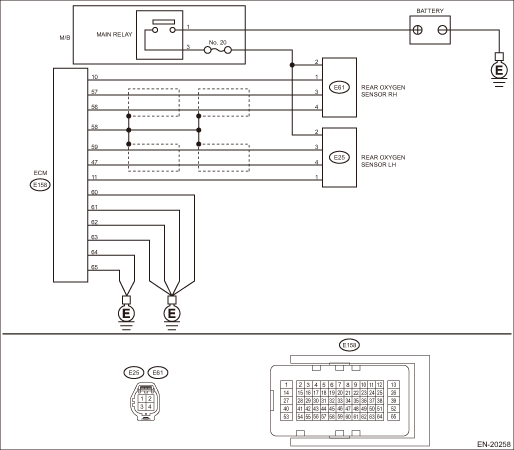
Subaru o2 sensor wiring diagram. Oct 15, 2018 · Denso Oxygen Sensor Wiring Diagram. I used this to wire up a Bosch universal O2 sensor so far no issues. Just be sure to strip the Factory Denso O2 Sensor Harness: Blue = Signal. These wires serve to heat up the O2 sensor to bring it up to The O2 sensor signal gives an indication of oxygen content sensed by the probe. Lambda Sensor. 02 WRX Wagon. Black. Rear O2 Sensor Pin Out/wire Diagram. Does anybody know the pin out or have a wiring diagram for the rear O2 sensor? My wires were cut and I want to make sure I got them connected right. There are 4, White, Blue, and 2 Black. The White and Blue are a no brainer but the 2 blacks threw me off. Dec 18, 2016 · Google's not helping - everyone else's wiring harness uses different colors from mine - I have a unique subaru. :evilatyou: Some details, pics - JDM SF5 2000 (US MY2001), 3 wire sensor. 2 white, 1 black. On the harness side white, yellow/red, grey/white. The sensor is the one just below the axle. I know that the black wire is the critical one. Apr 18, 2015 · If you have the factory wiring diagram, the sensors are shown in the "Engine Electrical System" pages. The connectors for each sensor are shown and identified (e.g., connector B18 for the front sensor, and T6 for the rear sensor. To identify their shape, look at the bottom of the page; each connector has a diagram of the shape and the pin numbers.
O2 Sensor Wiring Diagram. Unique- Welcome to help the blog, in this time period We’ll teach you in relation to o2 sensor wiring diagram. . And after this, this can be a first graphic: O2 Sensor Wiring Diagram Chevy Inspirational Magnificent Gm In from o2 sensor wiring diagram , source:mihella.me. 1998 Jeep Cherokee Xj Wiring Diagram Valid ... O2 Sensor & Wiring DiagramsAmazon Printed Bookshttps://www.createspace.com/3623928Amazon Kindle Editionhttp://www.amazon.com/Automotive-Electronic-Diagnostic... If you are saying the sensor lead is over 8 volts then you either have a mis-wired sensor or something inside the ECU is bad. The sensor voltage should be between .1 and .9 volts for the sensor wire. Under normal running conditions the voltage should be around a steady .45 volts. Either way, I doubt the shield wire is causing a problem. Dec 28, 2010. #1. Hi all, so i got an sti ver 4 engine,with the AE360"75" ecu. it got 3 connectors. i tried hard to find an exact pinout but couldnt. So my front oxygen sensor plug is missing,im not able to find it anywhere. i need to know the wires color code along with its pinout. Im getting code 32. i got the sensor but not the plug neither ...
Mar 18, 2020 · Exhaust 2018 sti o2 sensor heater fuse location iw forum model year to relay subaru crosstrek and xv forums what is the wire colors on oxygen sensors in my impreza i have replace them agents don t p0031 an p0037 cel page 3 wrx diagnosing circuit failures motor 2006 gets hot radiator fan problem nasioc romraider view topic… Read More »
0 Response to "36 subaru o2 sensor wiring diagram"
Post a Comment