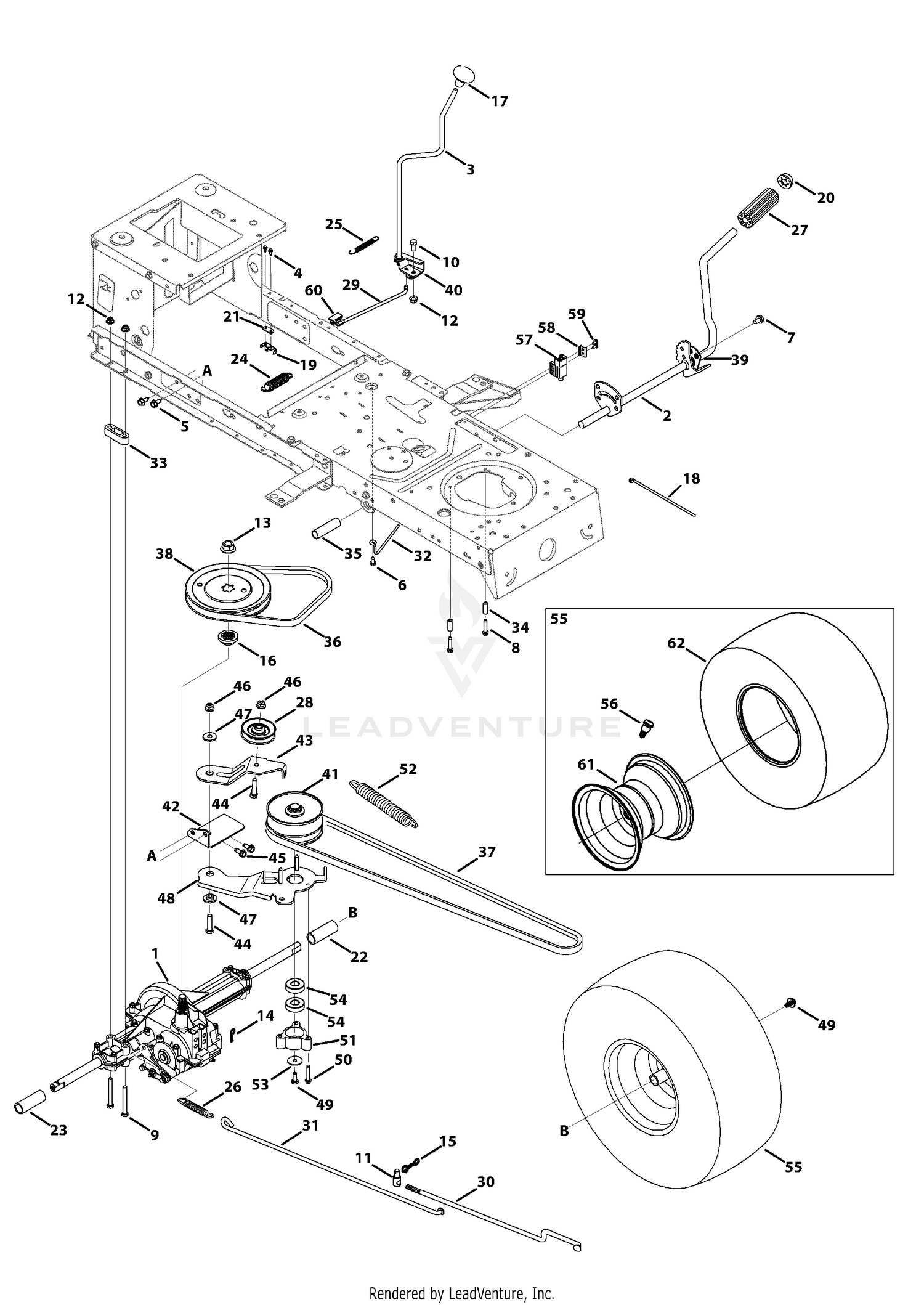
40 mtd drive belt diagram
Yardman Drive Belt Diagram. Changing the drive belt on a MTD Yardman riding mower is part of a routine maintenance schedule. MTD, the maker of Yardman products, suggests changing. I need a diagram showing for a 20hp yardman tractor model number 13ATG We have parts, diagrams, accessories and repair advice to make your tool repairs Yard Man 13BTH ...
Mtd Yard Machine Drive Belt Diagram. For Troy-Bilt, MTD, Yard-Man, Huskee, Yard Machines and Bolens units. This video shows how to properly level the mowing deck on most models of MTD, Bolens, Toro, or Yard Machines riding lawn mowers. FRAME/DRIVE BELT/TRANSMISSION Diagram & Parts List.
MTD Illustrated Parts Lists and Diagrams available online from an Authorized MTD Dealer. Free tech support. 365 day returns. ... Engagement Cables MTD Deck Lift Cables MTD Deck linkages and Cables MTD Deck Maintenance Kits MTD Dipstick MTD Drive Cables MTD Drive Parts MTD Edger Blades MTD Electrical Parts MTD Engine Parts MTD Exhaust Valve MTD ...

Mtd drive belt diagram
0662 Oyster Gray (MTD Gold) 0638 Red (Yard Machines, Huskee, Troy-Bilt, MTD) 0691 Black Jack (MTD Gold, MasterCut) 0674 Yellow (Yard-Man) 0650 Metallic Red (White Outdoor) 0629 Silver Flake (MTD Platinum) 04038 Day Orange (Daedong) 04033 Flint Mica (Troy-Bilt XP) Painted Parts
Mtd Riding Mower Drive Belt Diagram. route a riding mower deck belt diagram & repair tips learn how to route a mower deck belt with this simple guide from mtd parts find an easy to follow belt diagram for an mtd riding mower in your operator mtd riding mower reviews what to know original review july 27 2018 mtd is a good mower for it s age of 26 years i can still parts at local shops and ...
Mtd belt 9540349 for mtd/troybilt/yard man/yard machine 46 mower deck. I forgot the belt routing on my mower.can anyone send me the belt diagram for a 18.5hp yardmachine mower, which has 6 pulleys and hydrostatic drive? Mtd 13an775s000 2012 mower deck 42 inch exploded view parts lookup by model. Troubleshoot the reason your push mower won't start.
Mtd drive belt diagram.
Or browse through our thousands of MTD parts here: Matches 1-50 of 1000 shown. MTD-CUBCADET-TROYBILT Part number 000 TEST PART This item is part of the superseding sequence TEST > 000 wt=2 MTD-CUBCADET-TROYBILT Part number 00001 WHEEL-4.80/4.00 wt=6.4 MTD-CUBCADET-TROYBILT Part number 00002406 FITTING-NIPPLE wt=1.5 MTD-CUBCADET-TROYBILT Part number 00002528 SCREW-HEX CAP 3/8 wt=.07
Video Tutorial of how to change upper deck belt on yard man 46" Triple blade deck. Shows easy and fast way to change out the belt without pulling the Deck. ...
MTD 13AF608G062 (2002) Drive, Controls, Rear Wheels Parts Diagram. SWIPE SWIPE. 42" Cutting Deck.
*Parts listed below*How to Replace the drive belts on a Bolens (MTD) riding mower with the Varidrive belt system. The Varidrive system uses two belts rather ...
Mtd Riding Mower Drive Belt Diagram. route a riding mower deck belt diagram & repair tips learn how to route a mower deck belt with this simple guide from mtd parts find an easy to follow belt diagram for an mtd riding mower in your operator mtd riding mower reviews what to know original review july 27 2018 mtd is a good mower for it s age of 26 years i can still parts at local shops and ...
Browse illustrated parts diagrams to find the part you need. Find the parts you need. Belts, augers, tires/wheels, engine parts, and more. Huge selection! Snow cabs, snow blower covers, tire chains, and more.
MTD Belts - Exact Replacement. Let Jack's help you do it yourself with exact replacement MTD lawn mower belts! Trust Jack's for your replacement MTD lawn tractor belts and other quality replacement parts for your MTD equipment. To determine your series number: Look for the model number tag on your tractor. It will look like 138-651-9000.
MTD OEM-754-04060 42-Inch Deck Drive Belt for Tractors 2005 and After, Pack of 1 451 $28.00 $ 28 . 00 Youxmoto Replacement Lawn Mower Deck Belt 5/8"x74" Made with Kevlar for MTD 754-0371 754-0371A, 954-0271A 954-0371A B71 26
MTD Lawn & Garden Tractors Parts Lookup & Diagrams MTD Lawn & Garden Tractors ( 2967 Models ) 02296 (139-622-105) - MTD Legacy Lawn Tractor (1989) (American Hardware)
21 posts related to Mtd 42 Mower Deck Belt Diagram. Gravely Mower Deck Belt Diagram. Simplicity 50 Mower Deck Belt Diagram. Ferris Is2000z Mower Deck Belt Diagram. Husqvarna Yth2348 Mower Deck Belt Diagram. Craftsman 42 Inch Mower Deck Belt Diagram. Craftsman 54 Inch Mower Deck Belt Diagram. Husqvarna 48 Inch Mower Deck Belt Diagram.
Belt Keeper Rod $ Deck. We have parts, diagrams, accessories and repair advice to make your tool repairs easy. Yard Man 13AOH () Lawn Tractor Parts . Deck Belt Cover Lh Rod, Shift (38/42" Decks) I have a Yardman mower 7 speed shift on the go when I first start 1,2 and 3 gears work fine, but when it heats up only.
Engine Service & Support - Technical, Parts, Manuals and Warranty. 37905 Views • Sep 22, 2017 • FAQ.
MTD LT-5 Manual Online: Variable Speed Pulley Removal, Variable Speed Idler Bracket Removal. Remove The Cutting Deck. Using A Spring Puller Or. Displaying Variable Drive parts for the MTD 13A - Yard-Man Lawn Tractor MTD C (replaces ) Variable Speed Pulley Assembly. diagramweb.net: MTD B Variable Speed Pulley Assembly: Garden & Outdoor.
Belt diagram for 46" mtd yard machine riding mower Belt diagram for 46" mtd. diagram of how to put the Blade belt on my Yardman 42' riding lawnmower I can& #39;t get my blade belt on Yeah, these belts can seem impossible to figure out.Fix your Yard Man Lawn Mower today with parts, diagrams, accessories and repair advice from eReplacement Parts!
Mtd Riding Mower Drive Belt Diagram. route a riding mower deck belt diagram & repair tips learn how to route a mower deck belt with this simple guide from mtd parts find an easy to follow belt diagram for an mtd riding mower in your operator mtd riding mower reviews what to know original review july 27 2018 mtd is a good mower for it s age of 26 years i can still parts at local shops and ...
The lower belt assembly delivers power to the rear axle. Because of constant starting, stopping and slipping of the rear wheels on wet grass, the lower drive belts must be inspected and/or replaced annually. Fortunately, MTD has made this job easy.
Mtd 38 Mower Deck Belt Diagram. mtd 38 inch deck diagrams have a problem with a new deck put onto a mower today the belt is throwing itself or be e tight on the pulleys the issue is i didn t tear mtd oem belt replacement for a yard machines 38 inch save a service call and remove and install the new mtd mower belt yard machines 38 inch mowing deck mower deck belt diagrams
The MTD Genuine Parts Knowledge Center provides do-it-yourself instructions for performing many basic maintenance items, including replacing cutting blades, drive and deck belts, and engine oil. If you find your machine has a bigger problem, use our service locator to find a qualified MTD service provider in your area.
MTD Parts offers a wide selection of belts designed for all your outdoor power equipment needs. Whether you're looking for drive belts for your snow blower or deck belts for your riding lawn mower, you'll find them here. Our Part Finder makes it easy to find the parts you need.
MTD, the maker of Yardman products, suggests changing the belt every two years or more with exceptional wear. Inspect the belt often throughout the mowing season for nicks, wear or damage. Mtd belt diagram 46 in yardman along with yard machine riding mower belt diagram php attachmentid depict dreamy for larger version name drive belts views ...
Lookup Parts by Diagram. Find the replacement parts you need to keep your lawn mower, snow blower and other outdoor power equipment performing strong and running like new. You can Browse our catalogs, or Search by Part Number or 11-digit factory Model Number to find your product's exploded Diagram Assemblies.
Mower Deck 42-Inch diagram and repair parts lookup for MTD 13AX795S004 - MTD Gold Lawn Tractor (2011)
0 Response to "40 mtd drive belt diagram"
Post a Comment