Iklan 300x250

38 Cub Cadet Parts Diagram Lt1050

PDF Cub Cadet Lt 1050 Parts Manual - video.heraldtribune.com Cub Cadet LT1050 Manuals - Cub Cadet Parts n More Save cub cadet ltx 1050 parts to get e-mail alerts and updates on your eBay Feed. + 7 S 0 P O N S O A R P A 7 E E D -1 -1 U J -1 0 F J -1 -1 Cub Cadet LTX1046VT-LTX1050VT Service & Parts Parts Lookup and OEM Diagrams | PartsTree Parts lookup and repair parts diagrams for outdoor equipment like Toro mowers, Cub Cadet tractors, Husqvarna chainsaws, Echo trimmers, Briggs engines, etc. The Right Parts, Shipped Fast! ... Results for "lt1050" (13 Models) Filter Results Show

Cub Cadet LT1050 lawn tractor: review and specs - Tractor ... The Cub Cadet LT1050 is a 2WD lawn tractor from the LT1000 series. This tractor was manufactured by the Cub Cadet (a part of MTD) from 2005 to 2008. The Cub Cadet LT1050 is equipped with a 0.7 L V-twin gasoline engine and hydrostatic transmission Hydro-Gear 0510 with infinite forward and reverse gears.

Cub cadet parts diagram lt1050

Cub cadet parts diagram lt1050

Cub Cadet LT1050 Manuals - Cub Cadet Parts N More Your Cub Cadet products come with years of experience in designing some of the most technologically innovative and customer-focused equipment available. Your LT1050 model is fit with a V-Twin Kohler engine. Made for the average homeowner, this mower starts right up and runs up to 5mph. For LT1050 replacement parts, use our Parts Lookup tool. Cub Cadet LT1050 Tractor (2008 & after) 13AQ11CP009 ... Cub Cadet LT1050 Tractor (2008 & after) 13AQ11CP009 13AQ11CP010 13AQ11CP056 13AQ11CP256 13RQ11CP056 13RQ11CP256 Parts PDF Cub Cadet Lt 1050 Parts Manual - autos.augusta.com a Cub Cadet LT1050 LED install on a Cub Cadet LT 1050 Cub Cadet Lt 1050 Parts DB Electrical SAB0157 Starter For Cub Cadet Kohler Courage Twin 1045 1046 1550 1554 1050 32-098-01S 3209801S K0H3209801S Toro Lawn Tractor Kohler 23 25 Hp 2007-2009 New Holland Lawn Mower 4.6 out of 5 stars 1,080

Cub cadet parts diagram lt1050. PDF Cub Cadet Lt1050 Owners Manual - jobs.augusta.com Bookmark File PDF Cub Cadet Lt1050 Owners Manualthe book compilations in this website. It will completely ease you to look guide cub cadet lt1050 owners manual as you such as. By searching the title, publisher, or authors of guide you really want, you Amazon.com: cub cadet lt1050 parts UP2WIN Spindle Fits for Cub Cadet LT1050 Mower - Spindle Assembly Fits for Cub Cadet RZT50 LT1050 Lawn Mower, Work with Cub Cadet Troy Built Mustang Zero Turn 50" Mower Deck, Replaces 918-04126. 4.9 out of 5 stars. 63. $33.99. Amazon.com: cub cadet lt1050 steering parts 1-16 of over 1,000 results for "cub cadet lt1050 steering parts" Amazon's Choice for cub cadet lt1050 steering parts. Aaron Steering Shaft Pinion Gear & Bushing for Cub Cadet LT1042 LT1045 LT1046 LT1050. 4.7 out of 5 stars 226. $15.98 $ 15. 98. Get it as soon as Mon, Jan 17. Replacement Parts & Service | Cub Cadet US Explore Service & Parts. Cub Cadet Genuine Parts gives you a genuine advantage: the confidence of using parts specifically designed for an exact fit, optimal performance and maximum safety. These are the only parts with the in-depth engineering and rigid testing that assures long-lasting quality. Part Finder.

Cub Cadet LT1050 Parts - Shank's Lawn Cub Cadet Model LT1050 Tractor As one of the highest-end riding mowers sold by Cub Cadet in its LT 1000 series of mowers, homeowners are right to expect big things from this particularly model. Luckily, the powerful engine and other great features packed into the LT 1050 ensure that all of those expectations will be easily met. Cub Cadet Lt1045 Parts Diagram | Automotive Parts Diagram ... Description: Pizzahutblog: Cub Cadet Ltx 1045 Parts regarding Cub Cadet Lt1045 Parts Diagram, image size 400 X 300 px, and to view image details please click the image.. Truly, we have been realized that cub cadet lt1045 parts diagram is being one of the most popular issue at this time. So that we attempted to find some good cub cadet lt1045 parts diagram picture for your needs. Cub Cadet LT1050 Tractor (2007 & before) 13AP11CP709 ... Cub Cadet LT1050 Tractor (2007 & before) 13AP11CP709 13AP11CP710 13AP11CP756 13AQ11CP709 13AQ11CP710 13AQ11CP712 13RP11CP756 Parts. Parts Hotline 877-260-3528. Contact us today! STOCK ORDERS PLACED IN: ... To View The Parts Diagram, Please Login or Sign Up. Login. Sign Up. Or Use The Guest Login. Cub Cadet Riding Lawn Mower - Model 13AQ11CP010 | Cub Cadet US Find parts for your LT1050 Cub Cadet Riding Lawn Mower. Parts diagrams and manuals available. Free shipping on parts orders over $45.

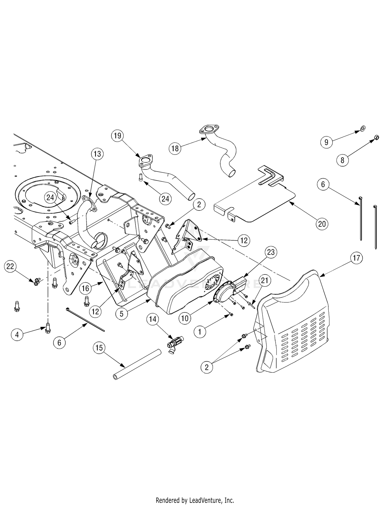
Cub Cadet Tractor | LT1050 | eReplacementParts.com Cub Cadet LT1050 (13AQ11CP709, 13AQ11CP712, 13AQ11CP710, 13AP11) (2007 & Before) Tractor Parts Cub Cadet Lt1050 Parts Diagram Cub Cadet Lt1050 Parts Diagram. Printed In USA. ILLUSTRATED PARTS MANUAL. Model Series — Hydrostatic Lawn Tractor. Models LT LT LT LT Find Cub Cadet Parts for Cub Cadet lawn mowers and other power Order replacement parts or download a copy of your machine's operator's manual. Cub Cadet LT Diagrams and Manuals. Cub Cadet LT 1050 (13AP11CP756) - Cub Cadet 50" Lawn ... Cub Cadet repair parts and parts diagrams for Cub Cadet LT 1050 (13AP11CP756) - Cub Cadet 50" Lawn Tractor (2007 & Before) Cub Cadet LT1050 Tractor (2007 & before) 13AP11CP709 ... Shop our large selection of Cub Cadet LT1050 Tractor (2007 & before) 13AP11CP709 13AP11CP710 13AP11CP756 13AQ11CP709 13AQ11CP710 13AQ11CP712 13RP11CP756 OEM Parts, original equipment manufacturer parts and more online or call at 717-375-1021

Cub Cadet LT1050 Tractor (2008 & after) 13AQ11CP009 ...

Cub Cadet LT1050 Tractor (2008 & after) 13AQ11CP009 ...

Cub Cadet LT1050 front-engine lawn tractor parts | Sears ... Cub Cadet LT1050 front-engine lawn tractor parts - manufacturer-approved parts for a proper fit every time! We also have installation guides, diagrams and manuals to help you along the way!

Cub Cadet Parts Diagrams, Cub Cadet LT1050 Tractor (2008 ...

Cub Cadet Parts Diagrams, Cub Cadet LT1050 Tractor (2008 ...

MTD LT1050 MOWER Parts Diagrams - Jacks Small Engines MTD LT1050 MOWER Parts Diagrams. Parts Lookup - Enter a part number or partial description to search for parts within this model. There are (4) parts used by this model.

Cub Cadet FAQ

Cub Cadet FAQ

ARIMain - WEINGARTZ Search easy-to-use diagrams and enjoy same-day shipping on standard Cub Cadet parts orders. 855-669-7278 My Store Ann Arbor Cedar Springs Clarkston ... Cub Cadet LT1050 Tractor (2008 & after) 13AQ11CP009 13AQ11CP010 13AQ11CP056 13AQ11CP256 13RQ11CP056 13RQ11CP256 Drive System ...

Kohler CH740-3173 STEINER 25 HP (18.6 kW) Parts Diagram for ...

Kohler CH740-3173 STEINER 25 HP (18.6 kW) Parts Diagram for ...

Drive Belt Diagram For Cub Cadet Lt1050 - schematron.org If the transmission drive belt on your Cub Cadet LT lawn tractor is. Buy Genuine OEM Cub Cadet parts for your Cub Cadet LT Tractor ( & before) 13AP11CP 13AQ11CP 13AQ11CP 13RP11CP mower deck 50 inch a spindle and ship today! Belt-V B Sec X The Cub Cadet LT lawn tractor comes with a inch cutting blade, making it best suited to large lawns.

Cub Cadet LT1050 Tractor (2007 & before) 13AP11CP709 ...

Cub Cadet LT1050 Tractor (2007 & before) 13AP11CP709 ...

Wiring Diagram For Cub Cadet Lt1050 - schematron.org Wiring Diagram For Cub Cadet Lt1050. Garden product manuals and free pdf instructions. Find the user manual you need for your lawn and garden product and more at. I have a Cub Cadet LT mower with Kohler Courage Twin OHC 23 hp I am trying to find a wiring diagram and am not finding one yet. Hi there, Save hours of searching online or wasting ...

cub cadet ltx 1050 deck belt diagram,therugbycatalog.com

cub cadet ltx 1050 deck belt diagram,therugbycatalog.com

2006 Cub Cadet Lt1050 Wiring Diagram 2006 Cub Cadet Lt1050 Wiring Diagram. Hi there, Save hours of searching online or wasting money on unnecessary repairs by talking to a 6YA Expert who can help you resolve this. 3 days ago cub cadet schematic wiring diagram schematics cub cadet Lt Cub Cadet Wiring Diagram Also Cub Cadet Wiring Diagram.

Cub cadet lt1050 parts diagram

Cub cadet lt1050 parts diagram

Cub Cadet LTX1050 Parts Diagrams - Cub Cadet Parts N More Cub Cadet LTX Diagrams and Manuals. Shop for Cub Cadet LTX1050 Parts. Factory Direct from Cub Cadet. COVID-19 Updates. Ask Our Experts: 515-266-7944 Orders Wholesale Contact Low Prices, Fast Shipping, Guaranteed Service. Cub Cadet LTX1050 Manuals. Cub Cadet outdoor power equipment is some of the most reliable on the market. ...

Pin on 7madd7

Pin on 7madd7

Cub Cadet Parts Diagrams, Cub Cadet LT1050 Tractor (2007 ... Buy Genuine OEM Cub Cadet parts for your Cub Cadet LT1050 Tractor (2007 & before) 13AP11CP709 13AP11CP710 13AP11CP756 13AQ11CP709 13AQ11CP710 13AQ11CP712 13RP11CP756 and ship today! Huge in-stock inventory of OEM Cub Cadet parts.

Cub Cadet LT1050 Tractor (2008 & after) 13AQ11CP009 ...

Cub Cadet LT1050 Tractor (2008 & after) 13AQ11CP009 ...

Cub Cadet Lt1050 Diagram - 34 cub cadet lt1045 deck belt ... Cub Cadet Lt1050 Diagram. Here are a number of highest rated Cub Cadet Lt1050 Diagram pictures on internet. We identified it from reliable source. Its submitted by organization in the best field. We take on this kind of Cub Cadet Lt1050 Diagram graphic could possibly be the most trending topic following we portion it in google lead or facebook.

Cub Cadet LT1050 Tractor (2007 & before) 13AP11CP709 ...

Cub Cadet LT1050 Tractor (2007 & before) 13AP11CP709 ...

Cub Cadet Parts Diagrams, Cub Cadet LT1050 Tractor (2008 ... Buy Genuine OEM Cub Cadet parts for your Cub Cadet LT1050 Tractor (2008 & after) 13AQ11CP009 13AQ11CP010 13AQ11CP056 13AQ11CP256 13RQ11CP056 13RQ11CP256 and ship today! Huge in-stock inventory of OEM Cub Cadet parts.

cub cadet lt1050 deck belt diagram,therugbycatalog.com

cub cadet lt1050 deck belt diagram,therugbycatalog.com

Cub Cadet Lt1050 Wiring Diagram I have a Cub Cadet LT mower with Kohler Courage Twin OHC 23 hp I am trying to find a wiring diagram and am not finding one yet.I have a Cub Cadet LT mower with Kohler Courage Twin OHC 23 hp engine.\r\n I need a picture or manual page showing how the engine controls are set up.

Cub Cadet LT1050 Belt Rubbing on Idler Bracket description in ...

Cub Cadet LT1050 Belt Rubbing on Idler Bracket description in ...

PDF Cub Cadet Lt 1050 Parts Manual - autos.augusta.com a Cub Cadet LT1050 LED install on a Cub Cadet LT 1050 Cub Cadet Lt 1050 Parts DB Electrical SAB0157 Starter For Cub Cadet Kohler Courage Twin 1045 1046 1550 1554 1050 32-098-01S 3209801S K0H3209801S Toro Lawn Tractor Kohler 23 25 Hp 2007-2009 New Holland Lawn Mower 4.6 out of 5 stars 1,080

Riding Mower 50-inch Deck Belt - Original Equipment Genuine Part (OEM)

Riding Mower 50-inch Deck Belt - Original Equipment Genuine Part (OEM)

Cub Cadet LT1050 Tractor (2008 & after) 13AQ11CP009 ... Cub Cadet LT1050 Tractor (2008 & after) 13AQ11CP009 13AQ11CP010 13AQ11CP056 13AQ11CP256 13RQ11CP056 13RQ11CP256 Parts

Cub cadet LT1050 Manuals | ManualsLib

Cub cadet LT1050 Manuals | ManualsLib

Cub Cadet LT1050 Manuals - Cub Cadet Parts N More Your Cub Cadet products come with years of experience in designing some of the most technologically innovative and customer-focused equipment available. Your LT1050 model is fit with a V-Twin Kohler engine. Made for the average homeowner, this mower starts right up and runs up to 5mph. For LT1050 replacement parts, use our Parts Lookup tool.

Cub Cadet LT1050 Tractor (2008 & after) 13AQ11CP009 ...

Cub Cadet LT1050 Tractor (2008 & after) 13AQ11CP009 ...

Cub Cadet Lt1050 Parts Diagram, HD Png Download , Transparent ...

Cub Cadet Lt1050 Parts Diagram, HD Png Download , Transparent ...

Aston Martin Vanquish (2001-2007) Engine Mountings parts ...

Aston Martin Vanquish (2001-2007) Engine Mountings parts ...

Riding Mower 50-inch Deck Belt

Riding Mower 50-inch Deck Belt

Cub Cadet Parts Diagrams, Cub Cadet LT1050 Tractor (2007 ...

Cub Cadet Parts Diagrams, Cub Cadet LT1050 Tractor (2007 ...

Cub Cadet LT 1050 (13AQ11CP710) - Cub Cadet 50

Cub Cadet LT 1050 (13AQ11CP710) - Cub Cadet 50" Lawn Tractor ...

Cub Cadet 50 in. Lawn Mower Deck Drive Belt, OCC-754-04240

Cub Cadet 50 in. Lawn Mower Deck Drive Belt, OCC-754-04240

CUB CADET LTX 1050 OPERATOR'S MANUAL Pdf Download | ManualsLib

CUB CADET LTX 1050 OPERATOR'S MANUAL Pdf Download | ManualsLib

Cub Cadet LT 1050 (13AQ11CP256) - Cub Cadet 50

Cub Cadet LT 1050 (13AQ11CP256) - Cub Cadet 50" Lawn Tractor ...

Cub Cadet LTX1050 Hydrostatic Lawn Tractor | Partswarehouse

Cub Cadet LTX1050 Hydrostatic Lawn Tractor | Partswarehouse

Cub Cadet LT 1050 (13AQ11CP710) - Cub Cadet 50

Cub Cadet LT 1050 (13AQ11CP710) - Cub Cadet 50" Lawn Tractor ...

Cub Cadet LTX1050 Hydrostatic Lawn Tractor | Partswarehouse

Cub Cadet LTX1050 Hydrostatic Lawn Tractor | Partswarehouse

Cub Cadet LT1050 Tractor (2008 & after) 13AQ11CP009 ...

Cub Cadet LT1050 Tractor (2008 & after) 13AQ11CP009 ...

Cub Cadet LT 1050 (13RQ11CP256) - Cub Cadet 50

Cub Cadet LT 1050 (13RQ11CP256) - Cub Cadet 50" Lawn Tractor ...

Cub Cadet LT1050 Tractor (2007 & before) 13AP11CP709 ...

Cub Cadet LT1050 Tractor (2007 & before) 13AP11CP709 ...

UP2WIN Spindle Fits for Cub Cadet LT1050 Mower - Spindle Assembly Fits for  Cub Cadet RZT50 LT1050 Lawn Mower, Work with Cub Cadet Troy Built Mustang  ...

UP2WIN Spindle Fits for Cub Cadet LT1050 Mower - Spindle Assembly Fits for Cub Cadet RZT50 LT1050 Lawn Mower, Work with Cub Cadet Troy Built Mustang ...

Cub Cadet LTX1050 Hydrostatic Lawn Tractor | Partswarehouse

Cub Cadet LTX1050 Hydrostatic Lawn Tractor | Partswarehouse

Deck Belt for Cub Cadet i1050, LGT1050, LGTX1050, LT1050 ...

Deck Belt for Cub Cadet i1050, LGT1050, LGTX1050, LT1050 ...

Replace the steering gear on a Cub Cadet

Replace the steering gear on a Cub Cadet

Transmission Belt / Fan Replacement Cub Cadet LTX1045 : 9 ...

Transmission Belt / Fan Replacement Cub Cadet LTX1045 : 9 ...

Cub Cadet Tractor | i1042 | eReplacementParts.com

Cub Cadet Tractor | i1042 | eReplacementParts.com

SOLVED: Need a i1050 cub cadet wiring diagram - Fixya

SOLVED: Need a i1050 cub cadet wiring diagram - Fixya

Cub Cadet LT1050

Cub Cadet LT1050

Cub Cadet Riding Lawn Mower - Model 13AP11CP756

Cub Cadet Riding Lawn Mower - Model 13AP11CP756

0 Response to "38 Cub Cadet Parts Diagram Lt1050"

Post a Comment

Iklan Atas Artikel

Iklan Tengah Artikel 1

Iklan Tengah Artikel 2

Iklan Bawah Artikel