Iklan 300x250

40 2000 honda civic headlight wiring diagram

Headlight wiring diagram needed - Honda-Tech Honda Civic / Del Sol (1992 - 2000) - Headlight wiring diagram needed - I got a black, red/yellow, red/blue headlight wire, now where do they go on the 9003 ... 97 Civic LX -- Which Headlights wires activate high beam Honda Civic / Del Sol (1992 - 2000) - 97 Civic LX -- Which Headlights wires activate high beam - ok so i am trying to hook up the high beam on my 97 CIVIC ...

2000 Honda Civic Headlight Wiring Diagram Images - Wiring... Repairing electrical wiring, a lot more than any other household project is about protection. Install an outlet correctly and it's as safe as that can be; do Next diagrams is pretty simple, but making use of it inside the scope of how the system operates is a different matter. My most sage advice is not really...

2000 honda civic headlight wiring diagram

2000 honda civic headlight wiring diagram

Honda Civic Headlight Wiring Diagram Earch For Alarm Accord 2000 File Name : honda_civic_headlight_wiring_diagram_earch_for_alarm_accord_2000_on_2000_honda_civic_wiring_diagram_1.jpg Dimensions : 600x525 Ratio : 8:7 File Size : File Type : image/jpeg. Honda Civic Free Workshop and Repair Manuals Honda Civic Workshop, repair and owners manuals for all years and models. Free PDF download for thousands of cars and trucks. Where can you get wiring diagrams showing how to change 91 Civic... If you have a 91 Civic Hatch with Japanese headlights, there are few steps necessary to convert them. The first step is to purchase the correct headlight This kit will come with detailed wiring diagrams and all the necessary hardware for the installation. Once you have installed the kit, follow the written...

2000 honda civic headlight wiring diagram. Honda Civic Headlight Bulbs Replacement Guide - Picture Illustrated... Honda Civic Headlight. Rear of Headlight Assembly. High Beam Bulb Socket. The three light bulbs inside the headlight assembly and their part numbers from Sylvania and other manufacturers are the following: Low Beam # 9006, High Beam # 9005 and Parking / Turn Signal # 1157A. Wiring Diagram 2000 Honda Civic Engine | Alexiustoday ... Aug 30, 2017 · Wiring Diagram 2000 Honda Civic Engine | Alexiustoday intended for 2000 Honda Civic Headlight Wiring Diagram by admin From the thousands of images on the internet in relation to 2000 Honda Civic Headlight Wiring Diagram, selects the best collections using greatest image resolution only for you all, and now this images is actually considered one of pictures selections inside our ideal images ... Novsights.com - Auto Lighting & LED Headlight | Car, Truck ... Novsight is a company working on design and sale the best Auto LED Lighting, LED Headlight Conversion Kit, Fog Lamp, Led Work Lights,LED Headlight Bulb for Car, Truck, SUV, Jeep and pickup,Free Shipping To 35 Countries. I need headlight wire diagram - Honda Forum Discussion Honda Civic / Del Sol (1992 - 2000) - I need headlight wire diagram - hay guys ... or the actual wiring diagram for the pass side headlight and turn signal.

I need a EG headlight wiring diagram please. - Honda-Tech Honda Civic / Del Sol (1992 - 2000) - I need a EG headlight wiring ... Hi, i'm in need of a wiring diagram that shows which wires go to the headlight bulbs. 2000 Honda Civic Alarm Wiring Diagram - The Wiring Jan 17, 2022 · 2000 honda civic alarm wiring diagram. Honda Vehicles Diagrams, Schematics and Service Manuals – download for free! If the generation of Civic before this is iconic, the EK / EJ / EM chassis is the gold standard. Fresh Honda Civic Ignition Wiring Diagram Irelandnews Co. HONDA Civic Wiring Diagrams - Car Electrical Wiring Diagram 1994-1995 HONDA Civic Headlights Wiring Diagram. HONDA Civic is available in two body versions: 2-door Coupe and 4-door Sedan. The 4-cylinder in-line gasoline engine is mounted transversely in front of the car and is equipped with an electronic fuel injection system. [DIAGRAM] 2000 Honda Civic Si Wiring Diagram FULL Version HD... Wiring Diagram 1996 Honda Civic Si Power Windows Not. Ox 9779 Wiring Diagram Honda Civic 2004 Schematic Wiring. In the event the procedure administrator has the 2000 Honda Civic Si Wiring Diagram diagram, he often can see the place the faulty product is and correct the failure...

2000 Honda Civic Headlight Wiring Diagram | Fuse Box And ... Aug 30, 2017 · Description: Wiring Diagram 2000 Honda Civic Engine | Alexiustoday intended for 2000 Honda Civic Headlight Wiring Diagram, image size 800 X 497 px, and to view image details please click the image. Here is a picture gallery about 2000 Honda Civic Headlight Wiring Diagram complete with the description of the image, please find the image you need. 2000 Honda Civic Headlight Wiring Diagram Images - Wiring ... Oct 13, 2020 · 2000 Honda Civic Headlight Wiring Diagram. Print the wiring diagram off plus use highlighters to trace the signal. When you make use of your finger or perhaps the actual circuit with your eyes, it is easy to mistrace the circuit. 1 trick that We 2 to printing a similar wiring plan off twice. 99 Civic Headlight problem - Need correct wiring - Honda-Tech Honda Civic / Del Sol (1992 - 2000) - 99 Civic Headlight problem - Need correct ... I looked at the diagram on the Haynes manual and it's confusing as ****. Honda Civic Fuse Box Diagrams - Honda-Tech in 2000 Honda ... Aug 30, 2017 · Honda Civic Fuse Box Diagrams - Honda-Tech in 2000 Honda Civic Headlight Wiring Diagram by admin Through the thousands of images on the internet concerning 2000 Honda Civic Headlight Wiring Diagram, we selects the best choices using ideal resolution only for you, and this pictures is usually considered one of images libraries in our finest photographs gallery about 2000 Honda Civic Headlight ...

1998-2002 Honda Accord Headlights Replacement (1998, 1999 ...

1998-2002 Honda Accord Headlights Replacement (1998, 1999 ...

Honda — Электросхемы Для Автомобилей Civic Honda CR-V Honda Element Honda Fit Honda Insight Honda Odyssey Honda Passport Honda Pilot Honda Prelude Honda Ridgeline Honda S2000. WIRING-DIAGRAMS.

How To Use Honda Wiring Diagrams 1996 to 2005 Training Module Trailer

How To Use Honda Wiring Diagrams 1996 to 2005 Training Module Trailer

2000 Honda civic headlight wiring diagram Wiring Diagram - Club Civic Quebec. SYSTEM WIRING DIAGRAMS Power Distribution Circuit (2 of 4) 2001 Honda Civic Page 1 Monday, May 05 Buy Rxmotoring 2000 Honda Civic Halo Projector Headlight + Tail Lights: Headlight Bulbs - Amazon.com FREE DELIVERY possible on eligible...

2001 Civic LX with no Low Beam Headlights - Honda Civic Forum

2001 Civic LX with no Low Beam Headlights - Honda Civic Forum

(How To) 2000 Honda Civic Headlight Delay Repair - YouTube This is a simple repair for a 2000 Civic experiencing delay in headlights actually turning on after you flip the switch. This car was delaying anywhere from...

Troubleshoot Headlights

Troubleshoot Headlights

93 Del Sol Si headlight wiring diagram--HELP please! Honda Civic / Del Sol (1992 - 2000) - 93 Del Sol Si headlight wiring diagram--HELP please! - Does anyone have a 93 Del Sol Si headlight wiring diagram or ...

Honda Civic (1996 - 2000) Fuse Box Diagram |🔧 Fuses Guru

Honda Civic (1996 - 2000) Fuse Box Diagram |🔧 Fuses Guru

2000 Honda Civic Headlight Wiring Diagram Database Effectively read a wiring diagram, one has to find out how the components inside the program operate. For example , in case a module is powered up and it also sends out a Subsequent diagrams is pretty simple, but making use of it within the opportunity of how the device operates is a different matter.

Headlight Wiring Diagram? - Honda-Tech - Honda Forum Discussion

Headlight Wiring Diagram? - Honda-Tech - Honda Forum Discussion

[DIAGRAM] 2007 Honda Civic Wiring Diagram... 2000 Honda Civic Radio Wire Diagram. 99 Honda Civic Engine Diagram. Assistance Needed 2017 Civic Si Audio Head Unit Wiring. 1992 Honda Civic Headlight Switch Wiring Diagram.

Honda Civic (1996 - 2000) - fuse box diagram - Auto Genius

Honda Civic (1996 - 2000) - fuse box diagram - Auto Genius

EG headlight wiring - Honda-Tech - Honda Forum Discussion Honda Civic / Del Sol (1992 - 2000) - EG headlight wiring - Hello all, I am trying to wire up some SIR stanley headlights and the wires that are on the ...

HONDA Civic Wiring Diagrams - Car Electrical Wiring Diagram

HONDA Civic Wiring Diagrams - Car Electrical Wiring Diagram

[DIAGRAM] Honda Civic 2001 Wiring Diagram Radio FULL Version... 2001 Honda Civic Wiring Diagram Information Guide. 2000 Honda Civic Ex Coupe Radio Wiring Diagram. Setting up a razor Honda Civic 2001 Wiring Diagram Radio is a successful method of keeping people today and animals away from a given location.

2001 Civic LX with no Low Beam Headlights - Honda Civic Forum

2001 Civic LX with no Low Beam Headlights - Honda Civic Forum

The wiring diagram for 2000 honda civic ex. it - Fixya The wiring diagram for 2000 honda civic ex. it had an alarm that someone install themselves. Had to take out radio. thats when the wiring was found. removed the alarm wiring and wired the other stuff back up and now theres no power to ignition? is there a relay or something missing?? please help

Repair Guides | Wiring Diagrams | Wiring Diagrams (5 Of 103 ...

Repair Guides | Wiring Diagrams | Wiring Diagrams (5 Of 103 ...

92-95 DX Civic Headlight Wiring. - Honda Forum Discussion 4 Jan 2012 — Honda Civic / Del Sol (1992 - 2000) - 92-95 DX Civic Headlight Wiring. - Hey guys wondering if anyone has a diagram or knows the colors for ...

Honda Civic 97 Wiring Diagram - [PDF Document]

Honda Civic 97 Wiring Diagram - [PDF Document]

Honda Civic Headlights - Civic Headlight... - PartsGeek.com Shop Honda Civic Replacement Headlight. Fuel-efficient transportation including the ergonomically-designed Honda Civic were designed to be kept well tuned so that they can keep on giving good levels of economy. If an issue develops or a system ought to be fixed, don't economize with the wrong...

Civic EG View topic - DIY: EDM headlights plus 2 vids

Civic EG View topic - DIY: EDM headlights plus 2 vids

MotorData :: Model Catalog :: Honda wiring diagrams. ECU pinout. check procedures. Reference data. fluid capacities. + HONDA Civic Ferio (2000 — 2005). market: JAP (Japan).

On my 2002 Civic my low beam headlights went out, one went ...

On my 2002 Civic my low beam headlights went out, one went ...

95 civic headlight wiring question.. - Honda-Tech Honda Civic / Del Sol (1992 - 2000) - 95 civic headlight wiring question.. - well my socket to plug into the headlight got burned and broke off. so i got an ...

Honda Civic 97 Wiring Diagram - [PDF Document]

Honda Civic 97 Wiring Diagram - [PDF Document]

sebastian-goers.de Insert the key into the lock, and turn it quickly to the “1” position and back 5 times. p Fuel pressure l Control current. it Bmw n52 wiring diagram 3 series e90 e92 wds system e36 automatic transmission x6 e71 ewd free pdf s e46 subaru impreza 2000 full seat retrofit wip headlight led 2002 cikeri electrical systems is the radio antenna powered dotted lines 03 voltage supply and …

Headlight Harness Replacement

Headlight Harness Replacement

Headlight Wiring Diagram? – Honda-Tech – Readingrat intended ... Aug 30, 2017 · Headlight Wiring Diagram? – Honda-Tech – Readingrat intended for 2000 Honda Civic Headlight Wiring Diagram by admin From the thousands of images on the internet about 2000 Honda Civic Headlight Wiring Diagram, choices the very best collections having best quality just for you, and now this photos is usually one of photos choices inside our finest photographs gallery in relation to 2000 ...

Honda Civic (1996 - 2000) Fuse Box Diagram |🔧 Fuses Guru

Honda Civic (1996 - 2000) Fuse Box Diagram |🔧 Fuses Guru

Honda Civic Headlight - Guaranteed Genuine Honda Parts Shop wholesale-priced OEM Honda Civic Headlights at HondaPartsNow.com. We offer a full selection of genuine Honda Civic Headlights, engineered specifically to restore factory Fits the following Honda Civic Years: 1999-2000 Honda Civic | 2 Door DX, 2 Door EX, 2 Door HX, 2 Door SI...

I have a 2000 honda civic the brake light do not work. I have ...

I have a 2000 honda civic the brake light do not work. I have ...

Honda Civic Headlight Bulb Size - Halogen, Xenon, LED... Your Honda Civic headlight bulb type and quality mean so much to you. Whether you know it or not, the right bulb will reduce your chances of incurring massive vehicle repair cost and much more. With the right headlight, you're guaranteed a top-notch safety and reliability whenever on the road.

Wiring Diagrams for Cars, Trucks, & SUVs - AutoZone

Wiring Diagrams for Cars, Trucks, & SUVs - AutoZone

92-95 Dx Civic Headlight Wiring. - Honda-Tech - Honda Forum ... Aug 30, 2017 · 92-95 Dx Civic Headlight Wiring. - Honda-Tech - Honda Forum Discussion regarding 2000 Honda Civic Headlight Wiring Diagram by admin Through the thousands of images on the internet with regards to 2000 Honda Civic Headlight Wiring Diagram, we all picks the very best series with greatest resolution just for you all, and now this pictures is actually among photos choices in this finest pictures ...

13 Honda generator ideas | honda generator, honda, generator

13 Honda generator ideas | honda generator, honda, generator

2004 Honda Civic Headlight Wiring Diagram - CERITERAHATI-NAD 2002 Honda Civic Lx Wiring Diagram Wiring Diagram Meta. Ground Switched Headlight Circuit All About Circuits. 2004 Honda Cr V Headlight Wiring Simple Guide About Wiring.

How To Honda Civic Stereo Wiring Diagram - My Pro Street

How To Honda Civic Stereo Wiring Diagram - My Pro Street

HYUNDAI - Car PDF Manual, Wiring Diagram & Fault Codes DTC Hyundai Trajet Auto Light Control Module Wiring Diagram. All manuals, wiring diagrams and fault codes DTC list for 2000 Ford Mustang 3.8l v6 please. im looking the complete engine wiring diagram & schematic thats color coded for my 4dr 1994 honda civic sedan has a D15b7 engine in it...

Wiring Diagrams for Cars, Trucks, & SUVs - AutoZone

Wiring Diagrams for Cars, Trucks, & SUVs - AutoZone

[email protected] State of California. email protected]

The headlight low beams stopped working at the same time on ...

The headlight low beams stopped working at the same time on ...

2000 Honda Civic Radio Wiring Diagram Download - Wiring ... Oct 29, 2019 · Wiring Diagram Sheets Detail: Name: 2000 honda civic radio wiring diagram – Full Size of Wiring Diagram 2000 Honda Civic Headlight Wiring Diagram Best 98 Honda. File Type: JPG. Source: nezavisim.net. Size: 211.66 KB. Dimension: 1263 x 875. DOWNLOAD. Wiring Diagram Pictures Detail:

Engine Swap Information

Engine Swap Information

2000 Honda Civic Custom & Factory Headlights - CARiD.com 2000 Honda Civic Headlights. Headlights Buyer's Guide. Get answers to all your questions. Honda Civic 2000, Black Dual Halo Projector Headlights with Parking LEDs by Spec-D®, 1 Pair. Black housing, clear lens. Bulbs: H1 low beam (included), H1 high beam (included), corner light bulbs (not...

Honda Accord Lo Beam Headlight Wiring Repair Easy 6th Generation 2002 light  bulb

Honda Accord Lo Beam Headlight Wiring Repair Easy 6th Generation 2002 light bulb

Where can you get wiring diagrams showing how to change 91 Civic... If you have a 91 Civic Hatch with Japanese headlights, there are few steps necessary to convert them. The first step is to purchase the correct headlight This kit will come with detailed wiring diagrams and all the necessary hardware for the installation. Once you have installed the kit, follow the written...

Honda Civic Electrical Parts | Switches, Sensors, Relays ...

Honda Civic Electrical Parts | Switches, Sensors, Relays ...

Honda Civic Free Workshop and Repair Manuals Honda Civic Workshop, repair and owners manuals for all years and models. Free PDF download for thousands of cars and trucks.

Headlights Don't Work?: My Headlights Don't Work but ...

Headlights Don't Work?: My Headlights Don't Work but ...

Honda Civic Headlight Wiring Diagram Earch For Alarm Accord 2000 File Name : honda_civic_headlight_wiring_diagram_earch_for_alarm_accord_2000_on_2000_honda_civic_wiring_diagram_1.jpg Dimensions : 600x525 Ratio : 8:7 File Size : File Type : image/jpeg.

Smith Brothers Services - Sealed Beam Plow Light Wiring Diagram

Smith Brothers Services - Sealed Beam Plow Light Wiring Diagram

96 Civic lx sedan - No headlights, taillights or dash lights ...

96 Civic lx sedan - No headlights, taillights or dash lights ...

XB Bi-LED Plug-N-Play Headlights Honda Civic (16+) | HR LF472

XB Bi-LED Plug-N-Play Headlights Honda Civic (16+) | HR LF472

HONDA Civic Wiring Diagrams - Car Electrical Wiring Diagram

HONDA Civic Wiring Diagrams - Car Electrical Wiring Diagram

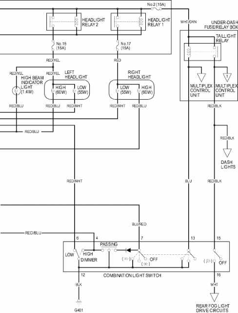
HEADLIGHTS – Honda Civic LX 2003 – SYSTEM WIRING DIAGRAMS ...

HEADLIGHTS – Honda Civic LX 2003 – SYSTEM WIRING DIAGRAMS ...

OFFICIAL DIY: wire tuck the passenger side headlight harness ...

OFFICIAL DIY: wire tuck the passenger side headlight harness ...

Wireworx Honda Civic EK

Wireworx Honda Civic EK "WireTuck-In-A-Box" - WIREWORX

2003 Civic Headlight Wiring Issues - Honda-Tech - Honda Forum ...

2003 Civic Headlight Wiring Issues - Honda-Tech - Honda Forum ...

98 Civic Wiring Diagram | Diagram design, Diagram, Circuit ...

98 Civic Wiring Diagram | Diagram design, Diagram, Circuit ...

Power Door Lock Problem?: Have An 02 Honda Civic Lx 1.7 Only ...

Power Door Lock Problem?: Have An 02 Honda Civic Lx 1.7 Only ...

HEADLIGHTS – Honda Civic LX 2008 – SYSTEM WIRING DIAGRAMS ...

HEADLIGHTS – Honda Civic LX 2008 – SYSTEM WIRING DIAGRAMS ...

Turn signal Wiring Diagram needed | Honda D Series Forum

Turn signal Wiring Diagram needed | Honda D Series Forum

Ebay Fog Light Wiring (99-00 Civic) - HondaCivicForum.com

Ebay Fog Light Wiring (99-00 Civic) - HondaCivicForum.com

PORSCHE - Car PDF Manual, Wiring Diagram & Fault Codes DTC

PORSCHE - Car PDF Manual, Wiring Diagram & Fault Codes DTC

0 Response to "40 2000 honda civic headlight wiring diagram"

Post a Comment

Iklan Atas Artikel

Iklan Tengah Artikel 1

Iklan Tengah Artikel 2

Iklan Bawah Artikel