Iklan 300x250

40 cub cadet lt1018 drive belt diagram

LT 1018 (13AL11CG710) - Cub Cadet 42" Lawn Tractor Drive ... Drive System diagram and repair parts lookup for Cub Cadet LT 1018 (13AL11CG710) - Cub Cadet 42" Lawn Tractor. The Right Parts, Shipped Fast! ... Belt, V Type, Poly Ax 79.2 Lg (Superseded to 954-0640) ... Page 22 of Cub Cadet Lawn Mower LT1018 User Guide ... Cub Cadet LT1018 Lawn Mower User Manual. electric PTO and properly replace the drive belt. be replaced if any signs of wear are present. specially designed to engage and disengage safely. A. disengaging completely. For a proper working machine, use factory approved belts. section.

Cub cadet lt1018 pto belt diagram Cub Cadet Lt1018 Pto Belt Diagram If you're looking for cub cadet lt1018 pto belt diagram pictures information related to the cub cadet lt1018 pto belt diagram topic, you have come to the ideal site. Our website always gives you hints for refferencing the maximum quality video and image content, please kindly surf and find more informative video articles and images that fit your interests.

Cub cadet lt1018 drive belt diagram

Cub cadet lt1018 drive belt diagram

Cub Cadet Lt1018 Pto Belt Replacement - Diagram Niche Ideas Cub cadet lt1018 pto belt replacement. Belt sizes for cub cadet lawn and garden belts. Cub cadet spindle drive belt. Drive belt fits models 1500 series lawn tractor with hydrostatic transmission; Oem warranty repair part for cub cadet. Fits many rzt and xt1 machines and many more. PDF Cub Cadet Lt1018 Owners Manual - blog.ebooks.com Get Free Cub Cadet Lt1018 Owners Manual e-Books and the ability to search using subject, title and author. Unscrapping: Cub Cadet LT1018 Cub Cadet LT1018 Transmission Drive Belt Replacement Cub Cadet 1018 Service \u0026 starter solenoid issues Page 5/37 Cub Cadet Parts Diagrams, Cub Cadet LT1018 Tractor ... Buy Genuine OEM Cub Cadet parts for your Cub Cadet LT1018 Tractor 13AB11CG710 13AB11CG712 13AL11CG710 13AL11CG712 13AX11CG710 LT1018 13AX11CG712 LT1018 and ship today! Huge in-stock inventory of OEM Cub Cadet parts.

Cub cadet lt1018 drive belt diagram. Cub Cadet Belt Sizes - Outdoor Belt Info Belt sizes for Cub Cadet lawn and garden belts. Application, parts number, and belt sizes available. Cub Cadet Lt1042 Drive Belt Diagram Thread the transmission drive belt around the engine pulley, following the configuration in the photo or diagram. Reconnect the PTO Power Source and Deck. Cub Cadet MTD Drive belt LT, , , LT, SLT Image. diagramweb.net - Select Cub Cadet LT (13BX11CG, 13BX11CG, 13BX11CG, 13AX11CG, 13AX11CG) - Cub Cadet Lawn Tractor ( & before) Diagrams and order ... How to Change Cub Cadet Lt1018 Drive Belt | eHow The Cub Cadet LT1018 Hydrostatic Lawn Tractor is a riding lawnmower from Cub Cadet. Like any mower, it will need periodic maintenance, including a new drive belt. The process of doing this type of work on a lawn mower can be dangerous if proper safety procedures are not followed. Cub Cadet Lt1018 Belt Routing - Wiring Diagram Pictures How to Change Cub Cadet Lt Drive Belt. The Cub Cadet LT Hydrostatic Lawn Tractor is a riding lawnmower from Cub Cadet. Like any mower , it will.6 product ratings - CUB CADET Transmission Drive Belt For LT LT LT LT LT New $ Trending at $ Trending price is based on prices over last 90 days.

ARIMain - Weingartz Cub Cadet Parts Lookup -Cub Cadet-LT1018 Tractor 13AB11CG710 13AB11CG712 13AL11CG710 13AL11CG712 13AX11CG710 LT1018 13AX11CG712 LT1018 Cub Cadet LT1018 Transmission Drive Belt Replacement - YouTube How to get the new drive belt over the engine pulley. How to get the new drive belt over the engine pulley. Cub Cadet Z-Force Zero Turn Belt Diagram Cub Cadet Z-Force 44 Wiring-Diagram. Cub Cadet Zero Turn Schematic. Cub Cadet Mower Deck Belts. Cub Cadet RZT 42 Drive Belt Diagram. PTO Belt Diagram for Cub Cadet Z-Force 48. Cub Cadet Zero Turn 50 Inch Mower. Zero Turn Cub Cadet Lawn Mowers. Cub Cadet Transmission Drive Belt Diagram. Cub Cadet 1018 Belt Diagram - Wiring Diagrams Cub Cadet 1018 Belt Diagram. Cub Cadet LT Diagrams and Manuals. Shop for Cub Cadet LT Parts. Factory Direct from Cub Cadet. Figure Figure Changing The Transmission Drive Belt. NOTE: An air/ impact wrench is needed to remove the. electric PTO and properly replace the drive. wiringall.com - Order Genuine Cub Cadet Parts for the Cub Cadet LT ...

Cub Cadet Lt1018 Deck Belt Diagram - wiringall.com Cub Cadet Lt1018 Deck Belt Diagram. Garden product manuals and free pdf instructions. Find the user manual you need for your lawn and garden product and more at ManualsOnline. Buy Genuine OEM Cub Cadet parts for your Cub Cadet LT Tractor 13AB11CG 13AB11CG 13AL11CG 13AL11CG 13AX11CG LT 13AX11CG LT mower deck Cover-Belt. Price Loading, Add to Cart. Cub cadet lt1045 drive belt diagram Cub Cadet Lt1045 Drive Belt Diagram If you're looking for cub cadet lt1045 drive belt diagram pictures information related to the cub cadet lt1045 drive belt diagram keyword, you have visit the right site. Our site frequently gives you hints for viewing the highest quality video and image content, please kindly search and locate more informative video content and graphics that match your ... Amazon.com : 8TEN PTO Belt for Cub Cadet 1180 LT1018 1170 ... Drive Belt Compatible with MTD Cub Cadet 954-0461 754-0461 GT1554 LT1018 LT1022 LT1024 LT1042 LT1045 LT1046 LT1050 SLT1550 SLT1554 GT1554VT Lawn Tractors 4.3 out of 5 stars 52 2 offers from $15.71 How to Change Cub Cadet Lt1018 Drive Belt - YouTube How to Change Cub Cadet Lt1018 Drive Belt. The Cub Cadet LT1018 Hydrostatic Lawn Tractor is a riding lawnmower from Cub Cadet. Like any mower, it will need p...

Cub Cadet LT1018 Hydrostatic Lawn Tractor | Partswarehouse

Cub Cadet LT1018 Hydrostatic Lawn Tractor | Partswarehouse

Cub Cadet Lt1018 Deck Belt Diagram - schematron.org How to get the new drive belt over the engine pulley. schematron.org - Select Cub Cadet LT Tractor Diagrams and order Genuine Cub Cadet Displaying sections and components for the Cub Cadet LT Tractor Mower Deck 42" Always check your oil level, air filter, fuel level, belts and verify that nothing has fallen into the snow blower chute before you start.

SOLVED: Cub cadet m60-kh the PTO belt keeps jumping off - Fixya

SOLVED: Cub cadet m60-kh the PTO belt keeps jumping off - Fixya

Cub Cadet Tractor | LT1018 | eReplacementParts.com We Sell Only Genuine Cub Cadet Parts. Cub Cadet LT1018 (13AL11CG710, 13AB11CG712, 13AB11CG710, 13AX11) Tractor Parts. Search within model. Questions & Answers ... Drive System. Fig # 2 Wheel Hub Assembly. $43.07 Part Number: 918-04228A. Ships in 4 - 9 business days

cub cadet zero turn drive belt diagram,pmsisolutions.com

cub cadet zero turn drive belt diagram,pmsisolutions.com

Projects - barivolley2018.it 99. 1 janv. A Short History of Cub Cadet super garden tractors The IH Super Garden Tractor The introduction of the “82 series” Cub Cadets in 1979 was a pretty large break in tradition for IH. 2 cu·in) single-cylinder gasoline engine and one of two transmissions: a gear type this is my 1968 cub cadet model 72.

Cub Cadet decks by crigby

Cub Cadet decks by crigby

Parts Lookup and OEM Diagrams | PartsTree LT 1018 (13AL11CG710) - Cub Cadet 42" Lawn Tractor. LT 1018 (13AL11CG712) - Cub Cadet 42" Lawn Tractor. LT 1018 (13AB11CG712) - Cub Cadet 42" Lawn Tractor. LT 1018 (13AB11CG710) - Cub Cadet 42" Lawn Tractor. LT 1018 (13AX11CG712) - Cub Cadet 42" Lawn Tractor.

Cub Cadet GT1554 Tractor Command Engine (14AK13CK) S/N 1K015 ...

Cub Cadet GT1554 Tractor Command Engine (14AK13CK) S/N 1K015 ...

cub cadet lt1018 deck belt diagram - stoneraymassage.com Availability: RZT Mower 42-inch Deck Belt. Cub Cadet 490489-R2 Lawn Mower Belt . Cub Cadet repair parts and parts diagrams for Cub Cadet LT 1018 (13AL11CG712) - Cub Cadet 42" Lawn

Cub Cadet LT1018 LT1022 Hydrostatic Lawn Tractor Operator ...

Cub Cadet LT1018 LT1022 Hydrostatic Lawn Tractor Operator ...

MTD/ Cub Cadet/ White LT1018 13AL11CG712 ... - V-Belt Guys MTD/ Cub Cadet/ White LT1018 13AL11CG712 (PTO to Deck) Riding Lawn Mower Replacement Belt Original Equipment Manufacturer MTD/ Cub Cadet/ White OEM Part Number 7540497 Machine Riding Lawn Mower Model LT1018 13AL11CG712 (PTO to Deck) Belt Type 4LK/AK Aramid VBG Replacement Id APPL677492 Technical Specifications: (Inches) (mm) Outside Circumference 60.00

Cub Cadet LT1018 Riding Lawn Mower BigIron Auctions

Cub Cadet LT1018 Riding Lawn Mower BigIron Auctions

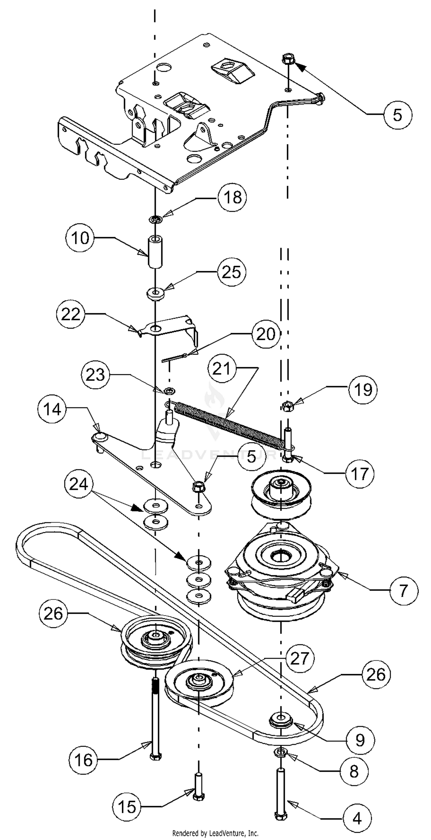
PDF Cub Cadet Parts Manual for Model LT1018 Tractor LT1018 Tractor Page 7 of 71 Drive System Ref # Part Number Qty S/P/F Description 44 747-1151 1 Rod, Control, Hydro 45 750-0535 1 S Spacer, .376 ID x .625 OD x .22 46 754-0640 Belt, V Type, Poly Ax 79.2 Lg (Use w/ 756-1166 Input Pulley) S/N 1A174H20368 & before 1 S 754-0461 Belt, V Type, Poly Ax 78 Lg (Use w/ 756-04111 Input Pulley) S/N ...

Riding Mower Drive Belt - Original Equipment Genuine Part (OEM)

Riding Mower Drive Belt - Original Equipment Genuine Part (OEM)

Riding Mower Drive Belt - OCC-754-0461 | Cub Cadet US Original Equipment Genuine Part (OEM) Item#: OCC-754-0461. $51.99. Fits Riding Mowers, Lawn and Garden Tractors. Fits LT1018, LT1022, LT1024, LT1042, LT1045, LT1046, LT1050, GT1554, GT1554 VT, SLT1550 and SLT1554. Availability: Delivery in 8-10 days. Pick up in 6-8 days. Ship to home in 8-10 days.

8TEN Drive Belt for Cub Cadet MTD XT1-GT50 954-05027A 754-05027 810-CBL2427T

8TEN Drive Belt for Cub Cadet MTD XT1-GT50 954-05027A 754-05027 810-CBL2427T

Cub Cadet LT1018 lawn tractor: review and specs - Tractor ... The Cub Cadet LT1018 is a 2WD lawn tractor from the LT1000 series. This tractor was manufactured by the Cub Cadet (a part of MTD) since 2004. The Cub Cadet LT 1018 is equipped with a 0.5 L single-cylinder gasoline engine and belt-driven hydrostatic transmission with infinite forward and reverse gears.

cub cadet 50 inch deck belt diagram,www ...

cub cadet 50 inch deck belt diagram,www ...

Cub Cadet Lt1018 Pto Belt Diagram Displaying sections and components for the Cub Cadet LT Tractor Power Take-Off (PTO) System. Find solutions to your deck belt diagram cub cadet lt question. Get free Question about 46" Deck Drive Belt for Lawn Tractors with Electric PTO After. We'll show you, step-by-step, how to do a PTO belt repair on a Cub Cadet riding lawn mower.

Cub Cadet LT1018 Tractor 13AB11CG710 13AB11CG712 13AL11CG710 ...

Cub Cadet LT1018 Tractor 13AB11CG710 13AB11CG712 13AL11CG710 ...

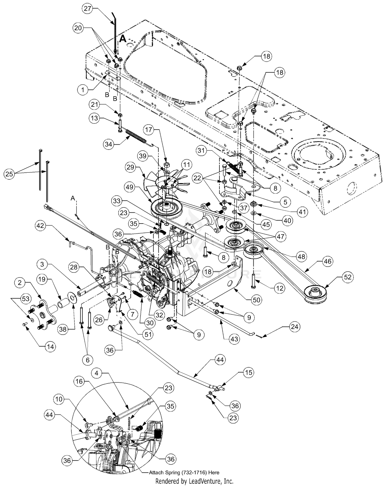
How to Change the PTO Belt on Your Riding Lawn ... - Cub Cadet Step 5: Remove the belt from the idler pulleys and engine pulley. Using both a 9/16" socket and wrench loosen, but do not remove, the idler pulley bolts. Step 6: Install the replacement belt. Place the belt in position as per the routing diagram. Step 7: Route the belt around the engine pulley. Step 8: Route the belt through the idler pulleys ...

Installation, Repair and Replacement of v-belts on Cub Cadet ...

Installation, Repair and Replacement of v-belts on Cub Cadet ...

Cub Cadet LT1018 Parts Manual - Cub Cadet Parts N More Cub Cadet LT1018 Manuals. Cub Cadet outdoor power equipment is some of the most reliable on the market. Your Cub Cadet products come with years of experience in designing some of the most technologically innovative and customer-focused equipment available. Your LT1018 model is constructed with solid steel and fit with a Briggs & Stratton or ...

cub cadet 50 inch deck belt diagram,www ...

cub cadet 50 inch deck belt diagram,www ...

Drive Belt for Cub Cadet LT1018, LT1022, LT1024, 754-0640 ... Cub Cadet: 1500 series lawn tractor with hydrostatic transmission; LT1018, LT1022 and LT1024 with 46" deck. Specs: Belt Application: Drive. Belt Type: Covered. Width: 1/2". Length: 79". Packaging Type: Branded sleeve. Additional Information: Click here to visit our Cub Cadet Category.

Cub Cadet LT1018 Riding Lawn Mower BigIron Auctions

Cub Cadet LT1018 Riding Lawn Mower BigIron Auctions

Cub Cadet Parts Diagrams, Cub Cadet LT1018 Tractor ... Buy Genuine OEM Cub Cadet parts for your Cub Cadet LT1018 Tractor 13AB11CG710 13AB11CG712 13AL11CG710 13AL11CG712 13AX11CG710 LT1018 13AX11CG712 LT1018 and ship today! Huge in-stock inventory of OEM Cub Cadet parts.

Cub Cadet LT1018 Tractor 13AB11CG710 13AB11CG712 13AL11CG710 ...

Cub Cadet LT1018 Tractor 13AB11CG710 13AB11CG712 13AL11CG710 ...

PDF Cub Cadet Lt1018 Owners Manual - blog.ebooks.com Get Free Cub Cadet Lt1018 Owners Manual e-Books and the ability to search using subject, title and author. Unscrapping: Cub Cadet LT1018 Cub Cadet LT1018 Transmission Drive Belt Replacement Cub Cadet 1018 Service \u0026 starter solenoid issues Page 5/37

Cub Cadet LT1018 Tractor 13AB11CG710 13AB11CG712 13AL11CG710 ...

Cub Cadet LT1018 Tractor 13AB11CG710 13AB11CG712 13AL11CG710 ...

Cub Cadet Lt1018 Pto Belt Replacement - Diagram Niche Ideas Cub cadet lt1018 pto belt replacement. Belt sizes for cub cadet lawn and garden belts. Cub cadet spindle drive belt. Drive belt fits models 1500 series lawn tractor with hydrostatic transmission; Oem warranty repair part for cub cadet. Fits many rzt and xt1 machines and many more.

Cub Cadet LT1018 Hydrostatic Lawn Tractor | Partswarehouse

Cub Cadet LT1018 Hydrostatic Lawn Tractor | Partswarehouse

Cub Cadet LT1018 Hydrostatic Lawn Tractor | Partswarehouse

Cub Cadet LT1018 Hydrostatic Lawn Tractor | Partswarehouse

Cub Cadet LT1018 Tractor 13AB11CG710 13AB11CG712 13AL11CG710 ...

Cub Cadet LT1018 Tractor 13AB11CG710 13AB11CG712 13AL11CG710 ...

cub cadet drive belt tension spring diagram,Free delivery,OFF ...

cub cadet drive belt tension spring diagram,Free delivery,OFF ...

Transmission Belt / Fan Replacement Cub Cadet LTX1045 : 9 ...

Transmission Belt / Fan Replacement Cub Cadet LTX1045 : 9 ...

Cub Cadet LT1018 Tractor 13AB11CG710 13AB11CG712 13AL11CG710 ...

Cub Cadet LT1018 Tractor 13AB11CG710 13AB11CG712 13AL11CG710 ...

Drive Pulley Bearings For MTD 756-0638 756-1202 Cub Cadet ...

Drive Pulley Bearings For MTD 756-0638 756-1202 Cub Cadet ...

Troybilt 14AT809H766 User Manual GARDEN TRACTOR Manuals And ...

Troybilt 14AT809H766 User Manual GARDEN TRACTOR Manuals And ...

How to replace a cub cadet drive belt

How to replace a cub cadet drive belt

cub cadet 50 inch deck belt diagram,www ...

cub cadet 50 inch deck belt diagram,www ...

Mower Drive Double Pulley & Bearings For 42

Mower Drive Double Pulley & Bearings For 42" Deck Cub Cadet LT1018 MTD 756-1202 | eBay

44103 Oregon Drive Pulley Bearing For 42 Inch Lawn Mower ...

44103 Oregon Drive Pulley Bearing For 42 Inch Lawn Mower ...

cub cadet pto belt diagram,yasserchemicals.com

cub cadet pto belt diagram,yasserchemicals.com

Cub Cadet LT1018 Hydrostatic Lawn Tractor | Partswarehouse

Cub Cadet LT1018 Hydrostatic Lawn Tractor | Partswarehouse

Cub Cadet LT1018 Steering Plate Clutch Plate & Lever Shaft Assembly | eBay

Cub Cadet LT1018 Steering Plate Clutch Plate & Lever Shaft Assembly | eBay

Tiger Cat Belts

Tiger Cat Belts

Page 21 of Cub Cadet Lawn Mower LT1018 User Guide ...

Page 21 of Cub Cadet Lawn Mower LT1018 User Guide ...

Page 22 of Cub Cadet Lawn Mower LT1018 User Guide ...

Page 22 of Cub Cadet Lawn Mower LT1018 User Guide ...

Cub Cadet LT1018 Transmission Drive Belt Replacement

Cub Cadet LT1018 Transmission Drive Belt Replacement

Replace deck belt on 1170 cub cadet | My Tractor Forum

Replace deck belt on 1170 cub cadet | My Tractor Forum

Buy 8TEN PTO Belt for Cub Cadet 1180 LT1018 1170 Troy Bilt ...

Buy 8TEN PTO Belt for Cub Cadet 1180 LT1018 1170 Troy Bilt ...

CUB CADET LT1018 - Lot #GG3846, Agricultural Equipment ...

CUB CADET LT1018 - Lot #GG3846, Agricultural Equipment ...

Transmission belt broke on my LT155 lawn tractor, put a new ...

Transmission belt broke on my LT155 lawn tractor, put a new ...

cub cadet 50 inch deck belt diagram,www ...

cub cadet 50 inch deck belt diagram,www ...

0 Response to "40 cub cadet lt1018 drive belt diagram"

Post a Comment

Iklan Atas Artikel

Iklan Tengah Artikel 1

Iklan Tengah Artikel 2

Iklan Bawah Artikel