37 ford m5r2 transmission diagram
PDF Application Identification Description Lubrication ... M5OD-R2 transmission is identified by an "M" code on label. DESCRIPTION This Mazda built transmission is a fully synchronized, 5-speed, top shift transmission. Fifth gear is an overdrive ratio. All gear changes, including reverse are accomplished with synchronizer sleeves. Transmission case is aluminum alloy with steel bearing race inserts. M5R2 Manual Transmissions - Midwest Transmission Center, Inc. This transmission has a tapered front input shaft bearing that is 90mm OD. The M5R2 has a cast iron rear bearing retainer. Three rubber plugs are used on the shift tower. It is suggested that you inspect the 5th/reverse assembly for updates before ordering parts. Free M5R2 5 Speed manual transmission Parts Illustration
Ford/ Mazda M5R2 trans good or bad | The H.A.M.B. My OT 94 F150 went through two M5R2's by the time the truck had 215K on it. It's a weak transmission for true truck use. It might be fine for just cruising around. I've seen M5's go for cheap but I replaced mine with a ZF S5-42 for piece of mind.
Ford m5r2 transmission diagram
M5OD Mazda Design Manual Five Speed Transmission ... On the top backside of the transmission you will find the three rubber plugs that need to be replaced and sealed. To get to them you will need to remove the top cover of the transmission, which is held in place by 10 bolts. Before you remove the bolts make sure to clean the top of the transmission thoroughly with brake cleaner. M5od R2 Transmission Parts, Ford Mazda M5r2 Ford Series Vans Ford Mazda HD Ranger R2 Engine Diagram Ranger M5od Midwest Transmission Center is an Automotive Rebuilder and Re-manufacturer Can Help You With Your M5R1 Manual Transmission. North America. VoyForums Announcement, Programming and providing support for this service has been a labor of love since 1997. Amazon.com: M5R2 5 speed F150 Bronco Shifter Stub Kit ... JSD RB001 Shift Boot for Ford F150 F250 F350 F5TZ7277BA Manual Transmission Shifter Boot with Mounting Bracket for Ford Bronco 219 2 offers from $44.50 Product Description Ford M5R2 5 speed shifter stub kit. Repairs loose and worn out shifters allowing for better shifting and reduced slop. Product information Technical Details
Ford m5r2 transmission diagram. PDF Ford M5OD Manual Transmission Shop Manual The M5OD is a top-shift, fully-synchronized, five-speed manual transmission (7003), equipped with an overdrive fifth gear ratio. All gear changes (including reverse) are accomplished with synchronizer sleeves. The case (7005), case cover (7222), and extension housing (7A039) are constructed of aluminum alloy. M5R2 5-Speed Transmission Swap Into 67-72 F100 ... My 1967 Ford F100 was purchased in June of 1998. It had a worn out 352 and a C-6 transmission in it. I swapped in a built 351 Cleveland backed by a C-6 with a stall converter and 9-inch center section with a Detroit Locker and 4.11 gears. This was a fun combination in my short bed! Ford Truck Manual Transmissions - Blue Oval Trucks M5R2: Mazda built 5 speed fully synchronized transmission found in 1988 to present Ford F150 series trucks and full size Broncos. Aluminum case, extension housing, and shift cover, with integral bell housing. Very similar in design to M5R1, but larger with shift lever located in center of shift cover. Available in 2 and 4WD versions. 1995 and ... M5R1/M5R2 Manual Transmission Teardown Teaser - YouTube Rebuild your transmission using only tools already in your shop!This video is a teaser of what we have for sale on our website. In our video we help you tea...
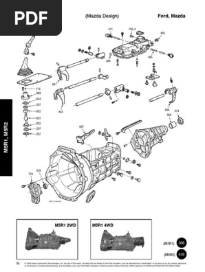
Transmission Parts Diagrams - RSGear Ford/Mitsubishi. FM145-6 Forks. FM145-6 Case. GM. SM465 4-SPD. New Process. 435. 535. 535 Gear Train. 535 Case. New Venture. 1500 Shift Mechanisms Case Components. 1500 Gear Train. 3500. 3550 Gear Train. 4500. 5600 Gear. Peugeot. AX18. Tremec T-56. CORVETTE F-BODY Camaro, Firebird VIPER Pontiac GTO MUSTANG CADILLAC CTS-V. T-56. T-56 ... Diagram of a ford f150 manual transmission - Fixya Ford F-150 Cars & Trucks. Diagram of front end for '94 F150 Ford. 1994 Ford F150 Styleside Supercab. I need an F150 trailer towing wiring diagram. 2001 Ford F150 Styleside SuperCrew. Firing order for 1994 f150 v8 302 engine. 1994 Ford F150 Styleside Supercab. Where is the horn. 2002 Ford F150 Regular Cab. [PDF] Ford m5r2 transmission repair manual - read & download Ford M5r2 Transmission Repair Manual If you are looking for a ebook Ford m5r2 transmission repair manual in pdf format, then you've come to the correct site. We presented utter option of this ebook in txt, ePub, PDF, DjVu, doc forms. You can reading online Ford m5r2 transmission repair manual either downloading. M5r1 Diagram M5r1 Diagram Below find a parts illustration for the Ford Mazda M5R1 and M5R25 speed manual transmission used in Free Ford M5R1 and M5R2 5 Speed Parts Schematic. Transmission model M5R1 Mazda built (top loader integral bell housing and tower shift) and M5R2 5 speed unit are shown in the following illustrations.
1987-1998 Ford F-150 Transmission Rebuild Kit for Sale This 1987-1998 Ford F-150 transmission rebuild kit is perfect when your F-150 needs a new transmission. You can identify this transmission by the tags on side "E87TA, E97TA, FOTA." This transmission has an aluminum case and an aluminum top cover. Note this transmission is called M5R2 or M5OD or Mazda Type. Ford M5R2 RKE 5-Speed Manual & Rebuild Kits Online Browse through our M5R2 / RKE 5-speed transmission parts subcategories, and you'll have access to a wide selection of Ford bearing kits, Ford shifter parts, Ford bushings and an M5R2 rebuild kit. Designed for and factory-installed in lighter-duty trucks like the Ford F15, the M5R2 transmission was also used in Ford Thunderbird SC models. Ford 5 Speed Transmission Repair Parts M5R2-Diagram Home > Transmission Parts > Ford Transmission Parts > M5R2 / RKE 5 Speed Transmission Parts > M5R2 Diagram / Drawing. PDF Ford M5r1 Manual Transmission - cms.nationnews.com Ford M5R1 5-Speed Transmission Parts Drivers of older model (post-1988) Ford Bronco II, Rangers, Explorers and Mazda B-Series pick-ups with the Ford/Mazda M5R1 5-speed manual transmission will find the M5R1 transmission parts they need as replacements right here at Allstate Gear at
Ford F150 Manual Transmission - Best Manual Transmission ... About Ford F150 Manual Transmission. Buy Ford F150 Manual Transmission online and get Free Next Day Delivery on qualified purchases, or pick up your parts at a nearby AutoZone today. YEAR RANGE FOR FORD F150 BY MODEL.
Ford Manual Transmission Parts illustrations (exploded ... Ford S6-650 6 speed Overhaul Kit. M5R2 Ford Manual Transmission Parts. Toyo Kogyo 4 and 5 sp Overhaul Kit. T19 Borg Warner Manual Transmission Parts. Borg Warner T18 T19 Overhaul Kit. T87 Borg Warner Manual Transmission Parts. T96 Borg Warner Manual Transmission Parts. T98 Borg Warner Manual Transmission Parts.
PDF Ford M5r2 Transmission Repair Manual - elearning.saem.org Ford M5r2 Transmission Repair Manual Author: elearning.saem.org-2022-04-06T00:00:00+00:01 Subject: Ford M5r2 Transmission Repair Manual Keywords: ford, m5r2, transmission, repair, manual Created Date: 4/6/2022 7:50:25 AM
Ford Mazda Manual Transmissions M5R1 & M5R2 Parts ... M5R1 & M5R2 Parts illustration Quality parts guaranteed! OE Replacements. Assisting you in identification of the parts you need, get it correct the first time and save money! Transmission model M5R1 Mazda built (top loader integral bell housing and tower shift) and M5R2 5 speed unit are shown in the following illustrations:
M5R2 M5OD-R2 RKE 5-SPEED - Transmission Parts Distributors G56 M5R2 RKE TRANSMISSION INPUT SHIM KIT FITS FORD '87+ & DODGE '05+ (M5R2-SMK) TPD PRO-LINE $34.77 $39.99 Add to Cart Compare GASKET MAKER & GEAR MARKING COMPOUND KIT for MANUAL TRANSMISSION, TRANSFER CASE, OR DIFFERENTIAL RICHMOND GEAR $13.77 $18.99 Add to Cart Compare GEAR MARKING COMPOUND 3 GRAM HANDY PACK TPD PRO-LINE $5.98 $9.99 Add to Cart
Mazda M5OD transmission - Wikipedia The M5OD (Mazda 5-speed with Over Drive) is a line of manual transmissions produced by Mazda and used in Mazda and Ford cars and trucks. Two variants, light-duty R1 and medium duty R2, were made. R1 transmissions have been used in the Ford Ranger, Explorer, Aerostar, and Bronco II.
Ford M5OD truck trans info - Core Shifters The true names are M5OD-R1 and M5OD-R2 but many people shorten this to M5R1 and M5R2. This gets more confusing because the moniker M5OD, which simply means manual 5 speed w/ overdrive, was used within Ford to loosely describe other transmissions too. For example, the ZF S5-42 & S5-47 found in heavier 1987-2001 full-size trucks (GVWR>8500) is ...
Manual / Standard Transmission - M5r1 Ford & Mazda 5-speed ... m5r1 transmission parts & rebuild kits ford & mazda. 6304n bearing fits suzuki samurai, t40 t50 t51 f4w70b fs5w60a fs5w71c fti5 mx5 m5r1 m5r2 transmission rear counter shaft bearing fits ford mazda nissan toyota (6304-n)
Assembly Diagrams Parts Illustrations - Midwest ... Selecting the correct button below will lead you to the Transmission and Transfer Case Assembly Diagrams & Parts Illustrations you need. You can view it or feel free to print and use for your reference. Click Here for TRANSMISSIONS Click Here for TRANSFER CASES Maple Grove Location 1-800-444-0755 info@midwesttrans.com
Amazon.com: M5R2 5 speed F150 Bronco Shifter Stub Kit ... JSD RB001 Shift Boot for Ford F150 F250 F350 F5TZ7277BA Manual Transmission Shifter Boot with Mounting Bracket for Ford Bronco 219 2 offers from $44.50 Product Description Ford M5R2 5 speed shifter stub kit. Repairs loose and worn out shifters allowing for better shifting and reduced slop. Product information Technical Details
M5od R2 Transmission Parts, Ford Mazda M5r2 Ford Series Vans Ford Mazda HD Ranger R2 Engine Diagram Ranger M5od Midwest Transmission Center is an Automotive Rebuilder and Re-manufacturer Can Help You With Your M5R1 Manual Transmission. North America. VoyForums Announcement, Programming and providing support for this service has been a labor of love since 1997.

Compatível com transmissão Ford M5R2 M5OD F-150 Rolamento revisão reconstruirmos Kit De Vedação 33T | eBay
M5OD Mazda Design Manual Five Speed Transmission ... On the top backside of the transmission you will find the three rubber plugs that need to be replaced and sealed. To get to them you will need to remove the top cover of the transmission, which is held in place by 10 bolts. Before you remove the bolts make sure to clean the top of the transmission thoroughly with brake cleaner.
0 Response to "37 ford m5r2 transmission diagram"
Post a Comment