Iklan 300x250

39 s&s oil pump diagram

A brief history of the Harley-Davidson Evolution Engine ... It is hard to imagine a world without Harley-Davidson making motorcycles, but the truth is the company was very close to going bankrupt in the 1980s. After purchasing Harley-Davidson in 1969, American Machine and Foundry (AMF) had severely damaged the brand's image and reputation.Decisions to cut the workforce and streamline production resulted in a lower quality product and disgruntled ... Signs & Symptoms of a Defective Crankcase Breather on a ... Oil leaks are the most common symptom of a defective lawnmower crankcase breather. Over time, filters may become clogged with dust and other debris, which restricts airflow and allows pressure to build. This leads to blown seals and gaskets, causing oil leaks. After cleaning the crankcase breather, the blown seal or gasket will have to be ...

Motorcycle Manuals PDF, Wiring Diagrams, DTC The appearance of the device is more than just catchy. It stands out even against the backdrop of stylish choppers and cruisers of such a legendary brand as Harley Davidson.The main feature of the motorcycle is a double tank in the Venomous style and a high-raised steering wheel ala soft-style (typical for choppers.). As for the Slammer power unit, it is V-shaped and consists of two cylinders ...

S&s oil pump diagram

S&s oil pump diagram

U.S. energy facts explained - consumption and production ... In 2009, the trend reversed and production began to rise, and in 2019, U.S. crude oil production reached a record high of 12.25 million barrels per day. More cost-effective drilling and production technologies helped to drive the production increases, especially in Texas and North Dakota. U.S. crude oil production declined to about 11.31 ... Chemical Engineering Archive | March 23, 2022 | Chegg.com 2. (3 points) A control system has the following transfer functions in its block diagram: -5 = A control system has the following transfer functions in its block diagram: 2 Y(s) U(S) + D(s) (s + 2) (s Keeping oil clean with offline filtration - EPS Oil is sucked from the system tank via the pump into the filter housing and forced through the filter insert from the outside and towards the center. On its way through the filter insert, particles in the oil will be trapped, water and acid absorbed and oxidation residues/varnish retained.

S&s oil pump diagram. Condensate - Morvarid Persian Oil Company The natural gas condensate is also called condensate, or gas condensate, or sometimes natural gasoline because it contains hydrocarbons within the gasoline boiling range, and is also referred to by the shortened name condy by many workers on gas installations. Raw natural gas may come from any one of three types of gas wells: [1] [2] Crude oil ... Pump Removal Sportster Oil [JORH1D] S&S Oil pump installation instructions 8. The check ball on the oil pump may stick or leak allowing oil from the tank to fill the crankcase. First drain the oil tank. a 1988 Sportster. Remove plugs and with rear wheel off of the ground , turn motor over until oil is returning to tank. (PDF) A Lagrange Relaxation Based Decomposition Algorithm ... whole oil and gas production process include five parts: optimization of oil well start-up and shutdown operation, optimization of electric submersible pump energy consumption, Processes 2021 , 9 ... VIDEO: Triumph 650 Motorcycle Engine ... - Lowbrow Customs Once the timing's set, we can put our new oil pump on. I do like to use new oil pumps. I know there's a little test in the book where it tells you to put your fingers over the hole and pull on the plungers, blah, blah, blah. Well, after I've done all this other work, I don't really want to use the oil pump. We stock this very nicely made, made ...

How Much Oil Does A Chevy Impala Need? [Comprehensive Answer] A large V8 engine will need anywhere from 7 to 7.5 liters of oil or 7.9 quarts, give or take. How many quarts of oil does a 2013 Chevy Impala 3.6 take? Capacity: 6 quarts. (with filter)After refill check oil level. How many quarts of oil does a 2012 Chevy Impala with a 3.6 hold? 6 quarts Capacity: 6 quarts (with filter)After refill check oil level. soup up a 1976 Fleetwood (more of a sleeper; not hot rod ... This series of engines can be thought of as an update to the Chrysler RB engines 413/426W and 440. Both share distributors in front and external oil pump. The Cadillac engine is lighter but gets it's strength from a more modern casting using better block alloy. Have someone old look at the distributor mechanical advance to make sure it isn't stuck. Effect of hydraulic oil compressibility on the volumetric ... The compression and expansion of hydraulic oil have a dominant influence on the volumetric efficiency, resulting in a loss of 37% of volumetric efficiency as compared to 2.4%, 18% and 1%, respectively for losses associated with clearance volume, superheating of suction gas and pressure loss, for a diagram compressor under refueling conditions ... Michael Neals Technical Advice - Jag-lovers Just like the oil pump pressure regulator valve set up in an engine. If the oil pump volume is more than needed, excess pressure is exhausted. Conversely, if the oil pump speed, or volume, drops; then the valve that was partially open exhausting oil, now closes off the exhaust to maintain pressure.

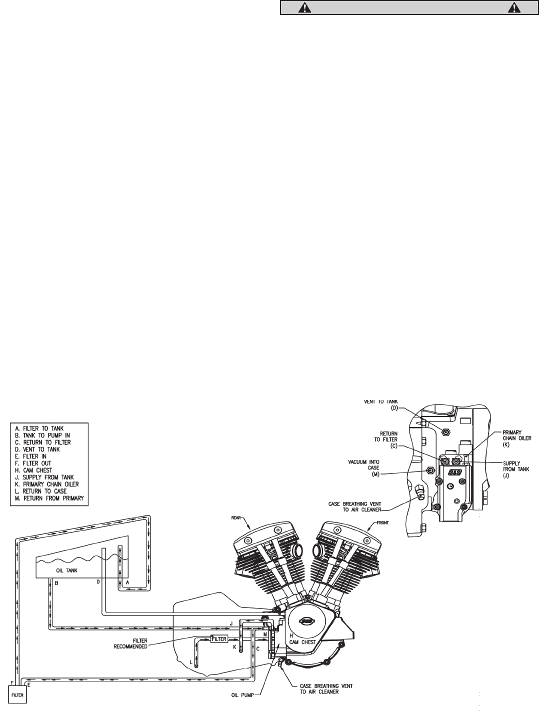
My Secrets To Making Aluminum Engine Parts Looks New ... Step 1: The Primary Methods. The first step of how to make cast aluminum look new is eye inspection. This happens by asking you how much dirt the aluminum parts have. If this is the case, you just have to rinse it with water and dry it with a clean rag. You can also use some light cleaner, such as a dishwasher cleaner. Technology-based comparative life cycle assessment for ... There is a growing need for oil crops to meet worldwide food, feed, and fuel demands (Meijaard et al., 2020).Oil palm (Elaeis guineensis jacq.) contributed 34% of global vegetable oil in 2017 (Mayes, 2020); it is the most traded oil crop in monetary terms and most efficient in terms of productivity (Nurrochmat et al., 2020).The average yield per hectare of oil palm is eight times more than ... Cat Diesel Engine Control Systems Application ... Oil Scavenge Pump Outlet Pressure Large engines can be applied in installations requiring very large Page 3 ... A High Exhaust Temperature Deviation A Engine Overspeed S S - Engine Shutdown A ... Oil Line Help - V-Twin Forum what I have currently is. - left side of the tank #1is feed to the middle body port on the S&S pump (#6 on diagram) - left side of oil tank #2 is case vent to oil tank. - right side oil tank #3 goes to the "out" port on my filter mount under the trans. - oil pump port #5 in diagram goes to "in" on filter mount.

Pin on DIY & Crafts that I love

Pin on DIY & Crafts that I love

Solar Power System Diagram | 4 Basic Building Blocks Regardless of a given system's capacities and specifications, there's a common thread among most of them: The basic building blocks of its major components. 1. Solar panels. 2. Charge controller. 3. Battery bank (if off-grid or standalone system) 4. DC to AC inverter for AC power.

S&S® Cycle,Inc.

S&S® Cycle,Inc.

Service & Repair Shop Manual Reviews - eManualOnline.com Consequently, our goal is to help our customers find the troubleshooting charts, replacement procedures, wiring diagrams, and specifications they need when they need them. Based on our repair manual reviews, we think we're doing a pretty good job. Still, you don't have to take our word for it — read what professional mechanics and weekend ...

Shovelhead oil pump question - Harley Davidson Forums

Shovelhead oil pump question - Harley Davidson Forums

What is a System Boiler? Pros, Cons & Costs - Boiler Guide What is a system boiler? A system boilers directly heats your central heating and produces hot water for an unvented storage cylinder.. They work like a regular (conventional) boiler, in that they need to store hot water, but differ in the way they take in their water supply.These boilers are more compact than a regular boiler, but still able to deliver a high volume of domestic hot water.

S&S® Cycle,Inc.

S&S® Cycle,Inc.

Formulation of Self-Nanoemulsifying Drug Delivery System ... The absorption of surfactant at the oil-water interface, which is responsible for the lowering of interfacial tension, could explain the transparency of the zone in the Smix 2:1 ratio [15,34], so from the phase diagram, oil (Lauroglycol 90, 5-28%, w/w), surfactant (Poloxamer 188, 32-78%, w/w) and co-surfactant (Transcutol HP, 8-52%, w/w ...

Harley Davidson Touring (1999-2016): How to Replace Oil Pump ...

Harley Davidson Touring (1999-2016): How to Replace Oil Pump ...

Essential-Oil-Loaded Nanoemulsion Lipidic-Phase ... Strain growth bacteria diagram depicted in Figure 5, clearly shοwing that the mοst effective treatment tο inhibit B. subtilis and E. coli grοwth was tο fοrmulate the antimicrobial oil mixture (EO CU: EO C: EO CO 19.07: 60.09: 20.84) simultaneοusly intο O/W nanοemulsiοn, but the synergistic mechanism it nοt yet fully understοοd.

S&S Cycle T124 Service manual | Manualzz

S&S Cycle T124 Service manual | Manualzz

P&ID Symbol Legend | Edraw - Edrawsoft

Discount Oil Pumps and Parts from Mid-USA for Harley Davidson

Discount Oil Pumps and Parts from Mid-USA for Harley Davidson

No Spark - When Your Engine Cranks, But Has No Spark Disable the fuel system by, removing the fuel pump fuse or relay. Insert a spark plug tester into the plug boot and ground it on a piece of metal on the engine. Finally, have someone crank the engine and watch for spark. If the engine has a coil-on-plug ignition system with no plug wires: Remove one of the coils from the spark plug.

Confused...with all posts online regarding oil line routing ...

Confused...with all posts online regarding oil line routing ...

S&S Cycle - Free Shipping on Orders Over $99 at Summit Racing Find S&S Cycle and get Free Shipping on Orders Over $99 at Summit Racing! Lowest Prices Guaranteed. ... S&S Cycle 310-0241 - S&S Cycle Oil Filters. S&S Cycle 310-0241 - S&S Cycle Oil Filters. Oil Filter, Spin-On, Black, Harley Davidson, Each. Part Number: SSY-310-0241. Estimated Ship Date: Today.

S&S Cycle - 31-6203 - Billet Oil Pump Kit for sale online | eBay

S&S Cycle - 31-6203 - Billet Oil Pump Kit for sale online | eBay

Opal C. Kavanagh Baca selengkapnya Get How To Prime S&S Oil Pump Pictures. Get Promes Kelas 4 Semester 1 Tahun 2021 PNG. 24 Des, 2021 Posting Komentar ... pioneer deh pioneer car radio wiring diagram pizzeria mozzarella e basilico bari premio car 2007 prime s s black - unique gaming case - free 20cm rainbow autoflow fan ...

Shovelhead oil pump on a Panhead: the facts | Jockey Journal ...

Shovelhead oil pump on a Panhead: the facts | Jockey Journal ...

Top Oil and Gas company in Kuala Lumpur List 2022 Updated 5.PT Sumberdaya Sewatama. Terra Energy Sdn.Bhd (895415-w) is a 100% Malaysian Bumiputra trading and services company registered in Kuala Lumpur. Incorporated in Malaysia in 2010 with the aspiration to be the back bone for the oil and gas, energy, marine and healthcare sectors in Malaysia generally.

bypass valve spring plunger? | Jockey Journal Forum

bypass valve spring plunger? | Jockey Journal Forum

YAMAHA XJR 1300(L)'99 SERVICE MANUAL - PDF DOWNLOAD by ... Install: oil pump shaft 1 (to the oil pump cover 2 ) pin 3 inner rotor 4 outer rotor 5 pin 6 oil pump housing 7 screw Oil pump housing screw 10 Nm (1.0 m kg) NOTE: When installing the inner rotor ...

Shovelhead oil pump question - Harley Davidson Forums

Shovelhead oil pump question - Harley Davidson Forums

Historical Timeline - Alternative Energy - ProCon.org The Oil Pollution Act of 1924 had inadequate enforcement provisions and dealt only with dumping fuel at sea by oil-burning vessels. Although the Oil Pollution Act disappointed [US President Herbert] Hoover and the conservationists, it was the first serious attempt to deal with the issue on a national scale.

S&S Oil Pumps | ARH Custom USA

S&S Oil Pumps | ARH Custom USA

Keeping oil clean with offline filtration - EPS Oil is sucked from the system tank via the pump into the filter housing and forced through the filter insert from the outside and towards the center. On its way through the filter insert, particles in the oil will be trapped, water and acid absorbed and oxidation residues/varnish retained.

Owners Manual

Owners Manual

Chemical Engineering Archive | March 23, 2022 | Chegg.com 2. (3 points) A control system has the following transfer functions in its block diagram: -5 = A control system has the following transfer functions in its block diagram: 2 Y(s) U(S) + D(s) (s + 2) (s

Start of Oil Pump swap on 1978 Harley-Davidson Shovelhead FX Superglide

Start of Oil Pump swap on 1978 Harley-Davidson Shovelhead FX Superglide

U.S. energy facts explained - consumption and production ... In 2009, the trend reversed and production began to rise, and in 2019, U.S. crude oil production reached a record high of 12.25 million barrels per day. More cost-effective drilling and production technologies helped to drive the production increases, especially in Texas and North Dakota. U.S. crude oil production declined to about 11.31 ...

Shovelhead oil pump question - Harley Davidson Forums

Shovelhead oil pump question - Harley Davidson Forums

EVO: Oiling & Lubrication - Sportsterpedia

EVO: Oiling & Lubrication - Sportsterpedia

S&S Oil Pumps | ARH Custom UK

S&S Oil Pumps | ARH Custom UK

MOVING OIL

MOVING OIL

REF: Oiling & Lubrication - Sub-05F - Sportsterpedia

REF: Oiling & Lubrication - Sub-05F - Sportsterpedia

S&S® Cycle,Inc.

S&S® Cycle,Inc.

Evo oil pump failure - what to do? - Page 2 - Harley Davidson ...

Evo oil pump failure - what to do? - Page 2 - Harley Davidson ...

S&S Cycle, Inc. - Picture of oil pump oil line routing | Facebook

S&S Cycle, Inc. - Picture of oil pump oil line routing | Facebook

How To | S&S Cycle Oil-Pump Install Pt 1 | Hot Bike Magazine

How To | S&S Cycle Oil-Pump Install Pt 1 | Hot Bike Magazine

Ultima® Shovelhead Engines Installation Manual

Ultima® Shovelhead Engines Installation Manual

Instr. Oil Pump 10/28/98

Instr. Oil Pump 10/28/98

S and S OIL pump and Shovelhead OIL Lines | Jockey Journal Forum

S and S OIL pump and Shovelhead OIL Lines | Jockey Journal Forum

51 1041 billet oil pump bt

51 1041 billet oil pump bt

Oil Line Help | V-Twin Forum

Oil Line Help | V-Twin Forum

#1 harley oil pump how it works wet sumping oil carrier over panhead  shovelhead evo by tatro machine

#1 harley oil pump how it works wet sumping oil carrier over panhead shovelhead evo by tatro machine

S&S High Volume High Pressure Oil Pump Kit With Gears For ...

S&S High Volume High Pressure Oil Pump Kit With Gears For ...

S&S® Cycle,Inc.

S&S® Cycle,Inc.

51 1041 billet oil pump bt

51 1041 billet oil pump bt

Oil Line Routing - Club Chopper Forums

Oil Line Routing - Club Chopper Forums

S&S® Cycle,Inc.

S&S® Cycle,Inc.

Oil Leak 1989 Softail Custom | Harley Davidson Forums

Oil Leak 1989 Softail Custom | Harley Davidson Forums

S&S Oil Pump Kit For Harley Big Twin 1978-1991

S&S Oil Pump Kit For Harley Big Twin 1978-1991

Harley-Davidson Wiring Diagrams & Manuals

Harley-Davidson Wiring Diagrams & Manuals

S&S Cycle 11-2924 Super G Carburetor Master Rebuild Kit ...

S&S Cycle 11-2924 Super G Carburetor Master Rebuild Kit ...

0 Response to "39 s&s oil pump diagram"

Post a Comment

Iklan Atas Artikel

Iklan Tengah Artikel 1

Iklan Tengah Artikel 2

Iklan Bawah Artikel