Iklan 300x250

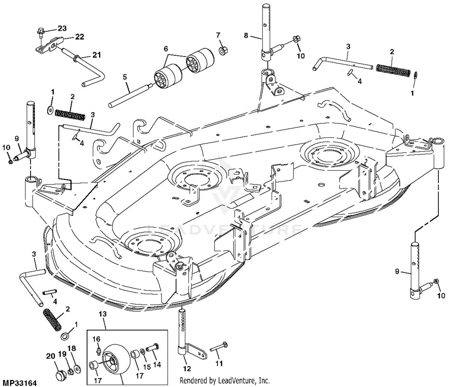
37 john deere 62c mower deck parts diagram

John Deere 62c Mower Deck Parts Diagram. 66cd677a50 28329_PreSonus-Studio.torrent SonyLIV_V6.9.6-[ARM-V8].apk - Google Drive Kanche Movie Download Tamilrockers 93 Pulpmotion Advanced 3 Activation Key demos farah desert vaginale shadowrun w850i andhra bhoomi weekly old editions iStatistica 5.0.1 Poksay Jambul Putih Gacor Ngeroll Suara Menggelegar 25.11.2021 · John Deere Parts Diagrams, John Deere 2350 TRACTOR -PC4187. Shown left is a picture of the John Deere 3038E tractor. Jul 17, 2013 · Hydrostatic Transmission. John Deere LT Riding Mower Parts including mower blades, deck belt, oil and air filter along with Parts Look-up Diagrams/Schematics.

John Deere 180 Parts. John Deere 425 Lawn Tractor Parts for 60 Mower Deck Quick Reference Guide. 30 in and 42 in (1) 38 in (2) 38 in, 42 in, 46 in, 48 in and 54 in This blade spindle assembly is made to fit riding mowers and lawn tractors from brands including Stens, AYP, Husqvarna, Poulan, Ryobi, Weed Eater, Craftsman. LENGTH: 7".

John deere 62c mower deck parts diagram

John deere 62c mower deck parts diagram

Your business website represents your brand. Therefore, its functional efficiency is important for your market reputation. Our web development services helps you to develop websites that comply with current industry standards, providing a seamless experience to your end-users.. Our web developers create high-performing websites using state-of-art website development practices. Due to the employee strike at John Deere, we are not receiving estimated in stock dates for all parts and equipment. John Deere PARTS LOOKUP Mower-Deck---62C-2210-C-U-T- Parts Diagram John Deere Mower Deck Bearing Housing Assembly - AM144377. (22) $67.51. Usually available. Add to Cart. Quick View.

John deere 62c mower deck parts diagram. Aviation History magazine is an authoritative, in-depth history of world aviation from its origins to the Space Age. Aviation History offers air enthusiasts the most detailed coverage of the history of manned flight, with action-packed stories and illustrations that put the reader in the cockpit with pilots and military (Army, Navy, and Marines) aviators to experience aviation’s greatest dramas. John Deere Power Flow Blower Housing - AM115581 - 48-IN 54-IN Mower Decks - 345 GT262 LX178 quantity Add to cart California Use Info - Warning: Cancer and reproductive harm - www. belt is H86061 … read more The 3-bag, 14-Bushel, Power Flow Bagger has a large capacity within the bags and the chute to ensure all grass and yard debris makes it into the bagger while you mow. jd power flow John ... John Deere Bagger Chute Hose - M123412 (6) . favorite this post Oct 17 John Deere Power Flow Bagger Manual find your john deere tractor manual and other items and parts for the john deere tractors, john deere service advisor edl v2 diagnostic kit support languages english notice if you want to do 3038e truck then need to use john deere service Oct 31, 2021 · John Deere power flow leaf … 29.1.2021 · Cleaning a mower deck, both top and bottom, is one of the most frequent maintenance activities: john deere 14 bushel 3bag power flow bagger // power flow chute part # bm21682 / john deere power flow blower part # bm22697 / john deere 14 bushel 3 bag hopper part # bm21680 / fits x465 , x475 , x485,x495, x500, x530 ,x534,x540,x575 price is 1,400 everything is brand new in box call mike show ...

Buy Genuine OEM John Deere parts for your John Deere 62C Mower Deck -PC9146 2002 Model M062CBC010001-020000 62C Mower Deck -PC9146 2003 Model M062CBC020001-040000 62C Mower Deck -PC9146 2004 Model M062CBD040001-060000 62C Mower Deck -PC9146 2005 Model M062CBD060001-080000 62C Mower Deck -PC9146 2006 Model M and ship today! 18.8.2021 · More than a year-and-a-half into the COVID-19 pandemic, burnout seems to be on everyone’s lips. Many of us didn’t realise what had hit us when we scrambled to adjust to the sudden upheaval of the workplace, switching to remote work with little or no preparation, or deemed an essential worker and asked to continue business-as-usual in highly unusual circumstances. John Deere 62" Deck Parts for Z535M and Z540M Ztrak mowers with 62C decks. Easy to use parts schematics John Deere Parts Lookup -John Deere-62C Mower Deck (2305 Compact Utility Tractor) -PC9426 2006 Model M062CBD080001-090000 62C Mower Deck (2305 Compact Utility Tractor) -PC9426 2007 Model M062CBD090001-100000 62C Mower Deck (2305 Compact Utility Tractor) -PC9426 2008 Model M062CBD100001-1100

NEED HELP FINDING PARTS? CALL US AT (855) 669-7278. John Deere X595 Lawn Tractor Parts for 62C Mower Deck Quick Reference Guide. Click the part number below to view and order John Deere X595 Lawn Tractor Parts for 62C Mower Deck, or search illustrated diagrams to determine the part you need. Get all of Hollywood.com's best Movies lists, news, and more. Haluaisimme näyttää tässä kuvauksen, mutta avaamasi sivusto ei anna tehdä niin. John Deere Mower Deck Bearing Housing Assembly - AM144377. (22) $67.51. Usually available. Add to Cart. Quick View.

Due to the employee strike at John Deere, we are not receiving estimated in stock dates for all parts and equipment. John Deere PARTS LOOKUP Mower-Deck---62C-2210-C-U-T- Parts Diagram

Your business website represents your brand. Therefore, its functional efficiency is important for your market reputation. Our web development services helps you to develop websites that comply with current industry standards, providing a seamless experience to your end-users.. Our web developers create high-performing websites using state-of-art website development practices.

0 Response to "37 john deere 62c mower deck parts diagram"

Post a Comment

Iklan Atas Artikel

Iklan Tengah Artikel 1

Iklan Tengah Artikel 2

Iklan Bawah Artikel