Iklan 300x250

39 1998 dodge ram 1500 brake line diagram

In this video I Test and Replace the Rear ABS Speed Sensor on a 1998 Dodge Ram 1500 Pickup, Code P0720. Symptoms may include: Check Engine Light, ABS Light, ... We've detected some suspicious activity coming from your IP address and have temporarily blocked it as a security precaution. Please check the box to let us know you're human (sorry, no robots allowed)

22 Mar 2009 — 98 dodge ram rear brake line diagram show me the rear brake lines - Dodge Ram 1500 question.

1998 dodge ram 1500 brake line diagram

1998 dodge ram 1500 brake line diagram

January 7, 2015 - Brake line replacement - Brake line, im going to be replacing my brake line that goes from slave cylinder to the frame rail on drivers side, So wondering... Reference ID: 18.6476c68.1584193831.142b2e8c 1998 Dodge Ram 1500 Truck Crew Cab with 8 Foot Bed 4 Wheel Drive with 2 Wheel ABS Brakes Brake Line Set. $142.95. Save 36%. List $224.95 Save $82.00. Guaranteed to Fit. 1998 Dodge Ram 1500 Truck. Body Type: Crew Cab. Material: Stainless Steel.

1998 dodge ram 1500 brake line diagram. Dodge Ram 1500 / 2500 / 3500 1998, Brake Line Fitting Kit by Fine Lines®. This American-made product is crafted by knowledgeable staff to ensure superior durability and ultimate quality. It was engineered with the highest precision and... I already located the leak. my problem is locating the break line, it seems like its running close to the gas tank and I cant see the line, is there a way ...2 answers · Top answer: Hello These diagrams will be contained in the Dodge factory service manual set for this ... August 13, 2010 - Rear brakes need replacing on 98 dodge ram. Most all major auto parts stores have web sites you can go to, and get detailed instructions and diagrams for your project. ... 1998 Dodge Ram 1500 4x4, Laramie 5.9L- The 2 vac soft lines at transfer case came off the metal lines coming from front ... For Dodge Ram Pickup 1998, 1999, 2000, 2001 model year. Dodge Ram 1500 (1998-2001), Dodge Ram 2500, 3500 (1998-2002).

I need a brake line connection diagram for 1998 Dodge Dakota, starting from Master Cylinder, which as 2 lines, and then goes to Combination Valve, This is the Diagram I need. The Combination Valve has multiple Brake Lines going into and out of it, and I need a diagram to follow to see if have the lines connected correctly. April 11, 2017 - 2nd Gen Ram Tech - Rear Brake Line on Driver's Side?? *REVISED with Parts List* - I just noticed that the brake line on the driver's side (REAR) just above the axle is corroded. This line connects to a rubber brake hose. I crawled under the truck but didn't find any junction where a new line ... Dodge Ram 1994-2001: How to Replace Brake Line. How to Replace Brake Line When it comes to insuring that your brake system works perfectly, you need to pull out all the stops. This article applies to the Dodge Ram 1500 (1994-2001). If you live in a northern ... 5zptv Dodge Ram 1500 Hemi Passengers Side Brake Lights The Turn Signal. We collect a lot of pictures about 1999 Dodge Ram 1500 Brake Light Diagram. and finally we upload it on our website. Many good image inspirations on our internet are the best image selection for 1999 Dodge Ram 1500 Brake Light Diagram. .

Brake Line Kit For Dodge Ram 1500 98-01 4WD ShortBed RegCab RWABS-CBK0092SS (Fits: 1998 Dodge Ram 1500) $249.99. $14.99 shipping. Dodge Ram 2002-2008: How to Replace Brake Line. How to Replace Brake Line There's no brakes without lines. Put the stopping power back into your Dodge Ram with this brake line replacement guide. This article applies to the Dodge Ram 1500 (2002-2008). Through ... 1998 Dodge Ram 1500 Brake Line Junction. 1998 Dodge Ram 1500 Copper Tube. Helpful Automotive Resources. How to Bleed Brakes Bleeding brakes used to be a straightforward affair that was virtually the same on all vehicles. But now, there are instances where the bleeding procedure is complex enough to require a scan tool. A Dodge Ram 1500 Brake Line Replacement costs between $400 and $462 on average. Get a free detailed estimate for a repair in your area.

25 1996 Dodge Ram 1500 Fuel Line Diagram - Wiring Database ...

25 1996 Dodge Ram 1500 Fuel Line Diagram - Wiring Database ...

Order Hydraulic Brake Line for your 1998 Dodge Ram 1500 and pick it up in store—make your purchase, find a store near you, and get directions. Your order may be eligible for Ship to Home, and shipping is free on all online orders of $35.00+. Check here for special coupons and promotions.

Answered: Is there a special procedure for bleeding brakes on a 2003 f150 (Ford F-150) - CarGurus

Answered: Is there a special procedure for bleeding brakes on a 2003 f150 (Ford F-150) - CarGurus

Dodge Ram 1500 / 2500 / 3500 1998, Brake Line Fitting Kit by Fine Lines®. This American-made product is crafted by knowledgeable staff to ensure superior durability and ultimate quality. It was engineered with the highest precision and...

35 1998 Chevy Silverado Rear Drum Brake Diagram - Wiring ...

35 1998 Chevy Silverado Rear Drum Brake Diagram - Wiring ...

1998 Dodge Ram 1500 Trailer Wiring Diagram - Folks understand that trailer is a vehicle comprised of quite complicated mechanics. This vehicle is designed not just to travel 1 location to another but also to carry heavy loads. This guide will be discussing 1998 dodge ram 1500 trailer wiring diagram.What are the benefits of knowing these knowledge?

Wiring Diagram: 30 1997 Chevy Silverado Rear Brake Diagram

Wiring Diagram: 30 1997 Chevy Silverado Rear Brake Diagram

December 4, 2013 - Enjoy the videos and music you love, upload original content, and share it all with friends, family, and the world on YouTube.

30 2005 Chevy Impala Brake Line Diagram - Free Wiring ...

30 2005 Chevy Impala Brake Line Diagram - Free Wiring ...

CHRYSLER JEEP 42RE AUTOMATIC TRANSMISSION REBUILD MANUAL. Ram Truck 1500 2500 3500 Repair Service Manual 1996. 1996 Dodge Ram Truck 1500-3500 Workshop Service Reapir Manual DOWNLOAD. DODGE RAM BR BE 1996-2001 WORKSHOP REPAIR MANUAL. 1996 Dodge Ram Truck 1500-3500 Service Repair Workshop Manual Download.

| Repair Guides | Parking Brake | Front Parking Brake ...

| Repair Guides | Parking Brake | Front Parking Brake ...

1998 Dodge Ram 1500 - Hydraulic Brake Line Filter By. Categories Brake Lines ... The hydraulic brake line connects the master cylinder to the rest of the brake system and carries hydraulic fluid pressure between components. Fluid travels through the hydraulic brake lines to the calipers or wheel cylinders, forcing the pistons to compress the ...

Descargar Brake Line Diagram For A 2001 Dodge Ram 1500 ...

Descargar Brake Line Diagram For A 2001 Dodge Ram 1500 ...

brake line diagram need to replace brake lines - Dodge 1999 Ram question.

Booster,Power Brake and HYDRO-BOOSTER. Fits: 2003 DODGE ...

Booster,Power Brake and HYDRO-BOOSTER. Fits: 2003 DODGE ...

Advance Auto Parts has 15 different Brake Line for your vehicle, ready for shipping or in-store pick up. The best part is, our Dodge Ram 1500 Brake Line products start from as little as $165.99. When it comes to your Dodge Ram 1500, you want parts and products from only trusted brands.

Non-Drivetrain WTB: 2nd gen Brake Line Junction Block ...

Non-Drivetrain WTB: 2nd gen Brake Line Junction Block ...

Need brake line diagram for 1998 dodge ram 1500 - Dodge 1998 Ram 1500 4WD question.

1998 Dodge Dakota Brake Line Diagram - Wiring Diagram

1998 Dodge Dakota Brake Line Diagram - Wiring Diagram

Order Dodge Ram 1500 Brake Line online today. Free Same Day Store Pickup. Check out free battery charging and engine diagnostic testing while you are in store.

Ram 1500 Lines And Hoses,Brake,Rear

Ram 1500 Lines And Hoses,Brake,Rear

Shop wholesale-priced OEM Dodge Ram 2500 Brake Lines at MoparPartsGiant.com. All fit 1994-2010 Dodge Ram 2500 and more.

Metal brake line replacement | Dodge Durango Forum

Metal brake line replacement | Dodge Durango Forum

2nd Gen. Dodge Cummins 94-98 12V Forums. 94-98 Non-Powertrain. Brake line diagram. Jump to Latest Follow ... I mean that nobody asks for a schematic or diagram of the brake lines. Just doesn't happen. ... 1998 RAM 3500 4X4 DRW CTD 12V - Gone !!

1998 Mercury Sable Brake line diagram master - Questions (with Pictures) - Fixya

1998 Mercury Sable Brake line diagram master - Questions (with Pictures) - Fixya

98-01 Dodge Ram 1500 Front Brake Line Kit 4WD RWABS-WKT9803OM (Fits: Dodge Ram 1500) 5 out of 5 stars. (3) 3 product ratings - 98-01 Dodge Ram 1500 Front Brake Line Kit 4WD RWABS-WKT9803OM. $99.99. $14.99 shipping.

for Dodge RAM 1500 1998-2001 Fine Lines WKT9802OM Steel Front Brake Line Kit for sale online | eBay

for Dodge RAM 1500 1998-2001 Fine Lines WKT9802OM Steel Front Brake Line Kit for sale online | eBay

SOURCE: 2006 dodge ram 2500 4x4 diesel replace brake pads front and back Straight forward job. Remove wheels, remove 2 caliper bolts per wheel, check bolts,and bushings for wear/corrosion and lubricate, remove calipers, remove brake pads, push caliper pistons into calipers, replace anti-rattle clips, put new pads in, put caliper and bolts in, put wheels on.

what are these lines for ? - Mercedes-Benz Forum

what are these lines for ? - Mercedes-Benz Forum

1998 Dodge Ram 1500 Front Brake Line Diagram. 1999 Dodge Ram 1500 Front Brake Line Diagram. 99 Dodge Ram 2500 Trailer Wiring Diagram. 01 Dodge Ram 2500 Radio Wiring Diagram. 04 Dodge Ram 2500 Stereo Wiring Diagram. Dodge 2500 Front Axle Diagram. Leave a Reply Cancel reply. Your email address will not be published. Required fields are marked *

HowToRepairGuide.com: brake line for chevy avalanche

HowToRepairGuide.com: brake line for chevy avalanche

Results 1 - 20 of 191 — Shop wholesale-priced OEM Dodge Ram 1500 Brake Lines at MoparPartsGiant.com. All fit 1994-2010 Dodge Ram 1500 and more.

Vacuum Lines - 1998 Dodge Ram Van

Vacuum Lines - 1998 Dodge Ram Van

Ram Year. 2001. Engine. 5.9. i have a 2001 ram 1500 4x4. My right rear wheel locks only on hard braking. Now I bought this used and someone has replaced all steel brake lines on the truck. From what I can tell it looks like they have the right front brake line hooked up to the rear abs and the rear hooked up to the right front.

Dodge Caravan Hose. BRAKE. Hydraulic. FLEXIBLE. Line ...

Dodge Caravan Hose. BRAKE. Hydraulic. FLEXIBLE. Line ...

--sorry, moving it to the tech. discussion-- So, I have the blown brake line that runs between the tank and the frame on my 1995 Ram 1500 2wd.

Dodge Ram 1500 Adapter, adapter assembly. Parking brake ...

Dodge Ram 1500 Adapter, adapter assembly. Parking brake ...

➖➖➖➖➖THIS IS. TEMP FIX➖➖➖➖➖➖ Low Brake pedal can be an indication of BrakeFluid leak ( watch video ) 1⃣- fill master cylinder w/ brake fluid Now pump brakes ...

30 2001 Dodge Ram 1500 Brake Line Diagram - Wiring ...

30 2001 Dodge Ram 1500 Brake Line Diagram - Wiring ...

Most Popular Parts. Dodge Ram 1500 Brake Hose. Dodge Ram 1500 Brake Line. Dodge Ram 1500 Brake Hose Locking Clip. Dodge Ram 1500 Pin Boot Kit - Front. Dodge Ram 1500 Pin Boot Kit - Rear.

Pin on Wiring Diagram

Pin on Wiring Diagram

Replacing your original brake lines with Stainless Steel Brake Lines increases the longevity of your brake line system. ... 1994 Dodge Ram 1500 Pickup 2WD 1995 Dodge Ram 1500 Pickup 2WD 1996 Dodge Ram 1500 Pickup 2WD 1997 Dodge Ram 1500 Pickup 2WD 1998 Dodge Ram 1500 Pickup 2WD 1999 Dodge Ram 1500 Pickup 2WD 2000 Dodge Ram 1500 Pickup 2WD 2001 ...

Dodge Ram 1500 Control unit. Anti-lock brake. [[all v6 ...

Dodge Ram 1500 Control unit. Anti-lock brake. [[all v6 ...

Solved Brake Line Diagram For A 2001 Dodge Ram 1500 Fixya Find great deals on ebay for 1999 dodge ram 1500 brake lines. 1999 dodge ram 1500 brake line diagram. I need diagrams or even better pictures of the answered by a verified dodge mechanic. I have a 1999 dodge ram 1500 quadcab and have taken pictures of the diagrams. This is an.

25 1999 Dodge Ram 1500 Brake Line Diagram - Wiring ...

25 1999 Dodge Ram 1500 Brake Line Diagram - Wiring ...

1998 S10 Brake Line Diagram. 2001 Dodge Ram 1500 4×4 Front End Diagram. 99 Chevy 1500 Brake Line Diagram. 2006 Gmc 1500 Brake Line Diagram. 97 Chevy 1500 Brake Line Diagram. 2004 Dodge Dakota Brake Line Diagram. 2002 Dodge Caravan Brake Line Diagram. 2001 Dodge Ram 2500 Brake Line Diagram. 1999 Dodge Dakota Brake Line Diagram.

1998 1/2 Dodge Ram 2500 cummins 4X4 My truck won't engage ...

1998 1/2 Dodge Ram 2500 cummins 4X4 My truck won't engage ...

Fits 1998-01 Dodge Ram 1500 4wd Ext Long Complete Brake Line Kit ABS Stainless (Fits: Dodge Ram 1500) ... 1998-2001 FITS RAM 1500 2500 2WD 4WD REAR ABS SHORT BED BRAKE LINE KIT STAINLESS (Fits: Dodge Ram 1500)

Brake Hose and Brake Line Repair: Hello, Thanks for Everyone&#...

Brake Hose and Brake Line Repair: Hello, Thanks for Everyone&#...

1998 Dodge Ram 1500 Parts We are your low price leader for OEM Dodge Ram 1500 parts. OEM Dodge parts are manufactured by Dodge to maximize the performance of Dodge Ram 1500 vehicles and provide the certainty that the repair will be done right the first time.

2002 Dodge Durango Brake Line Diagram - Diagram

2002 Dodge Durango Brake Line Diagram - Diagram

This video is about how to fix Dodge ram 1500 brake line on the drivers side. The line was corroded so much that it broke open and was spewing brake fluid ev...

34 1998 Dodge Dakota Brake Line Diagram - Wiring Diagram ...

34 1998 Dodge Dakota Brake Line Diagram - Wiring Diagram ...

Dodge RAM 1500 4x4 2001 dodge ram 1500 4wd. brake peddle goes 2001 dodge ram 1500 4wd. brake peddle goes to the floor with the engine running. replaced the master cylinder and bled a ton of fluid thru the system and the peddle is the same. the brake and abs ligh …

31 1994 Chevy Silverado Rear Brake Diagram - Wiring ...

31 1994 Chevy Silverado Rear Brake Diagram - Wiring ...

August 17, 2008 - My rear brake line rusted out right in front of the gas tank. I see that it's routed inside the frame rail next to the tank. Do you have to ...

Fuel Line - 1998 Dodge Ram 1500 Regular Cab

Fuel Line - 1998 Dodge Ram 1500 Regular Cab

Ram Year. 1997. Engine. 318. I just got a 1998 1500 4x4 5 2 Ram that has really spongy brakes. Past owner said she just thought it was a Dodge thing, I know it's not, my question is it the power booster or master cylinder? Fluid is full so I know it's not a busted line or bad wheel cylinder. If I pump the peddle it will build some back pressure ...

Dodge Ram 1500 Bolt. Axle vent. Lower - 04137696AB | Mopar ...

Dodge Ram 1500 Bolt. Axle vent. Lower - 04137696AB | Mopar ...

Get the best deals on Brake Lines for 1998 Dodge Ram 1500 when you shop the largest online selection at eBay.com. Free shipping on many items | Browse your favorite brands | affordable prices.

Dodge ram 1500 brake lines - YouTube

Dodge ram 1500 brake lines - YouTube

1998 Dodge Ram 1500 Truck Crew Cab with 8 Foot Bed 4 Wheel Drive with 2 Wheel ABS Brakes Brake Line Set. $142.95. Save 36%. List $224.95 Save $82.00. Guaranteed to Fit. 1998 Dodge Ram 1500 Truck. Body Type: Crew Cab. Material: Stainless Steel.

2001 Dodge Ram 1500 Brake Line Diagram - Wiring Site Resource

2001 Dodge Ram 1500 Brake Line Diagram - Wiring Site Resource

Reference ID: 18.6476c68.1584193831.142b2e8c

1998 Dodge Ram 1500 Clip. Brake pedal booster push rod pin ...

1998 Dodge Ram 1500 Clip. Brake pedal booster push rod pin ...

January 7, 2015 - Brake line replacement - Brake line, im going to be replacing my brake line that goes from slave cylinder to the frame rail on drivers side, So wondering...

Brake lines rusted | DODGE RAM FORUM

Brake lines rusted | DODGE RAM FORUM

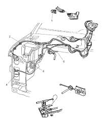
Fig. Fig. 1: Brake line routing and combination ...

Fig. Fig. 1: Brake line routing and combination ...

33 1996 Dodge Ram 1500 Fuel Line Diagram - Wiring Diagram ...

33 1996 Dodge Ram 1500 Fuel Line Diagram - Wiring Diagram ...

1998 Dodge Ram 1500 Tube. Brake. Right. [rear axle ...

1998 Dodge Ram 1500 Tube. Brake. Right. [rear axle ...

Brake line diagram for a 2001 dodge ram 1500 - Fixya

Brake line diagram for a 2001 dodge ram 1500 - Fixya

29 Dodge Dakota Brake Line Diagram - Wiring Diagram List

29 Dodge Dakota Brake Line Diagram - Wiring Diagram List

0 Response to "39 1998 dodge ram 1500 brake line diagram"

Post a Comment

Iklan Atas Artikel

Iklan Tengah Artikel 1

Iklan Tengah Artikel 2

Iklan Bawah Artikel