Iklan 300x250

34 john deere lt166 mower deck belt diagram

John Deere AG, Lawn & Garden and CWP Equipment Parts Search. John Deere parts lookup tool and diagram is an incredible online source. It is a complete catalog that shows you detailed parts diagrams of every part of your machine. This online parts catalog is robust and easy to use. Searching for your John Deere parts online has never been easier.

Original price. $3,199 (1997 46 ) Variants. LT166. lawn tractor. LTR166. rear-discharge mower. John Deere LT166 Engine. 16HP Briggs & Stratton 480cc 2-cyl gasoline.

John Deere M128733 Engine to Deck Belt JOHN DEERE LT155, LT160, LT166, LT170, and LT180: 1/2" - 98-1/2" $28.95: Add-to-Cart: John Deere M135782 Deck Belt JOHN DEERE F620, F680 and F687 Z-Trak mowers; 7-Iron mid mounts with 60" decks for use with compact utility tractors: 5/8" - 137-3/4" $52.75: Add-to-Cart

John deere lt166 mower deck belt diagram

John deere lt166 mower deck belt diagram

John Deere Model LT166 Lawn Tractor Parts - The serial number is located in front and below the seat as indicated in this photo

John deere x300 deck belt diagram The John Deere LT166 is equipped with manual steering, open operator station and 7.5 liters (2 US gal.; 1.6 Imp. gal) fuel tank. Following attachments are available for the JD LT166 lawn tractor: Mid-mount John Deere 38: 38 in (960 mm) mower deck with 2-blades and manual lift john deere 355d mower deck John ...

Fits Models: John Deere: LT166 with 38" and 46" deck. Sabre: First Generation 46" Cut. Specs: Belt Application: Mower Deck Drive ( Engine to Mower Deck) Belt Type: Covered. Width: 1/2". Length: 143". Packaging Type: Branded sleeve.

John deere lt166 mower deck belt diagram.

John Deere lawn mower deck belt M126536 LT133 LT150 LT155 LT160 LT166 LT180 38" Brand: John Deere. 4.4 out of 5 stars 143 ratings. Price: $23.45 $23.45 Get Fast, Free Shipping with Amazon Prime & FREE Returns . Return this item for free. Free returns are available for the shipping address you chose. You can return the item for any reason in new ...

Correct mower deck for LT166 Tractor. We purchased a new mower LT166 in 2004 off the floor show. We had to replace the belt on the deck after each mowing of approx. 3 acres of yard. The deck is a 48 C Convertible. We are wanting to know if this is the incorrect deck for this mower or should it be just a 48.

John Deere Tractors Information - SSB Tractor Forum The John Deere LT166 is equipped with manual steering, open operator station and 7.5 liters (2 US gal.; 1.6 Imp. gal) fuel tank. Following attachments are available for the JD LT166 lawn tractor: Mid-mount John Deere 38: 38 in (960 mm) mower deck with 2-blades and manual lift John Deere LT166 ...

John Deere LT166 (Deck 48C) Riding Lawn Mower Replacement Belt Original Equipment Manufacturer John Deere OEM Part Number M151649 Machine Riding Lawn Mower Model LT166 (Deck 48C) Belt Type 4LK/AK Aramid VBG Replacement Id APPL674185 Technical Specifications: (Inches) (mm) Outside Circumference 144.00 3657.60 Top Width 0.50 12.70 Belt Depth 0.3125

The John Deere LT166 was produced from 1998 to 2001. It came equipped with either a hydrostatic drive transmission, 38", 42", or 48" Mower Decks and 16hp Briggs and Stratton Engine. Regular Maintenance should be performed on the LT166 every 50 hours and should include Spark Plug, Air Filter, Oil Filter with 1.6qts oil and sharpen or replace ...

John Deere LT166 - Belt Problem. Dave. I have a LT166 lawn tractor that the belt will spin off the spindle when the blades are disengaged with the motor running. If the motor is hut off with the blades engaged, the belt stays on. I replaced the belt because I thought it may be stretched out, but it din't help.

The LT166 has been a good grass-cutting machine but the last time it was called to duty, one of the pulley brakes broke off and the sharp edge cut the heck out of the drive belt. The lawn tractor ID# MOL166J086180. So I took the deck is off, inspected the spindles and idler pulleys, and else seems to be in good shape.

john deere lt166 lawn garden tractor service repair manual. john deere lt166 parts diagram wiring diagrams free download john deere lt166 parts diagram close download john deere lt166 parts diagram genuine john deere parts are your best choice for your newer machines to use it safely and to the fullest by checking out your john deere operator s manual john deere lt riding mower parts including ...

Belt sizes for John Deere lawn and garden belts. Application, parts number, and belt sizes available. Outdoor Belt Info: LAWN AND GARDEN BELT SIZE INFORMATION: ... Blade 36"mower deck(5/8"x89") mower-deck36 363144 Traction mower deck 36"(5/8"x44") mower-deck48 363144 Traction mower deck 48"(5/8"x44") mower-deck48

Fits Some John Deere LT models fitted with a 42" Freedom mulching deck. Fits Models: LT155, LT160, LT166, LT170, LT180 (Will not fit any LTR models) Please check your old belt outside length is 98" as some LT160 & LT180 took a 114" belt. It is important to check if you do not know part number required. Replaces OEM M128733.

John Deere La145 Belt Routing Diagram. 6. GX .. BELT - TRACTION DRIVE. 7 LA with 48" Deck PRINT Valuable Parts Coupons for discounts at your John Deere Dealer. • ORDER. Make sure belt is routed through both belt guide loops (I). If the mower engagement rod is not adjusted properly, the mower belt may slip or drag on blade.

48-inch 48C Mower Deck Parts for LT166. ... John Deere Deck Drive Belt - GX10063 (1) $68.85. Usually available. Add to Cart. Quick View. John Deere Deck Lift Rod - M119135 (0) $11.00. Usually available. Add to Cart. Quick View. John Deere Discharge Chute - TCA16388 (10) $94.46.

John Deere Deck Belt Diagram - Wiring Site Resource

John deere deck belt diagram - wiring site resource

OEM replacement belt, belt application engine to deck, belt type covered, length 98-1/4 in., width 1/2 in., packaging type branded sleeve; Replaces OEM number: John Deere M128733; Fits: John Deere LT155, LT160, LT166, LT170 and LT180 with 42M deck

M126536 Deck Drive Belt Replacement for John Deere LT166 Lawn Tractor -  PC2608 - Compatible with 38 Inch Mower Deck V-Belt

M126536 deck drive belt replacement for john deere lt166 lawn tractor - pc2608 - compatible with 38 inch mower deck v-belt

OEM replacement belt, belt application drive, belt type covered, length 143 in., width 1/2 in., packaging type branded sleeve; Replaces OEM number: John Deere M123281; Fits: John Deere LT166 with 38 in. and 46 in. deck

How to Change the Traction Belt on a John Deere LT155 : 8 ...

How to change the traction belt on a john deere lt155 : 8 ...

Service Schedule Parts for a John Deere LT166 Lawn Tractor & Parts List. While your John Deere machine is certainly built with quality parts, they have a limited life. Good news is you can easily service your machine yourself using a John Deere maintenance kit or service kits or by getting the specific John Deere part needed to keep your John Deere mower or tractor running for a long time.

SOLVED: John deere traction drive belt diagram for x304 - Fixya

Solved: john deere traction drive belt diagram for x304 - fixya

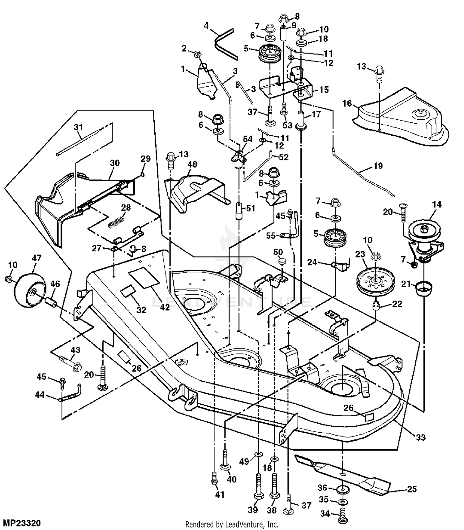
A Complete Listing Of All John Deere Lawn Tractor Parts Is Available Using Illustrated Diagrams. This quick parts reference guide will provide you with the most common John Deere LT166 Lawn Tractor Parts 46 Mower Deck. These John Deere Lawn Tractor Parts may include: Tune Up Kit, Spark Plug, Mower Blades, Traction Drive Belt, Transmission Belt ...

John Deere Lt155 Mower Deck for sale | eBay

John deere lt155 mower deck for sale | ebay

After a period of moderate use your l100 mowers drive belt may start. John deere l100 belt diagram. John deere l100 mower wiring diagram wiring diagram and fuse box intended for john deere l100 parts diagram image size 781 x 516 px and to view image details please click the image. John deere m10xm30 blade bolt 19m7786 5 113.

John Deere LT166 (Deck 48C) Riding Lawn Mower Replacement Belt

John deere lt166 (deck 48c) riding lawn mower replacement belt

John Deere 42" D100, D105, D110, D120, D125, D130 Deck Parts Diagram. Easy to use Parts Schematic for 42" D100 Series Lawn Tractors

John Deere LT155 Mower Deck Front Draft Rod Y Arm

John deere lt155 mower deck front draft rod y arm

John deere z915b z trak mower parts throughout john deere lt155 parts diagram image size 410 x 410 px and to view image details please click the image. How to replace the drive belt on a john deere lt160 riding. Here is a picture gallery about john deere lt155 parts diagram complete with the description of the image please find the image you need.

John Deere Mower Deck Belt M154958 M110313 Fits GT262, GT275 GT225 GT235  GX325 OEM

John deere mower deck belt m154958 m110313 fits gt262, gt275 gt225 gt235 gx325 oem

John Deere Lt166 Parts Diagram Genuine John Deere Parts are your best choice for your newer machines. to use it safely and to the fullest by checking out your John Deere operator's manual . John Deere LT Riding Mower Parts including mower blades, deck belt, oil and air filter along with Parts Look-up Diagrams/Schematics.

John Deere LT166 Lawn Tractor (With 46-IN Mower Deck) -PC2608 ...

John deere lt166 lawn tractor (with 46-in mower deck) -pc2608 ...

John deere mower deck parts. Align belt guide g at lower idler so it is parallel with the. This diagram illustrates proper belt installation. Install new belt on mower as shown above. Lt166 with 46 deck 1 am125424oil filter gy20577 oil filter package. And idlers towards mower deck top sheave.

John Deere LT166 Lawn Tractor (With 48-IN Mower Deck) -PC2608 ...

John deere lt166 lawn tractor (with 48-in mower deck) -pc2608 ...

Clean The Deck. Once the deck section and old belts are off, blow compressed air to eliminate the excess debris. Wrap The Belt. According to the John Deere lawnmower diagram, if you're satisfied with the cleaning, feed your new belt around the pulley. Take Off The Belts (If Needed) Some of the pulleys might be a bit stubborn to deal with.

Mower Deck Drive Belt for John Deere LT166, M123281, 38 ...

Mower deck drive belt for john deere lt166, m123281, 38 ...

M150717 /M141558 FREEDOM DECKS LT166 LT170 LT180 MOWER JOHN ...

M150717 /m141558 freedom decks lt166 lt170 lt180 mower john ...

LT-166 Drive Belt Replacement | Green Tractor Talk

Lt-166 drive belt replacement | green tractor talk

NEED HELP with 1999 LT166 Timing Belt Tension | Green Tractor ...

Need help with 1999 lt166 timing belt tension | green tractor ...

John Deere LT166 Lawn Tractor (Without Mower Deck) -PC2608 ...

John deere lt166 lawn tractor (without mower deck) -pc2608 ...

SOLVED: I need the mower belt routing for my LTR 166 John - Fixya

Solved: i need the mower belt routing for my ltr 166 john - fixya

John Deere LT166 Lawn Tractor (With 46-IN Mower Deck) -PC2608 ...

John deere lt166 lawn tractor (with 46-in mower deck) -pc2608 ...

JOHN DEERE LT 166 Lawn Tractor Mower 46

John deere lt 166 lawn tractor mower 46" mower deck new belt ...

Details about JOHN DEERE Genuine OEM Mower Drive Belt M123281 LT166 & SABRE  W/ 46

Details about john deere genuine oem mower drive belt m123281 lt166 & sabre w/ 46" mower deck

John Deere Parts Diagrams, John Deere LT166 Lawn Tractor ...

John deere parts diagrams, john deere lt166 lawn tractor ...

John Deere LT 155 Riding Lawn Mower - REPLACING THE DRIVE / TRACTION BELT !  HOW TO

John deere lt 155 riding lawn mower - replacing the drive / traction belt ! how to

M150717 /M141558 FREEDOM DECKS LT166 LT170 LT180 MOWER JOHN ...

M150717 /m141558 freedom decks lt166 lt170 lt180 mower john ...

John Deere Lt166 46

John deere lt166 46" mower deck assembly am124753 for sale ...

OEM Replacement Belt for John Deere LT166 with 38 in. and 46 in. Deck  M123281

Oem replacement belt for john deere lt166 with 38 in. and 46 in. deck m123281

John Deere LT166 Lawn Tractor (With 48-IN Mower Deck) -PC2608 ...

John deere lt166 lawn tractor (with 48-in mower deck) -pc2608 ...

John Deere 225 Toothed Timing Synchronous Belt Fits Earlier LT133 & LT155 &  LT166 With 42

John deere 225 toothed timing synchronous belt fits earlier lt133 & lt155 & lt166 with 42" freedom deck fitted replaces m127926

belt diagram for john deere l110,Free delivery,www.workscom ...

Belt diagram for john deere l110,free delivery,www.workscom ...

John Deere LT166 Lawn Tractor Maintenance Guide & Parts List

John deere lt166 lawn tractor maintenance guide & parts list

SOLVED: Have a JD LT166W/48 and need a mower deck belt - Fixya

Solved: have a jd lt166w/48 and need a mower deck belt - fixya

Amazon.com : New Compatible with John Deere Genuine OEM ...

Amazon.com : new compatible with john deere genuine oem ...

John Deere LT166 Lawn Tractor (Without Mower Deck) -PC2608 ...

John deere lt166 lawn tractor (without mower deck) -pc2608 ...

How to Change the Traction Belt on a John Deere LT155 : 8 ...

How to change the traction belt on a john deere lt155 : 8 ...

SOLVED: I need s belt diagram for an lt166 john deere - Fixya

Solved: i need s belt diagram for an lt166 john deere - fixya

0 Response to "34 john deere lt166 mower deck belt diagram"

Post a Comment

Iklan Atas Artikel

Iklan Tengah Artikel 1

Iklan Tengah Artikel 2

Iklan Bawah Artikel