39 montgomery ward tiller belt diagram
Montgomery Ward Power Kraft/Gilson tiller belt replacement. I have a Montgomery Ward Power Kraft 5 hp Model GIL 39032B s/n 1105C1 924 Rear Tine tiller. I replaced 2 rear needle brgs and now I don't know how to put the belts back on. I noticed JED 1950 Had worked on them before, I am puzzled. Gee thanks. TMO - Montgomery Ward Tiller / Cultivator (). > Engine And Tine Belt Cover. New Part MTD Belt Cover Bolt. Hi there, Save hours of searching online or wasting money on unnecessary repairs by talking to a 6YA Expert who can help you resolve this. need belt sizes for Gilson B Montgomery ward I need the belt diagram for model Gil D gar I need a tiller belt for a montgomery ward model n.
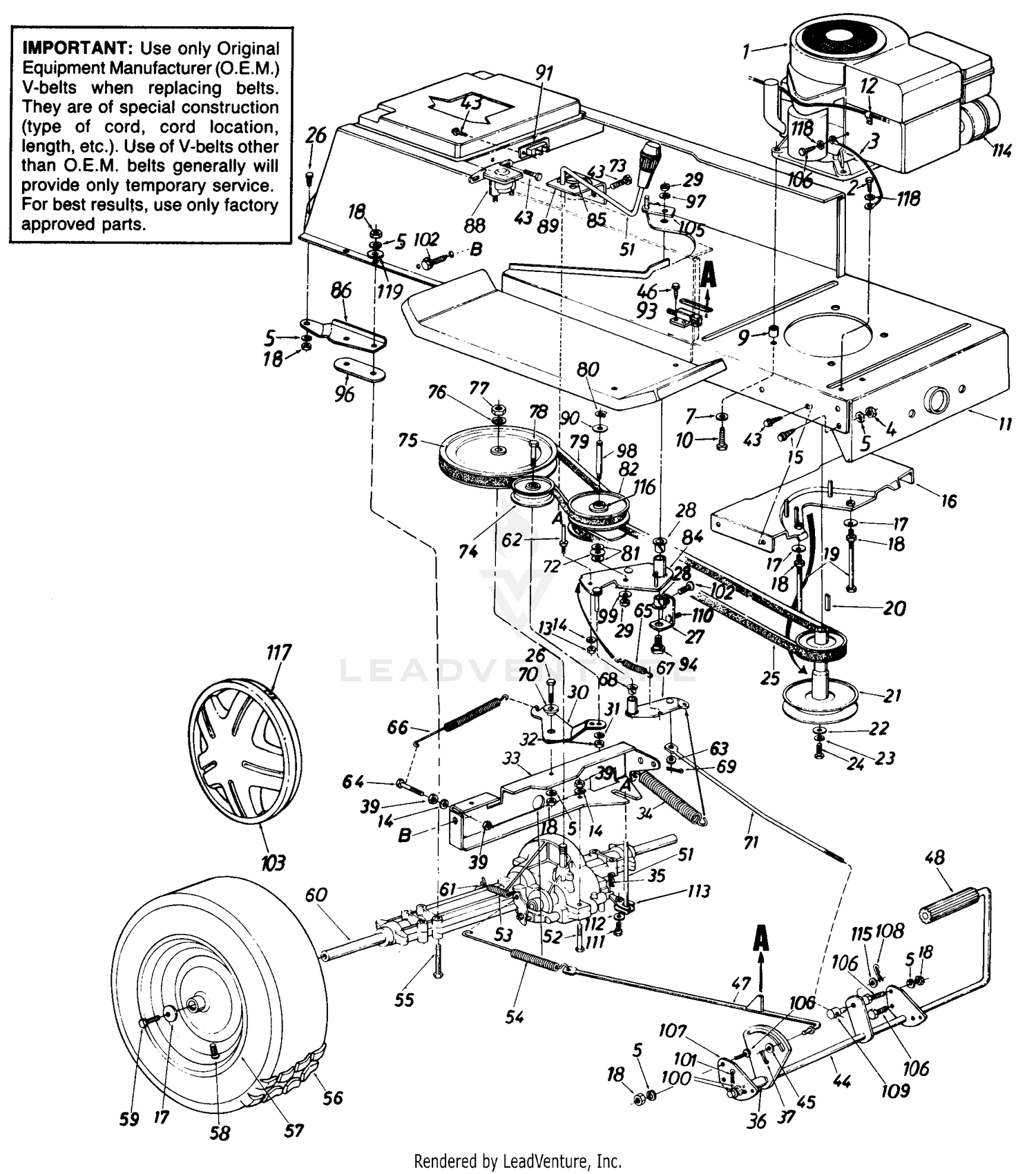
Posted by jimfather on September 17, 2007 at 09:17:02 from (68.43.195.123): Would anyone possibly have a parts list/owners manual for a front tine tiller Montgomery Ward GiL 1580J. I need belt sizes and routing configuration and a full picture or instruction. I think all the pulleys are there but you never know.

Montgomery ward tiller belt diagram
I worked on it daily for almost 3 weeks, (at least an hour or two just about every day), but I finally got everything working. This tiller is probably betwee... Belts needed, Gilson Industrial Vbelt V-Belt 6163 3/8" x 37" and Gilson Industrial Vbelt V-Belt 1110 1/2" x 35". Manual can be found herehttps://sites.go... Used pull behind tiller. ... Many of these were also sold under the Montgomery Ward brands. Welder, Generator, Tool Boxes, Misc, 0 (Jackson ) pic hide this posting restore restore this posting. agdealer. James River Equipment ... AGRI-FAB Craftsman HA20187 V …
Montgomery ward tiller belt diagram. We have the montgomery ward tiller parts you need with fast shipping and great prices. The shop probably has a photo in a manual showing how to do it. Once you get it on make yourself a diagram once the new belt is on or take a photo of the belt once it is on the machine. I need a belt diagram for a wards 1580 tiller. Montgomery Wards Lawn Vacuum Belts. Model. OEM Part. Application - Dimensions. 8250-2. 2651-23. Drive Belt (1/2"x33") 3760-0. 165179. Oct 24, 2009 — Replace belts on Montgomery Ward rear tine rototiller Model number GIL39012B need diagram - Ardisam 5.5 Hp Rear Tine Rototiller question.1 answer · 4 votes: Go here and you can download a free manual for your machine. http://lawnandgarden.manualsonline.com/manuals/mfg/montgomery_ward/tmo39083a.htmlMontgomery ward tiller mod. # gil 1580 - e . Drive belt sizeApr 12, 2011Montgomery Wards roto tiller 1580h belt diagram - FixyaJul 21, 2011Looking for manual for Montgomery Ward Powercraft - FixyaApr 23, 2011Need Manual for Montgomery Ward Front Tine Tiller - FixyaNov 14, 2019More results from www.fixya.com Montgomery Ward Tiller gil 1585 B. 0 Solutions. Please help find the manual for this Montgomery Ward Tiller. Montgomery Ward Tiller Gil1580f. 0 Solutions. I need the belt diagram for model Gil 39032 D gar. Montgomery Ward Tiller Gil 39032 D. 0 Solutions. Needing the part number for the reverse polarity f.
Montgomery Ward was a long standing catalog and retail seller of general merchandise including lawn and garden equipment. Various suppliers provided rebranded equipment that Montgomery Ward sold under their Garden Mark, Powr Kraft and Montgomery Ward labels. From 1960 through most of the 1970's Gilson Brothers Company of Plymouth Wisconsin ... Montgomery Ward Tiller (rear tine} Model GIL 39012 B 4 hp: Arlyn: I am looking for a manual for a Montgomery Ward Tiller, model GIL 1578, or copies of the pages relating to changing the drive belt. Thanks, Arlyn, Echo: I'm looking for belt sizes for GIL 39032 D. Any info would help: James Scott: Mine is a 1508 E or F Can't tell. Front tine Tiller. Drive belt. Width: 3/8 " Length: 30 1/4 ". Montgomery Wards Tiller Deck Wheel. Genuine OEM Part # 734-0973 | RC Item # 1621437. Watch Video. $11.81. ADD TO CART. Plastic wheel: 5" x 1.38". Montgomery Wards Tiller Carriage Head Bolt. Also note the routing of the belts before you take them off. I had (once upon a time a similar tiller and didn't pay attention to the reverse belt routing.
Gilson 1580c Reverse Belt Info. Quote: Originally Posted by Airman. I have a PDF copy of the Owners Guide for a Montgomery Ward (Gilson) model number GIL-1572A rotary tiller. I think this model is very similar to your model GIL-1589A. The manual has an illustration showing belt routing. HistoryNet is the world’s largest publisher of best-selling history magazines. Our popular titles feature in-depth storytelling and iconic imagery to engage and inform on the the people, the wars and the events that shaped America and the world. Randy have Montgomery Wards Tiller Mod:GIL 1580E need the two belts and routing procedure.Could you help. 5 hp frt tines Thks Al: Bob Estes: Any one know where I can get a manual for this relic? carolyn fish: I have a old montgomery wards tiller walk behind with blades in front. model number GIL 1570 B,Serial # 09108, 3.5 HP Questions are. Parts and Technical Support for rotary garden tillers built by Gilson Brothers Company under their name and many others such as Montgomery Ward, Wizzard and others. We have exclusive reproductions of discontinued parts including seals, gaskets, bearings, and gears to keep your garden roto tiller working. We ship worldwide.
Montgomery Ward Tiller Belts. We have the TILLER BELTS You need with fast shipping and low prices.
I have a Montgomery Wards Tiller, GIL-1580F and need the belt numbers and length of them. Brian G. Hello Cyber-Land, I need your help! I have a Montgomery Wards garden Tiller 5HP Briggs/straton model # GIL 1589-A The belts broke and I bought new ones but can't seem to remember how they went on. Can someone please send me a diagram if they have.
Gilson Tiller Model 51134 Gilson 5 Hp Tiller Service Manual 1980 - 1985 - DOWNLOAD Gilson rear tine tiller Gilson tiller Montgomery Ward Rototiller - A Second Look Gil1580f Montgomery Ward Gilson Aries Rototiller Part 2 - It Lives and Replace Belts Repairing a Rear Tine Tiller - Part Two of Oct 01, 2009 · Where to get a Manual for craftsman 24 front tine tiller 5.
Find Montgomery Wards Tiller Belt Parts at RepairClinic.com. Repair your Montgomery Wards Tiller Belt for less. Fast, same day shipping. 365 day right part guaranteed return policy.
I am looking for a belt diagram of a Montgomery Ward tiller. Model # GIL 1580 F. Any help would be greatly appreciated. Thanks in advance, Matt B. Mike: I'm in need of a belt diagram for a Montgomery Wards tiller model #GIL 1589A: richard ghastin: I have montgomery ward tiller mod. gil39032b ser. 1078c1 723 need parts list and exploded views of ...
Montgomery Ward Tillers parts with OEM Montgomery Ward parts diagrams to find Montgomery Ward Tillers repair parts quickly and easily Order Status Customer Support 512-288-4355 My Account Login to your PartsTree.com to view your saved list of equipment.
About Press Copyright Contact us Creators Advertise Developers Terms Privacy Policy & Safety How YouTube works Test new features Press Copyright Contact us Creators ...
I am looking for a belt diagram of a Montgomery Ward tiller. Montgomery Wards roto tiller 1580h belt diagram. Model # GIL F. Any help would be greatly appreciated. Thanks in advance, Matt B. Mike: I'm in need of a belt diagram for a Montgomery Wards tiller model #GIL A: richard ghastin: I have montgomery ward tiller mod.
I'm looking for a parts manual or belt diagrams for a Gilson Model no. Gil39007A rototiller. Eugene Hubnik: where can i get parts for mdl gil1580j gear drive Montgomery ward garden tiller. buster leonard: I need a belt digram for a Montgomery Wards Reverse Power Kraft tiller If someone could help please E-Mail: Jesse Lamunyon
Used pull behind tiller. ... Many of these were also sold under the Montgomery Ward brands. Welder, Generator, Tool Boxes, Misc, 0 (Jackson ) pic hide this posting restore restore this posting. agdealer. James River Equipment ... AGRI-FAB Craftsman HA20187 V …
Belts needed, Gilson Industrial Vbelt V-Belt 6163 3/8" x 37" and Gilson Industrial Vbelt V-Belt 1110 1/2" x 35". Manual can be found herehttps://sites.go...
I worked on it daily for almost 3 weeks, (at least an hour or two just about every day), but I finally got everything working. This tiller is probably betwee...
0 Response to "39 montgomery ward tiller belt diagram"
Post a Comment