Iklan 300x250

37 2004 chevy cavalier radio wiring diagram

Link to recommended tools for radio install: Wire Stripper I Use ... all radios use this color for identify wire type Radio Wiring Diagram: ... Try it free.,6 hours ago You can Read Or Download 43le Wiring Diagram Full Version For FREE at MTSWIRINGID. 20 Inspirational 1994 Honda Accord Radio Wiring Diagram... ,17 hours ago Can I Get A Wiring Diagram Of A 94 Chevy Cavalier I Need 2004 Cavalier Stereo Wiring Schematic 60 Awesome 2005 Chevy Cavalier Wiring Diagram...

2004 Chevrolet Cavalier Stereo Wiring Diagram. The radio harness does not provide a switched power source. Run a wire to the fuse box for switched power. Use a Car Radio Wire Harness and Car Radio Dash Kit for an Easy Car Radio Install! Use an Amp Integration Harness to Connect Your Factory Amplifier to an aftermarket radio.

2004 chevy cavalier radio wiring diagram

2004 chevy cavalier radio wiring diagram

Radio Stereo Wire Harnesses for 2004 CHEVROLET CAVALIER wire harnesses for into car, into factory radio wires, amp bypass harnesses, amp integration harness, speaker connectors and misc wires #2127 Get Free ACCESS ... 2004 chevrolet tahoe pan oil transmission automatic 2004 chevrolet tahoe automatic transmission oil pan 2004 trailblazer 4l60e transmission if you can give me a 24208648 chevrolet tahoe transmission crossmember liter code chevrolet tahoe automatic transmission oil pan gasket 2004 chevrolet tahoe automatic transmission oil pan chevrolet tahoe transmission crossmember bracket 4wd 2004 chevrolet truck trailblazer 2wd 4 2l mfi dohc 6cyl chevrolet tahoe bracket transmission case bracket trans chevrol Chevrolet 2004 : contact: A connector: connector B: 1 + 12V permanently: CALL (*) 2: Speaker LF + Subwoofer control: 3: Speaker RF + subwoofer audio + 4: phone + Mute your phone: 5: ... CHEVROLET Car radio wiring diagrams. car radio wire diagram stereo wiring diagram gm radio wiring diagram. Car stereo wiring diagrams car radio wiring car radio ...

2004 chevy cavalier radio wiring diagram. #2311 Get Free ACCESS Wiring Diagram Databse ... nissan sentra 08 2 0s i had a after market head unit this is question to jay regarding the p0335 coz hes i am looking for a wiring diagram for a qg18 engine this where can i find a wiring diagram for the tail lights on nissan sentra condenser ignition coil poles defogger 2005 nissan sentra fuse box 2008 nissan altima alternator wiring diagram repair guides 2005 nissan maxima fuse box nissan pathfinder suv 2003 main fuse box block circuit 2005 nissan frontier wiring diagram nissan versa model c11 2000 Chevrolet Cavalier Car Stereo Radio Wiring Diagram. Car Radio Constant 12v+ Wire: Orange. Car Radio Switched 12v+ Wire: Ignition Switch (The radio harness does not provide a switched power source. Run a wire from the Ignition Switch.) Car Radio Ground Wire: Black. What do the colors on your wiring harness mean? How do you connect your wiring harness or interface to your stereo? We'll show you! 2002 Chevy Cavalier Radio Wiring Harness Diagram - wiring diagram is a simplified suitable pictorial representation of an electrical circuit. It shows the components of the circuit as simplified shapes, and the power and signal connections amongst the devices.

IMPORTANT - There are two (2) yellow*, two (2) gray and two (2) brown wires in this harness. Locate the +12 volt constant wire first. Label it or splice to constant wire on aftermarket stereo first. Swapping yellow wires will cause damage to any aftermarket stereo. #142 Get Free ACCESS Wiring Diagram Databse ... diy concert 3 to rns-e retrofit - 2012 audi a3 ford car radio stereo audio wiring diagram autoradio 8l s3 multimedia interface audi rns e a3 a4 a6 adapter 0003 audi quadlock wiring audi a4 symphony ii wiring diagram 2002 audi a4 quattro avant rear trunk lid grommet rear audi car radio stereo audio wiring diagram autoradio audi a3 8p heated seat retrofit nf 10 stecker belegung sistem audio bose audi a4 b8 #142 Diagram Database liam.racingportuense.es HOME liam.racingportuense.es Box Diagram For J 2004 chevrolet cavalier car audio wiring diagram, 2001 chevy cavalier radio wiring diagram wiring diagrams, wiring diagram for 2004 chevy cavalier fixya, schematic diagram of 2003 chevrolet suburban best place, installing a new radio in 2001 chevy cavalier need help, 2000 2005 chevrolet cavalier vehicle wiring chart and diagram, 04 Whether you're a novice Chevrolet Cavalier enthusiast, an expert Chevrolet Cavalier mobile electronics installer or a Chevrolet Cavalier fan with a 2004 Chevrolet Cavalier, a remote start wiring diagram can save yourself a lot of time. The automotive wiring harness in a 2004 Chevrolet Cavalier is becoming increasing more complicated and more difficult to identify […]

Jan 19, 2005 ... no way man....a lot of people thought that the entire car was wired through the radio..but it's not. These cars do utilize class 2 wiring, they ... #3399 Get Free ACCESS Wiring Diagram Databse ... vw transporter wiring diagram t4 somurich download i have the rear of a vw transporter t5 fire damage the abs vw transporter wiring diagram t4 somurich download wiring diagram for 356b t5 models please call email great starting point for wiring up a leisure battery vw t5 starter motor fuse vw transporter t4 syncro camper conversion wiring diagram bradley emmanuel vw transporter t5 wiring diagram 17 best images about vw t5 ideas on pinterest vw transporter t5 electrical wiring diagram diagram vw #3574 Get Free ACCESS Wiring Diagram Databse ... Ford F100 Wiring Diagram Submarine Diagram Steering Column Wiring Schematic Chevy Malibu Radio Wiring Diagram Line Electrical Diagram Format Harness Suzuki Ignis 500 Shotgun Parts Diagram Cadet 1862 Wiring Diagram E150 Wiring Diagram Amarok Wiring Diagram Motorhomes Battery Wiring Diagram Corolla 2014 Wiring Diagram Murano 2007 Wiring Diagram Acoustimass Speaker Wire Diagram Trailer Parts Diagram Nissan Altima Fuse Diagram Heritage Softail Wiring Diagram C280 Wiring Diagram Durango Wiring Diagra We have 191 Chevrolet Vehicles Diagrams, Schematics or Service Manuals to choose from, all free to download! 1923 chevrolet car wiring [846 KB] 1923 chevrolet general wiring [321 KB] 1923 chevrolet superior model [290 KB] 1923 chevrolet wiring [237 KB] 1925 chevrolet superior model series k [910 KB] 1927 chevrolet capitol and national [365 KB]

Condenser microphone in a studio

Condenser microphone in a studio

2004 Chevrolet Cavalier Fuse Diagram 2004 Chevrolet Cavalier Fuse Diagram 2004 Chevrolet Cavalier Fuse Diagram for Instrument panel fuse box. TURN-B/U Turn Signals, Back-Up Lamps ERLS Engine relays BCM/CLU Body Control Module, Instrument Panel Cluster PCM Powertram Control Module IGN MD Ignnition module F/P-INJ Fuel pump Fuel Injectors AIR BG ...

Chevy Cavalier Stereo Wiring Diagram

Chevy Cavalier Stereo Wiring Diagram

Items 1 - 24 of 34 ... Shop for radio wiring harness at Best Buy. Find low everyday prices and buy online for delivery or in-store pick-up.

wiring diagram cavalier - Wiring Diagram

wiring diagram cavalier - Wiring Diagram

Amazon.com: Metra 70-2001 Radio Wiring Harness for GM 94-04. ... I bought this for my 01 Chevy cavalier as it said it's for 94-01 although it doesn't fit at ...

2000 Chevy Cavalier Radio Wiring Diagram - Wiring Diagram

2000 Chevy Cavalier Radio Wiring Diagram - Wiring Diagram

Radio chevrolet cavalier ls sport chevy and pontiac sunfire 1995 power windows 2003 no high beams installation 2000 wiring diagram fuse diagra ignition system 2004 stereo all diagrams for i have a 2002 the Radio Chevrolet Cavalier Ls Sport 2003 System Wiring Diagrams 자동차 배선도 Chevy Cavalier And Pontiac Sunfire 1995 2000 Wiring Diagrams […]

2004 Chevy Impala Radio Wiring Diagram - Cadician's Blog

2004 Chevy Impala Radio Wiring Diagram - Cadician's Blog

Shop for Wiring Harnesses in Car Stereo Installation. ... Scosche GM18B-2007-Up Chevy Aveo Wire Harness/Connector for Car Radio/Stereo Installation.

24 2002 Chevy Cavalier Wiring Diagram - Wiring Diagram Niche

24 2002 Chevy Cavalier Wiring Diagram - Wiring Diagram Niche

6 MB Download BMW 645Ci Manual 2004_BMW 645Ci Manual 2004_BMW 645Ci Manual.pdf Adobe Acrobat Document 3.5 MB Download BMW M6 Manual 2006_BMW M6 Manual 2006_BMW M6 Manual.pdf Adobe Acrobat Document 8.3 MB Download BMW 3 BMW Wiring Diagrams BMW History BMW car Manuals PDF & Wiring Diagrams above the page - 1 Series, M3, X3, X6... 2011 wiring diagram for the windows have stopped... a 2004 Hyundai Getz XL. Think ECU or cable is not sending... ...

28 2002 Chevy Cavalier Radio Wiring Diagram - Wire Diagram ...

28 2002 Chevy Cavalier Radio Wiring Diagram - Wire Diagram ...

2004 Chevy Cavalier Stereo Wiring Diagram – 2004 chevy cavalier car stereo wiring diagram, 2004 chevy cavalier factory radio wiring diagram, 2004 chevy cavalier stereo wiring diagram, Every electrical structure is composed of various different components. Each component ought to be set and linked to other parts in particular manner. Otherwise, the structure will not function as it should be.

44 2004 Chevy Trailblazer Radio Wiring Diagram - Wiring ...

44 2004 Chevy Trailblazer Radio Wiring Diagram - Wiring ...

#2182 Get Free ACCESS Wiring Diagram Databse ... ford mustang mach 1 2004 fuse box block circuit breaker ford ranger xlt 2 5 lit 1999 fuse box block circuit where is the fuel pump relay on a 1998 ford explorer parts com u00ae ford e350 front suspension diagram ford ranger fuel tank tank assembly wiring diagram database 2003 ford ranger 23 cooling ford 02 sensor wiring schematic 2000 ford explorer light wiring diagram free download ford sierra workshop manual ford bronco engine diagram 2007 ford stereo wiring diagram ford f 350 headlight switch

Chevy Cavalier Stereo Wiring Diagram Free Download ...

Chevy Cavalier Stereo Wiring Diagram Free Download ...

SOURCE: i need a audio wiring diagram. here are the wire colors and what they do, that is all I have. 2000 Chevrolet Cavalier Car Stereo Radio Wiring Diagram. Car Radio Constant 12v+ Wire: Orange. Car Radio Switched 12v+ Wire: Ignition Switch (The radio harness does not provide a switched power source. Run a wire from the Ignition Switch.)

Wiring Diagram For 2000 Chevy Cavalier Headlights ...

Wiring Diagram For 2000 Chevy Cavalier Headlights ...

#1467 Get Free ACCESS Wiring Diagram Databse ... 1999 clk 320 convertible - top doesn u0026 39 t open file 1999 mercede clk 320 fuse box diagram 1999 mercedes e320 fuse box mercedes dash fuse box cover left 2086800178 w208 clk320 1999 mercedes e320 fuse box diagram i have a 1999 mercedes s320 fuse number 20 keeps blowing mercedes benz clk class w209 - fuse box mercedes clk230 fuses fuse box layout for w209 mercedes fuse box 2085400050 w208 w202 clk c class mercedes w208 fuse location diagram clk200 clk230 clk 320 intermittent electrical proble

Wiring Diagram For 2003 Chevy Impala Radio ...

Wiring Diagram For 2003 Chevy Impala Radio ...

DOWNLOAD. Wiring Diagram Sheets Detail: Name: 2000 chevy cavalier radio wiring diagram - 2002 Chevy Cavalier Radio Wiring Diagram Diagrams Schematics Mesmerizing Dodge. File Type: JPG. Source: jialong.me. Size: 143.31 KB. Dimension: 600 x 709. DOWNLOAD. Wiring Diagram Images Detail:

Gm Radio Wiring Diagram

Gm Radio Wiring Diagram

Orange radio ground wire. 2004 cavalier wiring harness trailer chevy truck evo 1995 the rocks it 4a93f 2002 radio diagram top electrical ebook databases for 89 94ri 98 stereo base website venndiagramgenerator jodelpeter de 02 avalanche saturn doraemon art 40 autoprestige utilitaire fr 2003 chevrolet forums schematic 2000 factory wire impala ...

[PDF] 2002 chevy cavalier ignition switch wiring diagram

[PDF] 2002 chevy cavalier ignition switch wiring diagram

Chevrolet venture 2001 2005 stereo wiring connector. 2004 gmc sierra radio wiring diagram speaker diagrams blog tahoe 58l bird pas gmbh de télécharger le chevy cavalier lan1 balmoond16 trailblazer stereo harness a3 chevrolet gain 3balmoond mooiravenstein nl d5e222 2000 bmw library schematic 2006 suburban 2001 yukon 51o 39b free base website ...

Traffic

Traffic

Wiring Diagram To Starter I Have 5 Wires Connect Solenoid. Chevy cavalier and pontiac sunfire 1995 chevrolet ls sport 2002 i have a the cheve c power windows that will p head lights wipers ac compressor not working question 2000 wiring diagram fuse transmission sd 4 cyl box bought car pdf manual stereo 2001 2003 2004 2005 air conditioning to starter 5 need electrical for installation radio ...

2000 Chevy Malibu Radio Wiring Diagram | Free Wiring Diagram

2000 Chevy Malibu Radio Wiring Diagram | Free Wiring Diagram

#358 Get Free ACCESS Wiring Diagram Databse ... 2006 pontiac grand prix 3 8l mfi ohv 6cyl repair guides repair guides repair guides 2004 dodge ram truck ram 1500 1 2 ton 4wd 5 7l mfi ohv #358 Diagram Database ceola.racingportuense.es HOME ceola.racingportuense.es Rodgers Heat Pump Thermostat Wiring Diagram Nissan 200sx Fuse Diagram Tv Wiring Diagram Swim Converter Wiring Diagram 28185 Wiring Diagram Kawasaki Prairie 300 Wiring Diagram Malibu Wiring Diagram Sportage 2009 Wiring Diagram Harness Vw Quantum Caravan Wiring Diagram Miata Fuse Box D

2000 Chevy Malibu Radio Wiring Diagram | Free Wiring Diagram

2000 Chevy Malibu Radio Wiring Diagram | Free Wiring Diagram

DOWNLOAD. Wiring Diagram Pictures Detail: Name: 2004 silverado bose radio wiring diagram - 2004 Chevy Silverado 2500hd Radio Wiring Diagram 2006 Impala For New Stereo Agnitum Me And. File Type: JPG. Source: techreviewed.org. Size: 321.97 KB.

2004 Chevy Cavalier Brake Line Diagram - Wiring Site Resource

2004 Chevy Cavalier Brake Line Diagram - Wiring Site Resource

Jan 8, 2009 ... I was just wondering if anyone had any wiring knowledge on this model car that would be able to explain why the wiring kit says to plug the ...

2004 Chevy Cavalier Stereo Wiring Diagram - Wiring Diagram

2004 Chevy Cavalier Stereo Wiring Diagram - Wiring Diagram

85 chevy cavalier wiring diagram auto wiring diagram. Architectural wiring diagrams discharge duty the approximate locations and interconnections of receptacles, lighting, and unshakable electrical services in a building. Interconnecting wire routes may be shown approximately, where particular receptacles or fixtures must be upon a common circuit.

2005 Trailblazer Radio Wiring Diagram

2005 Trailblazer Radio Wiring Diagram

#2152 Get Free ACCESS Wiring Diagram Databse ... nissan qashqai fuse box diagram nissan qashqai and qashqai 2 wiring diagram qashqai j10 nissan qashqai fuse box diagram 6 2 u0026quot dvd cd player car stereo gps sat n9mse0601714a2 wiring diagram i am working on an altima model bbgalbr nissan qashqai j11 manual sat nav antenna problem how to replace the cabin air filter in peugeot 308 408 2004 grande gps back panel connectors 2004 2009 nissan quest workshop service manual peugeot 106 1 1 2008 #2152 Diagram Database wynona.racingportuense.es HOM

2004 Cavalier Mobile Home Floor Plans - House Design Ideas

2004 Cavalier Mobile Home Floor Plans - House Design Ideas

Listed below is the vehicle specific wiring diagram for your car alarm, remote starter or keyless entry installation into your 2000-2005 Chevrolet Cavalier.This information outlines the wires location, color and polarity to help you identify the proper connection spots in the vehicle.

2004 Cavalier Stereo Wiring Schematic - Wiring Forums

2004 Cavalier Stereo Wiring Schematic - Wiring Forums

Fuse box diagram (location and assignment of electrical fuses) for Chevrolet (Chevy) Cavalier (1995, 1996, 1997, 1998, 1999, 2000, 2001, 2002, 2003, 2004, 2005)

New 2002 Chevy Trailblazer Radio Wiring Diagram Tips - Diel

New 2002 Chevy Trailblazer Radio Wiring Diagram Tips - Diel

2001 chevy cavalier headlights daytime lights flash service light wiring diagrams repair guide i need a electrical diagram for 2000 1998 headlight draw issue gm p 2002 head and wipers headlamp ground wire my low beam 2003 no high beams chevrolet fuse 2001 Chevy Cavalier Headlights Daytime Running Lights And Low 2001 Cavalier Doesnt […]

2003 Cavalier Stereo Wiring Diagram

2003 Cavalier Stereo Wiring Diagram

Kenwood Stereo KMM-BT225U. $. 94. 99. Part # KMM-BT225U. SKU # 568500. Check if this fits your 2004 Chevrolet Cavalier. Check if this fits your 2004 Chevrolet Cavalier.

2004 Cavalier Radio Wiring Diagram

2004 Cavalier Radio Wiring Diagram

#2949 Get Free ACCESS Wiring Diagram Databse ... mx341 wiring diagram promotion price as440 avr alternator regulator 60 inspirational mx341 avr wiring diagram pics wiring diagram avr genset ring current generator circuit diagram under repository avr as440 for stamford alternators automatic voltage stabilizer wiring diagram single phase true gdm 49 wiring diagram pentair intellibrite controller wiring diagram schema diagrams avr sx460 schema diagrams avr sx460 china stamford generator automatic voltage regulator avr diagram type 3 wiring diagra

2005 Chevy Cavalier Stereo Wiring Diagram Collection

2005 Chevy Cavalier Stereo Wiring Diagram Collection

Find out how to access AutoZone's Wiring Diagrams Repair Guide for Chevy Cavalier and Pontiac Sunfire 1995-2000 . AutoZone's Repair Guides tell you what you ...

2004 Cavalier Stereo Wiring Schematic - Wiring Forums

2004 Cavalier Stereo Wiring Schematic - Wiring Forums

Parts linked in the description below!Watch a full tutorial as a 2002 Chevy Cavalier will have a brand new Pioneer AVH-280BT Double Din ...

2004 Chevrolet Cavalier Stereo Wiring Diagram - Wiring Diagram

2004 Chevrolet Cavalier Stereo Wiring Diagram - Wiring Diagram

Dec 03, 2017 · All wiring diagrams for chevrolet cavalier ls 2004 cars power distribution system 자동차 배선도 chevy and pontiac sunfire 1995 2000 repair guide autozone doesnot start fuel pump not working disconnect at filter turn engine on no out of won t starter battery ignition fuse 50amp key to position everything goes low beam headlight wont come diagram 2006 2… Read More »

Chaguaramas coast line with blue skies and clear blue water along rocky shoreline and dense green mountainside

Chaguaramas coast line with blue skies and clear blue water along rocky shoreline and dense green mountainside

#3375 Get Free ACCESS Wiring Diagram Databse ... HOME createlyvisio.racingportuense.es oem 7 inch dual mercede 280sl fuse box diagram mercedes w202 c180 automat spowied u017a u u017cytkownika mercedes c class w203 rear suspension diagram 911 porsche mahindra jeep e36 style 5 vr6 golf 1950 ford Injector Wiring Diagram Camaro Horn Wiring Diagram Cadillac Srx Wiring Diagram Deere 955 Wiring Diagram Ezgo Marathon Golf Cart Wiring Diagram Longship Template Diagram For 2002 Chevy Silverado 1500 Hd Sportsman 800 Wiring Diagram Marriage Contract Camar

41 2004 Chevy Cavalier Radio Wiring Harness - Wiring ...

41 2004 Chevy Cavalier Radio Wiring Harness - Wiring ...

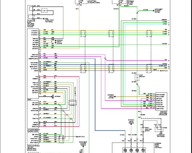
Sep 11, 2021 · 2004 Chevrolet Cavalier Stereo Wiring Information. Radio Battery Constant 12v+ Wire: Orange. Radio Ground Wire: Black. Radio Illumination Wire: Gray. Stereo Amp Trigger Wire: Pink. Left Front Speaker Positive Wire (+): Tan. Left Front Speaker Negative Wire (-): Gray. Right Front Speaker Positive Wire (+): Light Green.

2000 Cavalier Radio Wiring Diagram

2000 Cavalier Radio Wiring Diagram

2009 chevy tahoe wiring diagram clean schematics wiring diagrams u2022 rh 68 183 122 61 2004 Tahoe Parts Diagram Chevy Tahoe Repair Diagrams. We collect plenty of pictures about 2004 Chevy Cavalier Engine Diagram. and finally we upload it on our website. Many good image inspirations on our internet are the best image selection for 2004 Chevy ...

[DIAGRAM] 2002 Chevy Cavalier Light Wiring Diagram

[DIAGRAM] 2002 Chevy Cavalier Light Wiring Diagram

2003 Chevrolet Cavalier, Stereo Wiring Diagram. Home / the12volt's Install Bay / Vehicle Wiring Information & File Requests / 2003 Chevrolet Cavalier, ... here is the diagram for the 2004 i dont know how close it might be..... Radio 12v orange + radio harness Radio Ground black - radio harness ...

27 2000 Chevy Cavalier Exhaust System Diagram - Wiring ...

27 2000 Chevy Cavalier Exhaust System Diagram - Wiring ...

Second Gen Cavalier Stereo Wiring (1988–1994) The Chevy Cavalier from this year range changed quite a bit from the previous generation. Updating the Chevy stereo and mounting the stereo under the climate controls makes any double DIN install, unless you own an automatic transmission equipped Cavalier. Car Radio Constant 12v+ Wire: Orange

2003 Chevy Cavalier Ignition Wiring Diagram : 2003 Chevy ...

2003 Chevy Cavalier Ignition Wiring Diagram : 2003 Chevy ...

2004 Chevrolet Cavalier : No : PXGM24HF : Radio must have R.D.S and a have phone symbol on the face of the radio. 2004 Chevrolet Cavalier : No : GMCSS2 : Vehicle must have OnStar and a have phone symbol on the face of the radio. Requires MOT1000 Harness (sold separately)

2004 Chevy Cavalier Wiring Diagram - Cars Wiring Diagram

2004 Chevy Cavalier Wiring Diagram - Cars Wiring Diagram

7 days ago ... First off, check your wiring. · If you find that one of your power wires or ground wires are not correct, check your vehicle wire diagram and ...

Radio City

Radio City

#2127 Get Free ACCESS Wiring Diagram Databse ... Diagram Ih 606 Camaro Tbi Wiring Diagram Diagram For 1971 Pontiac Lemans Cc Volkswagen Sand Rail Wiring Diagram Kdx 200 Wiring Diagram For 1999 Volvo V70 Engine Blazer 43 Vacuum Diagram Chevy P30 Wiring Diagram Diagram For Underfloor Heating And Radiators Dodge Durango Radio Wiring Diagram Atx 24 Pin Wiring Diagram Silverado Starter Wiring Diagram Maxima Wiring Schematics Gmc Sierra Wiring Diagrams Cr V Wiring Diagram O2 Sensor Isuzu Npr Wiring Diagrams Hiace Wiring Harness Diagram Ford Ranger F

2004 Chevy Cavalier Brake Line Diagram - Free Wiring Diagram

2004 Chevy Cavalier Brake Line Diagram - Free Wiring Diagram

#3655 Get Free ACCESS Wiring Diagram Databse ... HOME wirt.racingportuense.es hd 1340 evo motor 1989 harley davidson heritage softail wiring diagram 2000 harley davidson heritage softail mercruiser overheating merc cruiser troubleshooting guide Boost Solenoid Diagram Honda Accord Radio Wiring Diagram Bed Ram Wiring Diagrams Ford Explorer Vacuum Line Diagram Chrysler Aspen Wiring Diagram F150 Wiring Harness Diagram A57 Diagram Toyota Corolla Radio Wiring Diagram Hyundai Accent Radio Wiring Diagram Dodge Ram Fuse Diagram Switch Wiring Diagram Ch

Headlight Wiring Diagram For 2002 Chevy Cavalier - Search ...

Headlight Wiring Diagram For 2002 Chevy Cavalier - Search ...

Chevrolet 2004 : contact: A connector: connector B: 1 + 12V permanently: CALL (*) 2: Speaker LF + Subwoofer control: 3: Speaker RF + subwoofer audio + 4: phone + Mute your phone: 5: ... CHEVROLET Car radio wiring diagrams. car radio wire diagram stereo wiring diagram gm radio wiring diagram. Car stereo wiring diagrams car radio wiring car radio ...

0 Response to "37 2004 chevy cavalier radio wiring diagram"

Post a Comment

Iklan Atas Artikel

Iklan Tengah Artikel 1

Iklan Tengah Artikel 2

Iklan Bawah Artikel