37 murray lawn mower wiring diagram
Oct 12, · I need a wiring diagram for a Murray riding lawn mower Known as "Yard King",which has 46" cut and a 18HP. motor. serial number and model numbers x5c, Wires for lights and some safety switchs have been cut off. I bought this lawn mower used and want to get these items activated again. If you know the model number of your Murray product, enter it in the search window below to locate Operator's Manuals, Illustrated Parts Lists and Wiring Diagrams. Find Your Murray Model Number Model Numbers on Murray riding lawn mowers are found on the back of the mower or under the seat.
Mar 02, 2020 · Murray Riding Lawn Mower Wiring Diagram – wiring diagram is a simplified gratifying pictorial representation of an electrical circuit. It shows the components of the circuit as simplified shapes, and the capability and signal contacts along with the devices.

Murray lawn mower wiring diagram
MTD 13B326JC758 (2014) Parts Diagram for Wiring Schematic. Order Status. Get Support. 1-877-737-2787. Hours of Operation. M-F 9a-6p ET. Sat 9a-5p ET. Murray Riding Lawn Mower Wiring Diagram wiring diagram is a simplified gratifying pictorial representation of an electrical circuit. Murray Riding Mower Wiring Diagram Effectively read a cabling diagram one offers to find out how the particular components inside the system operate. Over 2 Million Parts Ready To Ship. MURRAY ® Push Mowers & Lawn Equipment. Affordable and efficient, Murray products have been getting the job done for over 90 years. Today, Murray wears its brand proudly as the "Get it done. Go have fun." lawn and garden equipment. Exclusively powered by the world's leading small engines from Briggs & Stratton, Murray is a perfect fit for ...
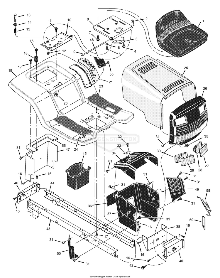
Murray lawn mower wiring diagram. Murray 30577x8A - Lawn Tractor (1998) Parts Diagrams. SWIPE SWIPE. Body Chassis. Electrical System. Motion Drive. Mower Housing. Murray Riding Lawn Mower Wiring Diagram With Lively | Carlplant - Wiring Forums. More information. Murray Lawn Mower · Kids Power Wheels · Yard Tractors. murray riding lawn mower wiring diagram - welcome to my internet site, this message will discuss concerning murray riding lawn mower wiring diagram. We have accumulated many photos, hopefully this image is useful for you, as well as aid you in discovering the answer you are seeking. Description : Lawn Mower Ignition Murray Lawn & Garden Tractors Parts Lookup & Diagrams Murray Lawn & Garden Tractors ( 718 Models ) 7800273 (312006x115A) - Murray Agroma 30" Lawn Tractor, Canada (2008)
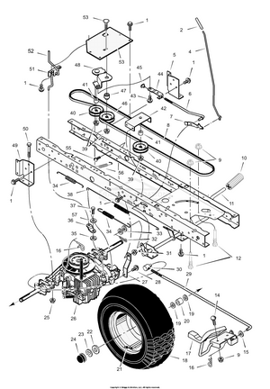
Craftsman Lawn Tractor Wiring Schematic Mower Diagram Electrical Riding On S On Craftsman Riding Lawn Mower Wiring Schematic - Wiring Diagram ... Watch on. need a drive belt diagram for a murray lawn mower model x8 Please find attached a "amateur" drawing of the belt routing for the 37x89MA primary deck. Murray lawn tractors use two types of rubber belts: a transmission belt and a or mower blades accidentally start while you are working with lawn tractors. Murray Ignition Switch Diagram – Trusted Wiring Diagram – Lawn Mower Ignition Switch Wiring Diagram Wiring diagram also provides beneficial recommendations for assignments that might require some added equipment. This e-book even includes ideas for extra provides that you might require in order to end your assignments. Jul 23, 2019 - Murray Riding Lawn Mower Wiring Diagram With Lively | Carlplant by wiringforums.
Wiring Diagram For Craftsman Riding Lawn Mower - wiring diagram for craftsman riding lawn mower, Every electrical structure is composed of various different pieces. Each part should be placed and connected with other parts in specific manner. If not, the structure won't function as it ought to be. Jun 07, 2020 · Craftsman Riding Mower Ignition Switch Wiring Diagram Solutions 11 7 – Murray Lawn Mower Ignition Switch Wiring Diagram. Wiring Diagram comes with a number of easy to stick to Wiring Diagram Instructions. It’s intended to assist all of the average person in creating a correct system. These guidelines will probably be easy to grasp and apply. Apr 13, 2021 · Murray lawn mower solenoid wiring diagram wiring diagram is a simplified pleasing pictorial representation of an electrical circuit it shows the components of the circuit as simplified shapes and the aptitude and signal associates in the midst of the devices. Murray Select 42 Belt Diagram - 9 images - need a hand identifying the model number of this murray 46, ob 4097 murray riding mower murray riding mower parts,
Murray 40508x92h Riding Mower Ilrated Parts List Manualzz. Murray 425007x92a lawn tractor 2002 46576x92b 1999 405000x8c 2004 gear drive 2009 basic wiring diagram riding mower wire for most b s engines rewire of rider doityourself 387002x92c 2005 scotts 42589x8 42 16hp model support manuals 405000x8f 309001x18a user 38 387002x92a service 40508x92h 42583x9a manual schematic parts lookup 30560f ...
Mar 04, 2021 · Wiring Diagram For Murray Riding Lawn Mower New Wiring Diagram For – Wiring Diagram For Murray Riding Lawn Mower. Wiring Diagram includes several in depth illustrations that show the relationship of assorted items. It contains guidelines and diagrams for different types of wiring methods and other items like lights, windows, and so forth.
Murray Lawn Mower Ignition Switch Wiring Diagram from ww2.justanswer.com. Print the wiring diagram off plus use highlighters to trace the signal. When you make use of your finger or perhaps the actual circuit with your eyes, it is easy to mistrace the circuit. 1 trick that We 2 to printing a similar wiring plan off twice.
Oct 12, · I need a wiring diagram for a Murray riding lawn mower Known as "Yard King",which has 46" cut and a 18HP. motor. serial number and model numbers x5c, We have replaced plug, carb and now need to have a wiring diagram for the ignition switch. My old Murray ultra 12hp riding lawn mower stops when it gets hot.5/5.
Murray Riding Lawn Mower Wiring Diagram With Lively | Carlplant - Wiring Forums. Murray Riding Lawn Mower Wiring Diagram With Lively | Carlplant by wiringforums.
Description: Wiring Diagram : Drive Belt Replacement Scotts 2046H Jd2046H throughout Murray Lawn Mower Deck Parts Diagram, image size 800 X 466 px, and to view image details please click the image.. Actually, we have been noticed that murray lawn mower deck parts diagram is being one of the most popular topic at this time. So we tried to uncover some good murray lawn mower deck parts diagram ...
Wiring diagram for murray lawn mower wiring diagrams click murray lawn mower ignition switch wiring diagram you can always depend on riding mower wiring diagram july 23 2020 wiring diagram by anna r. Here is a basic wiring diagram that applies to all vintage and antique lawn and garden tractors using a stator charging system and a battery ...
Murray 42910x92a Lawn Tractor 1996 Parts Diagram For Electrical System. Murray 7800309 Clt185420 18 5hp 42 Gear Drive Manual Pto Lawn Tractor 2008 Parts Diagram For Wiring Schematic Hydro. Briggs Amp Stratton Yard Power Formerly Murray Del 26072017021742 7800409 Elt125380 12 5hp 38 Gear Drive Lawn Tractor 2009 Electrical System Main Harness ...
Murray Tractor Ignition Switch Wiring Diagram. Riding Lawn Mower Electrical Diagram. Craftsman Riding Lawn Mower Parts Diagram – Amazing Wiring Diagram.
Murray 12 Hp Riding Mower Wiring Diagram. Murray 12.5 Hp Riding Mower Wiring Diagram. Murray Lawn Mower Ignition Switch Wiring Diagram. Belt Diagram For Craftsman Riding Mower Lt1000. Husqvarna Awd Mower Drive Belt Diagram. Ferris Mower Drive Belt Diagram. Troy Bilt Mower Drive Belt Diagram. John Deere D105 Lawn Mower Belt Diagram.
A lot of folks out there have riding mowers. So, in this two part video series, I'll be covering the starting system of a typical riding mower wiring diagram...
murray lawn mower ignition switch wiring diagram - You will want a comprehensive, skilled, and easy to comprehend Wiring Diagram. With this sort of an illustrative manual, you are going to have the ability to troubleshoot, avoid, and full your assignments with ease.
As stated previous, the lines at a Murray Lawn Mower Ignition Switch Wiring Diagramsignifies wires. Occasionally, the wires will cross. But, it does not imply link between the cables. Injunction of two wires is usually indicated by black dot on the junction of 2 lines. There will be principal lines which are represented by L1, L2, L3, and so on.
Murray 465306x8 Drive Belt Diagram. Looking for support of your Murray mower or garden tools? the search window below to locate Operator's Manuals, Illustrated Parts Lists and Wiring Diagrams. James Reed, the belt part number is X61MA, it is a 37X61 V-belt. Diagram attached, hope this helps, good luck.
MURRAY ® Push Mowers & Lawn Equipment. Affordable and efficient, Murray products have been getting the job done for over 90 years. Today, Murray wears its brand proudly as the "Get it done. Go have fun." lawn and garden equipment. Exclusively powered by the world's leading small engines from Briggs & Stratton, Murray is a perfect fit for ...
Murray Riding Lawn Mower Wiring Diagram wiring diagram is a simplified gratifying pictorial representation of an electrical circuit. Murray Riding Mower Wiring Diagram Effectively read a cabling diagram one offers to find out how the particular components inside the system operate. Over 2 Million Parts Ready To Ship.
MTD 13B326JC758 (2014) Parts Diagram for Wiring Schematic. Order Status. Get Support. 1-877-737-2787. Hours of Operation. M-F 9a-6p ET. Sat 9a-5p ET.
0 Response to "37 murray lawn mower wiring diagram"
Post a Comment