Iklan 300x250

36 murray 40 inch deck belt diagram

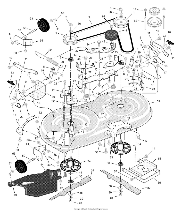
Murray 40" Lawn Tractor | 40504x92A | eReplacementParts.com Need to fix your 40504x92A (1999) 40" Lawn Tractor? Use our part lists, interactive diagrams, accessories and expert repair advice to make your repairs easy. ... Murray 40504x92A (1999) 40" Lawn Tractor Parts. We Sell Only Genuine Murray Parts Popular Parts. Hex Head Washer Screw. ... Mower Deck Belt. $34.11 Part Number: 37X62MA. In Stock, 25 ... Murray 40" Lawn Tractor | 405002x8A | eReplacementParts.com Need to fix your 405002x8A (2002) 40" Lawn Tractor? Use our part lists, interactive diagrams, accessories and expert repair advice to make your repairs easy. ... Murray 405002x8A (2002) 40" Lawn Tractor Parts. We Sell Only Genuine Murray Parts Popular Parts. Hex Head Washer Screw. ... Mower Deck Belt. $34.11 Part Number: 37X62MA. In Stock, 25 ...

Murray 465306x8 Drive Belt Diagram - schematron.org Murray 465306x8 Drive Belt Diagram 14.08.2018 5 Comments Looking for support of your Murray mower or garden tools? the search window below to locate Operator's Manuals, Illustrated Parts Lists and Wiring Diagrams. James Reed, the belt part number is X61MA, it is a 37X61 V-belt. Diagram attached, hope this helps, good luck. Block Image.

Murray 40 inch deck belt diagram

Murray 40 inch deck belt diagram

Murray 12.5 hp rider manual - United States Tutorials Step ... 04/06/2016 · I have a murray 12.5 hp riding lawn mower with a 40″ cut. I need belt diagrams and books on how to change the belts. 22/12/2015 · Murray riding lawn mower mowing ditch 12.5 hp 40″ cut sharp blades new blades 1997 model I believe new deck Briggs and Stratton Powerbuilt 12.5 hp flat head new air filter and spark plug. How to put a belt on a Murray riding lawn mower diagram? You need to raise the belt edge out over the shift lever. After that, turn back via the framework whole. Therefore, wrap the motion control belt's end from around the drive pull. Now, to secure the settings, you should tighten the belt guides. They are situated around the belt drive pulley. Murray 40 INCH (side discharge) Riding Lawn ... - V-Belt Guys Murray 40 INCH (side discharge) Riding Lawn Mower Replacement Belt Original Equipment Manufacturer Murray OEM Part Number 37X62 Machine Riding Lawn Mower Model 40 INCH (side discharge) Belt Type 4LK/AK Aramid VBG Replacement Id APPL665559 Technical Specifications: (Inches) (mm) Outside Circumference 85.00 2159.00 Top Width 0.50 12.70 Belt Depth 0.3125

Murray 40 inch deck belt diagram. How to Install a Murray 40-Inch Drive Belt | Home Guides ... The Murray 40-inch riding lawn mower has a 40-inch cutting deck. The cutting deck housing covers the cutting blades and the deck drive belt that makes the blades turn. The belt is made of rubber,... need diagram to install belt on Murray riding mower - iFixit 2.2k. Posted: Jun 13, 2013. Options. Permalink. History. tw1276, you did not tell us if you are looking for the drive belt or the mower belt. Both images are attached. Hope this helps, good luck. Mower diagram. M 12538 - Murray 38" Riding Mower (2012) Parts & Diagrams ... M 12538 - Murray 38" Riding Mower (2012) Parts & Diagrams Parts Lists & Diagrams. 38" Riding Mower. Recommended Parts Show $ $ $ $ $ $ M 12538 - Murray 38" Riding Mower (2012) > Parts Diagrams ... Mower Deck 38-Inch. Seat & Fender. Transmission. Transmission Drive Assembly. Wiring Schematic. Murray Lawn Mower Belts Diagram need a drive belt diagram for a murray lawn mower model x8 Please find attached a "amateur" drawing of the belt routing for the 37x89MA primary deck. Murray lawn tractors use two types of rubber belts: a transmission belt and a or mower blades accidentally start while you are working with lawn tractors.

Support | Manuals | Murray Model numbers on Murray push mowers and walk behind mowers are normally on the center of the deck between the brackets that mount the lower handle. If your manual is still not found after verifying the model number, please see our Operator's Manual FAQ for more information. Please note that support for models built in 2005 or prior is not ... Amazon.com : Murray 40 Lawn Mower Blade Belt '90-'97 ... About this item Make sure this fits by entering your model number. Murray Part Number 37x62; 37X62MA Blade Drive Belt for 40" Murray Decks from 1990 -1997 Genuine Murray Part Made in Mexico New (10) from $24.09 FREE Shipping on orders over $25.00 shipped by Amazon. Compare with similar items Product Description Product Description Instructions to Install Murray Lawn Tractor Belts | Home ... Instructions to Install Murray Lawn Tractor Belts. Murray lawn tractors use two types of rubber belts: a transmission belt and a mowing deck drive belt. The belts stretch and wear with use ... Murray Mower Deck Assemblies Parts with Diagrams - PartsTree Murray Mower Deck Assemblies ( 18 Models ) 1694863 - Murray 44" Mower Deck. 1695642 - Murray 46" & 52" Mower Deck Turbo. 1695642 A-00 - Murray 46" & 52" Mower Deck Turbo. 1695757 - Murray 54" Turbo Mower Deck. 1695809 - Murray 46" Mower Deck (2010) 1695810 - Murray 46" Mower Deck. 1695960 - Murray 54" Mower Deck (2011)

I need a belt diagram for my mower deck on a 1999 40 murray… Can you e mail me a diagram or manual to install the main drive belt to the transmission on a murray 40 inch cut riding mower. model number is XXXXX mf date 01187 … read more J.R. How do I replace Murray deck belt? - Ask Me Help Desk I need a diagram of how the deck belt goes on. It is a Murray 40" deck. (12.5 hp) chrismd. View Public Profile. Find latest posts by chrismd. MOWERMAN2468 Posts: 3,214, Reputation: 243. Correct Belt Path for Murray Riding Lawn Mower Cutting ... I show you the Correct Belt Path for Murray Riding Lawn Mower Cutting Deck Model 405014x92.Use my Affiliate links to support my channel at no cost to you: Ge... 41 murray 12.5 hp 40 riding mower belt diagram - Wiring ... Rotary belt 12-6508 murray part # 37 X 61 belt. C $40.21 shipping. 37X88, 37X88MA Replacement Belt Made With Kevlar. For Murray Murray riding lawn mower. A made with Kevlar replacement belt costing less than the OEM. Belt is made to FSP specs, 1/2 X 88.24". The 37X93 belt was commonly used as a deck belt on many Murray mowers.

MTD M135-38 (13A1762F058) (2019) Parts Diagram for Deck

MTD M135-38 (13A1762F058) (2019) Parts Diagram for Deck

Need deck belt diagram murray 40" 12.5 hp - JustAnswer I have a 12.5 40 inch 40507x8c. I bought a 40 inch belt on. ... I'm looking for a deck belt routing diagram for a Murray 12 hp 38" cut 2003 year mower. The model number under the seat is 887001X00A. I went to the Murray site and put this model number in for the pd ...

CUTTING DECK BLADE DRIVE BELT FOR MURRAY RIDE ON MOWER 405628x51A | eBay

CUTTING DECK BLADE DRIVE BELT FOR MURRAY RIDE ON MOWER 405628x51A | eBay

murray model 289707 riding lawn mower 40" cut, need manual ... I have a murray 12.5 hp riding lawn mower with a 40" cut. I need belt diagrams and books on how to change the belts. ... #2 Darrell Ford said: I have a murray 12.5 hp riding lawn mower with a 40" cut. I need belt diagrams and books on how to change the belts.

Correct Belt Path for Murray Riding Lawn Mower Cutting Deck ...

Correct Belt Path for Murray Riding Lawn Mower Cutting Deck ...

MTD 13AO785S058 (2013) M195-42 (2013) Mower Deck 42-Inch ... MTD 13AO785S058 (2013) M195-42 (2013) Mower Deck 42-Inch Exploded View parts lookup by model. Complete exploded views of all the major manufacturers. It is EASY and FREE

Viking Mähwerke AMM 848, AME 848 (MF 860, 880, 890 PRO) C ...

Viking Mähwerke AMM 848, AME 848 (MF 860, 880, 890 PRO) C ...

Murray 40508x92A - Lawn Tractor (2000) Parts Diagrams Murray 40508x92A - Lawn Tractor (2000) Exploded View parts lookup by model. Complete exploded views of all the major manufacturers. It is EASY and FREE

I need the diagram of how to put on the belt for the blades ...

I need the diagram of how to put on the belt for the blades ...

Amazon.com: murray 42 deck belt 8TEN Drive Belt for Murray 40 42 46 inch Deck 42910A 42910x30A 42917x6B 46901x192A 46907A 037X80MA 9 $20 95 $22.95 Get it as soon as Sat, Nov 13 FREE Shipping Murray 42" Deck Rebuild Kit Includes Spindle/Blades/Belt/Pulleys/Adapters 3 $147 58 Get it Wed, Nov 17 - Mon, Nov 22 FREE Shipping

MTD 13AC76LF055 (2012) Parts Diagram for Mower Deck 38-Inch

MTD 13AC76LF055 (2012) Parts Diagram for Mower Deck 38-Inch

SOLVED: Belt routing diagram for 40" cut Murray Select ... Study the belt replacement guide decal located underneath the left foot board for proper belt routing instructions. 2 Remove the mowing deck by first moving the attachment clutch lever to the disengaged position (toward you). Move the attachment lift lever all the way forward to lower the mower housing to its down position. 3

40614B - Murray 40

40614B - Murray 40" Lawn Tractor (1996) Parts Lookup with ...

Murray 40 in. Tractor Deck Belt HD37X62 - The Home Depot This item: Murray 40 in. Tractor Deck Belt $13.99 Ariens/Poulan 42 in. Gear Tractor Deck Belt $32.97 Product Overview The Kevlar V-Belts are durable and long lasting versus many of the V-Belts which are made with Polyester Cords. The Kevlar V-Belts are manufactured to withstand the heat, oil.

MTD decks by crigby

MTD decks by crigby

Craftsman Gt5000 48 Inch Deck Belt Diagram - Diagram Niche ... Need deck belt diagram murray 40 125 hpi need the belt diagram for a yardman 46in. Get free shipping on qualified craftsman belts or buy online pick up in store today in the outdoors department. The deck on the craftsman gt5000 has 4 small anti scalping wheels which force the deck to follow the contours of the ground you are cutting, giving you ...

Murray 40

Murray 40" Lawn Tractor | 40318x50A | eReplacementParts.com

Murray 40 INCH (side discharge) Riding Lawn ... - V-Belt Guys Murray 40 INCH (side discharge) Riding Lawn Mower Replacement Belt Original Equipment Manufacturer Murray OEM Part Number 37X62 Machine Riding Lawn Mower Model 40 INCH (side discharge) Belt Type 4LK/AK Aramid VBG Replacement Id APPL665559 Technical Specifications: (Inches) (mm) Outside Circumference 85.00 2159.00 Top Width 0.50 12.70 Belt Depth 0.3125

SOLVED: need diagram to install belt on Murray riding mower ...

SOLVED: need diagram to install belt on Murray riding mower ...

How to put a belt on a Murray riding lawn mower diagram? You need to raise the belt edge out over the shift lever. After that, turn back via the framework whole. Therefore, wrap the motion control belt's end from around the drive pull. Now, to secure the settings, you should tighten the belt guides. They are situated around the belt drive pulley.

Correct Belt Path for Murray Riding Lawn Mower Cutting Deck ...

Correct Belt Path for Murray Riding Lawn Mower Cutting Deck ...

Murray 12.5 hp rider manual - United States Tutorials Step ... 04/06/2016 · I have a murray 12.5 hp riding lawn mower with a 40″ cut. I need belt diagrams and books on how to change the belts. 22/12/2015 · Murray riding lawn mower mowing ditch 12.5 hp 40″ cut sharp blades new blades 1997 model I believe new deck Briggs and Stratton Powerbuilt 12.5 hp flat head new air filter and spark plug.

MURRAY 405004X99 RIDING MOWER ILLUSTRATED PARTS LIST | Manualzz

MURRAY 405004X99 RIDING MOWER ILLUSTRATED PARTS LIST | Manualzz

Murray 46901x92B - Lawn Tractor (1996) Parts Diagrams

Murray 46901x92B - Lawn Tractor (1996) Parts Diagrams

I need a diagram to replace the belt on a murray riding lawn ...

I need a diagram to replace the belt on a murray riding lawn ...

1696441-00 Murray - 42

1696441-00 Murray - 42" Mower Deck (2015) - PartsWarehouse

Murray LT150RD (2690916) - Murray 40

Murray LT150RD (2690916) - Murray 40" Lawn Tractor, Hydro ...

CUTTER DECK DRIVE Belt Murray & Hayter DC1240 DC1440 DC1640H ...

CUTTER DECK DRIVE Belt Murray & Hayter DC1240 DC1440 DC1640H ...

Murray 40

Murray 40" Lawn Tractor | 405003x50A | eReplacementParts.com

Murray M 195-42 - Murray Select 42

Murray M 195-42 - Murray Select 42" Riding Mower (2013) Mower ...

SOLVED: Belt routing diagrams for Murray Select 46 inch - Fixya

SOLVED: Belt routing diagrams for Murray Select 46 inch - Fixya

425007x92A Murray - Lawn Tractor (2002) - PartsWarehouse

425007x92A Murray - Lawn Tractor (2002) - PartsWarehouse

Murray 13AC76LF058 - Murray Lawn Tractor (2013) Mower Deck ...

Murray 13AC76LF058 - Murray Lawn Tractor (2013) Mower Deck ...

Murray Widebody Drive Belt Size Online Shop, UP TO 62% OFF ...

Murray Widebody Drive Belt Size Online Shop, UP TO 62% OFF ...

MTD 13AN772S058 (2013) M175-42 (2013) Parts Diagram for Mower ...

MTD 13AN772S058 (2013) M175-42 (2013) Parts Diagram for Mower ...

Murray 30577x8A - Lawn Tractor (1998) Parts Diagram for ...

Murray 30577x8A - Lawn Tractor (1998) Parts Diagram for ...

MTD 13AN772S058 (2013) M175-42 (2013) Parts Diagram for Mower ...

MTD 13AN772S058 (2013) M175-42 (2013) Parts Diagram for Mower ...

Is there a diagram to install the belt on a murray ground ...

Is there a diagram to install the belt on a murray ground ...

Support | Manuals | Murray

Support | Manuals | Murray

8TEN Drive Belt for Murray 40 42 46 inch Deck 42910A 42910x30A 42917x6B  46901x192A 46907A 037X80MA

8TEN Drive Belt for Murray 40 42 46 inch Deck 42910A 42910x30A 42917x6B 46901x192A 46907A 037X80MA

SOLVED: need diagram to install belt on Murray riding mower ...

SOLVED: need diagram to install belt on Murray riding mower ...

Murray 40 In. Tractor Deck Belt - Walmart.com

Murray 40 In. Tractor Deck Belt - Walmart.com

Murray 425303X92A front-engine lawn tractor parts | Sears ...

Murray 425303X92A front-engine lawn tractor parts | Sears ...

MTD 13AN772S058 (2013) M175-42 (2013) Parts Diagram for Mower ...

MTD 13AN772S058 (2013) M175-42 (2013) Parts Diagram for Mower ...

Murray 46

Murray 46" Deck 1999 - 2009 | Small Engine Equipment Parts

SOLVED: Need belt diagram for Murray mower - Murray Riding ...

SOLVED: Need belt diagram for Murray mower - Murray Riding ...

Murray MB 12538 LT (960120058-00) - Murray Lawn Tractor (2006 ...

Murray MB 12538 LT (960120058-00) - Murray Lawn Tractor (2006 ...

0 Response to "36 murray 40 inch deck belt diagram"

Post a Comment

Iklan Atas Artikel

Iklan Tengah Artikel 1

Iklan Tengah Artikel 2

Iklan Bawah Artikel