Iklan 300x250

36 ruger mkii parts diagram

Ruger Mark II Parts at Brownells RUGER® MK I™ & MK II™ HANDGUN ACTION WRENCHES & HEADS. BROWNELLS. (In Stock) Click here for price! $69.99 - $159.99. 0.0. MARK II 10RD 22 LR MAGAZINE. RUGER. (In Stock) docs.lib.purdue.edu › clcweb › vol6comparative cultural studies comparative literature media ... Issue 6.1 (March 2004) Thematic Issue: Shakespeare on Film in Asia and Hollywood. Ed. Charles S. Ross

Ruger Mark II Pistol Parts Bolt Stop Thumb Piece - Stainless - Late Variation - Original. This Ruger manufactured late variation stainless finished bolt stop thumb piece is for the Mark II s.. $4.95 Ex Tax: $4.95. More Info. Manufacturer: Ruger. Model: Mark II Pistol (See Serial # Chart) Add to Wish List. Add to Compare.

Ruger mkii parts diagram

Ruger mkii parts diagram

marjonklomps.nl › homemade-full-auto-glockmarjonklomps.nl Mar 16, 2022 · On Jan. 22 Cal Rifle Drop In Full Auto Conversion Marlin Model 9 and 45 Full Auto Conversion Ruger A different kind of silencer company. What I'd do for a GLOCK 18!!! I read an interesting article in this years Glock annual magazine that says "the pre-production GLOCK 26 was constructed so as to fire fully automatic and fired thousands of ... Ruger Lcr Parts Diagram - schematron.org Shop for Ruger Revolvers LCR parts today with Numrich Gun Parts.Welcome to Cheaper Than Dirt! Free Shipping on All $99+ Orders. No clubs or codes required. Pistol Parts & Accessories. SR22® Mark IV™ Mark I / Mark II™ / Mark III™ 22/45™ 22 Charger™ LCP® LCP® II. EC9s® / LC9s® / LC® Security-9® Ruger American Pistol® SR® SR . Ruger Mark 2 Schematic - Gun Diagrams, Gun Parts - MidwayUSA Find parts for a Ruger Mark 2 in this easy-to-understand schematic. These gun diagrams will help you better understand how your firearm is assembled with links to the gun parts for easy check out. Mark 2 Mark 2 Click a Part: Action Parts 2. Bolt Assembly 3. Bolt Stop Assembly 4. Bolt Stop Pin 5. Bolt Stop Pin Pivot 6. Bolt Stop Plunger

Ruger mkii parts diagram. Parts for Ruger® MKIII & MKIV 22/45™ & 22/45 LITE ... Final trigger pull may vary slightly due to factory frame variances. Fits the Ruger® MKII™, MKIII™ and MKIII™ 22/45™ (extended bolt release is not used when installing in a 22/45). Option for MKIV™ accurizing kit after clicking Buy Now. $139.95 Accurizing Kit Only. Ruger Mark 1, 2, 3 pistol parts - Wirthwein Guns Ruger Mark IV Pistol Parts including 22/45 & LITE; Ruger Mark 1, 2, 3 pistol parts; Ruger 22/45 Mark 2, 3 Parts including MK3 LITE; Ruger 10/22 Parts; S&W SW22 Victory Pistol Parts; GRIPS. Ruger Mark 1, 2 and 3 Grips (NOT 22/45) Ruger Mark 4 Grips (NOT 22/45) S&W SW22 Victory Pistol Grips; S&W Other Models parts by Volquartsen; Remington parts ... Ruger 77 MKII Series Parts | Numrich Gun Parts Ruger 77 Mark II Schematic W/ Parts List. Product #: PDF0374 Part Key: 0. $1.50. Add to cart. Add to My Saved Parts. Eligible for FREE shipping * 1 Bolt Stop Enlarge Image. Bolt Stop, .223 Cal., Blued (Compact, Sporter, Standard, Varmint Target) Product #: 501800 ... Instruction Manuals - Sturm, Ruger & Co. Sturm, Ruger & Co., Inc. is one of the nation's leading manufacturers of rugged, reliable firearms for the commercial sporting market. With products made in America, Ruger offers consumers almost 800 variations of more than 40 product lines. For more than 70 years, Ruger has been a model of corporate and community responsibility.

Ruger MKII Target Parts | Numrich Gun Parts Ruger MKI, MKII Schematic W/ Parts List. Product #: PDF0362A Part Key: 0. $1.50. Add to cart. Add to My Saved Parts. Eligible for FREE shipping * 1 Barrel Barrel, 6 7/8", Tapered Target Style, Very Good Condition, Blued. Product #: 1221580 Shipment prohibited outside USA. ... Ruger Mark I Parts - MGW MGW stocks thousands of both Ruger OEM gun parts as well as performance upgrades from many well-known manufactures. Ruger parts for pistols like the popular LC9 series and SR series pistols as well as many parts for the Mark Series pistols and more. Ruger Rifle parts such as the ever popular 10/22, 77 and 96 models, the Ruger Mini-14 and Mini 30 platforms as well as todays Ruger American Rifle ... Ruger M77 Parts Diagram - schematron.org Shop for 77 MKII Series Schematics with Numrich Gun Parts. Ruger Rifles 77 MKII Series gun schematic. Sort by: Ruger 77 Mark II Schematic W/ Parts List. Parts List. Last Updated on Tue, 14 Feb | Ruger M77 Hawkeye Bolt. Design , prices and specifications subject to change . Bolt Action Bolt Parts Diagram.Find great deals on eBay for ruger m77 parts. Ruger MKII 22-45 Parts | Numrich Gun Parts Get Ruger Model MKII 22-45 pistol parts, accessories and more with Numrich Gun Parts Corp.. America's leading pistol parts supplier.

dondrago.de › fulton-armory-a1-upper-receiverdondrago.de Mar 18, 2022 · Longsword. Jul 09, 2021 · The A1 Stripped Upper Receiver and the A1 Complete Upper Receiver is the perfect start to your retro project. M1A semi-auto Rifle. It was 0. APEX Gun Parts is your source for hard to find gun parts, parts kits, and accessories. Komora zamkowa z lufą JP-15 SBR Upper w kalibrze. M1 Enhanced Service Rifle. The ultimate ... Exploded Gun Diagrams Collection - eMilitary Manuals Exploded Gun Diagrams - 220+ Gun Diagrams. This download has over 220 exploded gun diagrams with accompanying parts list. These diagrams are great for assembly and disassembly of many guns. forzaitalia-trentinoaltoadige.it › mpa30t-sten-magazinesforzaitalia-trentinoaltoadige.it Mar 20, 2022 · - Suitable for 6mm This is a collection of five Sten machine gun magazines and pouch. A series of submachine guns developed by Great Britain during WWII. £ 49. 48ZB” Deck Parts Diagram Key. 2557 Then there were the magazine wells for a certain quick-change multi-caliber firearm, right alongside parts for MPA's own firearms. Ruger M77 Trigger Assembly Diagram - schematron.org Ruger Rifles 77 MKII Series gun schematic. Sort by: Ruger 77 Mark II Schematic W/ Parts List. In Sturm, Ruger & Co. made the first of its M77 center-fire rifles that receiver); the angled front mounting screw, a fully adjustable trigger.Need parts for your 77 Old Model? Shop for Ruger Rifles 77 Old Model parts today with Numrich Gun Parts.

Ruger Mark II: full disassembly & assembly

Ruger Mark II: full disassembly & assembly

deals-4u.de › fx-impact-custom-partsdeals-4u.de Mar 21, 2022 · Fx Impact Barrel Indexing test FX Impact MKII Custom . If you need replacement parts for your Crosman, Daisy, or Benjamin / Sheridan, please send us a request from our custom order page. 439. Extended Magnetic Fill Port Dust Cover. Find the parts & equipment you need at Spraywell with free shipping on orders over .

Ruger® Mark II 22/45 Schematic - Brownells UK

Ruger® Mark II 22/45 Schematic - Brownells UK

Parts diagram P85 and P85Mk. Find difference!!!! | Ruger Forum If Ruger replaced so many parts, I guess P85 had many more problems that safety. Lower diagram shows parts with different number. You can compare ## with top one. (I removed all same parts from lower diagram) 3 parts on top have "serial number required". Most likely, they are replaced by safety recall.

Urban Armory :: North America's Premier Firearms Broker

Urban Armory :: North America's Premier Firearms Broker

Parts-Sturm Ruger & Co - ShopRuger Ruger® Mark-Series 22/45™ Extended Magazine Release Black. Item #: 18427. $29.95. Ruger® Mark Series 22/45™ Extended Magazine Release Silver. Item #: 18428. $29.95. Charging Ring - Mark III™ , Mark IV™ and 22/45™ - Silver. Item #: 18491. $49.95.

My Hand Guns

My Hand Guns

Ruger Parts & Service - Sturm, Ruger & Co. Please contact Customer Service to determine the extent of parts and service that is available for the models below. Mark I, Mark II and Standard .22 Caliber Pistol; Mini-14 Rifle (Serial # Prefixes Below "580-") "Old Model" (Three-Screw) Single-Action Revolvers - (Free Factory Safety Offer) P85 9MM Pistol and P85 MKII 9MM Pistol; P89 9MM Pistol

Untitled

Untitled

Ruger MKii Parts Diagram - qball45.com Ruger MKii Parts Diagram. ... Ruger MKii. Share this: Tweet; Like this: Like Loading... Related. Ruger's "All American" Giveaway ON GunTalk.com May 9, 2011 In "Firearms" The Ruger Congressman December 21, 2011 In "Firearms" New Ruger 22/45 22lr November 21, 2015 In "Firearms"

Urban Armory :: North America's Premier Firearms Broker

Urban Armory :: North America's Premier Firearms Broker

37 ruger 22 45 parts diagram - Wiring Diagrams Manual Ruger 10/22 parts diagram See more. Tactical Shotgun, Ruger Lc9, Lever Action, Hard To Get, Shotguns. Pistol Parts & Accessories. SR22® Mark IV™ Mark I / Mark II™ / Mark III™ 22/45™ 22 Charger™ LCP® LCP® II. Exploded diagram with parts identification list for Marlin 1895& 1895S.45-70 Government.

Ruger Mark Ii Schematic - Rifle Plans - Bev Fitchett's Guns

Ruger Mark Ii Schematic - Rifle Plans - Bev Fitchett's Guns

41 ruger mark iii assembly diagram - Diagram For You Ruger Mark Iii Assembly Diagram - Free Catalogs A to Z 9 hours ago Parts Diagram Ruger Mark Iii. +7 This video shows how to reassemble a Ruger 22/45 Mark III after a detail strip. This covers reinstalling the sear spring, sear, sear pin, safety lever and ball detent, hammer pin, hammer bushing, trigger bar ball …

Urban Armory :: North America's Premier Firearms Broker

Urban Armory :: North America's Premier Firearms Broker

Ruger MKIII Parts | Numrich Contact Us. Numrich Gun Parts Corporation 226 Williams Ln. Kingston, NY 12401 Phone: 866.686.7424

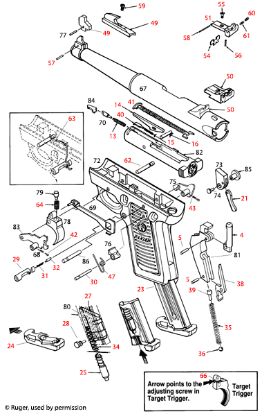
RUGER MARK II, TARGET, MARK II 2245 PISTOLS EXPLODED VIEW ...

RUGER MARK II, TARGET, MARK II 2245 PISTOLS EXPLODED VIEW ...

Ruger Mark Iii Assembly Diagram - schematron.org Parts Diagram Ruger Mark Iii. +7 This video shows how to reassemble a Ruger 22/45 Mark III after a detail strip. This covers reinstalling the sear spring, sear, sear pin, safety lever and ball detent, hammer pin, hammer bushing, trigger bar ball detent, hammer, upper assembly, bolt assembly, and mainspring. and care for your RUGER® Mark IIITM ...

Anatomy: Ruger Mk II : r/guns

Anatomy: Ruger Mk II : r/guns

Parts List - Ruger M77 Mark II and M77 Mark II - Bev ... Parts List. Last Updated on Fri, 07 Jan 2022 | Ruger M77 Mark II and. Design, prices and specifications subject to change without notice. SPECIFY MODEL AND CALIBER WHEN ORDERING (See Exploded Views on Pages 38 - 41) Part Name. Part No.

PDF Ruger P85

PDF Ruger P85

Parts Ruger Mark Diagram Ii [4I3OYF] What is Ruger Mark Ii Parts Diagram. Ruger Mark IV, Mark III and 22/45 accessories by Volquartsen, Majestic Arms and more include barrels and uppers, grips and frames, magazines and mag loaders, parts and trigger tune up, scope mounts and sights, holsters and cases.

Over 15,000 printable gun schematics (diagrams) and ...

Over 15,000 printable gun schematics (diagrams) and ...

Ruger Mark II Parts - MGW MGW stocks thousands of both Ruger OEM gun parts as well as performance upgrades from many well-known manufactures. Ruger parts for pistols like the popular LC9 series and SR series pistols as well as many parts for the Mark Series pistols and more. Ruger Rifle parts such as the ever popular 10/22, 77 and 96 models, the Ruger Mini-14 and Mini 30 platforms as well as todays Ruger American Rifle ...

Ruger MKIII Parts | Numrich

Ruger MKIII Parts | Numrich

Ruger MKII Parts - Gun Parts Corp Ruger MKI, MKII Schematic W/ Parts List. Product #: PDF0362A Part Key: 0. $1.50. Add to cart. Add to My Saved Parts. Eligible for FREE shipping * 1 Barrel Enlarge Image. Barrel, 4-3/4", Tapered, Blued. Product #: 273160 Shipment prohibited outside USA. ...

Mark II Instruction Manual

Mark II Instruction Manual

Ruger Single Action Revolver Schematic - Gun Diagrams, Gun ... Ruger Single Action Revolver Schematic. Find parts for a Ruger Single Action Revolver in this easy-to-understand schematic. These gun diagrams will help you better understand how your firearm is assembled with links to the gun parts for easy check out.

Ruger 10/22 parts bolts screws pins buffer trigger take down ...

Ruger 10/22 parts bolts screws pins buffer trigger take down ...

Ruger Mark 2 Schematic - Gun Diagrams, Gun Parts - MidwayUSA Find parts for a Ruger Mark 2 in this easy-to-understand schematic. These gun diagrams will help you better understand how your firearm is assembled with links to the gun parts for easy check out. Mark 2 Mark 2 Click a Part: Action Parts 2. Bolt Assembly 3. Bolt Stop Assembly 4. Bolt Stop Pin 5. Bolt Stop Pin Pivot 6. Bolt Stop Plunger

Parts List - Ruger M77 Mark II and M77 Mark II - Bev ...

Parts List - Ruger M77 Mark II and M77 Mark II - Bev ...

Ruger Lcr Parts Diagram - schematron.org Shop for Ruger Revolvers LCR parts today with Numrich Gun Parts.Welcome to Cheaper Than Dirt! Free Shipping on All $99+ Orders. No clubs or codes required. Pistol Parts & Accessories. SR22® Mark IV™ Mark I / Mark II™ / Mark III™ 22/45™ 22 Charger™ LCP® LCP® II. EC9s® / LC9s® / LC® Security-9® Ruger American Pistol® SR® SR .

Pin on Stuff to Buy

Pin on Stuff to Buy

marjonklomps.nl › homemade-full-auto-glockmarjonklomps.nl Mar 16, 2022 · On Jan. 22 Cal Rifle Drop In Full Auto Conversion Marlin Model 9 and 45 Full Auto Conversion Ruger A different kind of silencer company. What I'd do for a GLOCK 18!!! I read an interesting article in this years Glock annual magazine that says "the pre-production GLOCK 26 was constructed so as to fire fully automatic and fired thousands of ...

Ruger P85 Parts | Numrich Gun Parts

Ruger P85 Parts | Numrich Gun Parts

Volquartsen Exact Edge Extractor for 10/22 and Ruger Mark II ...

Volquartsen Exact Edge Extractor for 10/22 and Ruger Mark II ...

Mark II Instruction Manual

Mark II Instruction Manual

Ruger MKII 22-45 Parts | Numrich Gun Parts

Ruger MKII 22-45 Parts | Numrich Gun Parts

The High Standard HD 22 Pistol: Dirty deeds, done dirt cheap ...

The High Standard HD 22 Pistol: Dirty deeds, done dirt cheap ...

Cerus Gear Pistol Mat for Sig Sauer P226 Schematic Promat ...

Cerus Gear Pistol Mat for Sig Sauer P226 Schematic Promat ...

Ruger MKII Parts | Gun Parts Corp.

Ruger MKII Parts | Gun Parts Corp.

Ruger MKII Trigger - 24hourcampfire

Ruger MKII Trigger - 24hourcampfire

2. Builder Lower grip frame parts - Ruger Mark I pistol

2. Builder Lower grip frame parts - Ruger Mark I pistol

Untitled

Untitled

Hard to find MKI parts | Ruger Forum

Hard to find MKI parts | Ruger Forum

Ruger Mark II III IV 22/45 Shims, Trigger Kits, Springs

Ruger Mark II III IV 22/45 Shims, Trigger Kits, Springs

Ruger Mark II 22 LR Pistol Disassembly Assembly

Ruger Mark II 22 LR Pistol Disassembly Assembly

Parts List - Ruger M77 Mark II and M77 Mark II - Bev ...

Parts List - Ruger M77 Mark II and M77 Mark II - Bev ...

Instruction & Parts Manual Ruger Mark II Target & Std ...

Instruction & Parts Manual Ruger Mark II Target & Std ...

Ruger Trigger Pin Retainer Blued for Mark 1 ONLY A34-1

Ruger Trigger Pin Retainer Blued for Mark 1 ONLY A34-1

Ruger MKii Parts Diagram | QBall45

Ruger MKii Parts Diagram | QBall45

Pistol Parts – MARSTAR CANADA

Pistol Parts – MARSTAR CANADA

Ruger® M-77 MK II All-Weather, Sporter Schematic - Brownells UK

Ruger® M-77 MK II All-Weather, Sporter Schematic - Brownells UK

0 Response to "36 ruger mkii parts diagram"

Post a Comment

Iklan Atas Artikel

Iklan Tengah Artikel 1

Iklan Tengah Artikel 2

Iklan Bawah Artikel