Iklan 300x250

37 2004 honda civic wiring diagram

Honda Civic Wiring Harness Diagram - Wiring Diagram honda civic wiring harness diagram - You will want an extensive, expert, and easy to understand Wiring Diagram. With such an illustrative guide, you will be capable of troubleshoot, prevent, and full your tasks easily. Not merely will it assist you to accomplish your required final results more quickly, but in addition make the whole method less difficult for everyone. Honda Civic Wiring Diagrams 1999 To 2016 ... - YouTube This video demonstrates the Honda Civic Wiring Diagrams and details of the wiring harness. Diagrams for the following systems are included : Radio Wiring, En...

hartford auto parts - craigslist Genuine Honda Fuel Filler Gas Cap Acura Accord Civic CRV S2000 CL 1767 $15 ... 1999-2004 Honda Odyssey Front Engine Motor Mount Rubber Oem 50800-S0x-$20 ... 2005 Ford Escape & Mariner Hybrid Wiring Diagram Manual $15 (Enfield, CT ) pic hide this posting restore restore this posting. $17.

2004 honda civic wiring diagram

2004 honda civic wiring diagram

Wiring Diagram Honda Civic 2004 - Wiring Diagram Honda Civic Wiring Diagrams Car Electrical Diagram. Engine performance honda civic ex air conditioning si 2004 instrument cer lx wiring diagrams car pilot 2003 05 transmission wideband o2 to 03 headlight diagram 2002 2005 stereo question hvac compressor wont 04 radio harness layout audio a c problem hondacivicforum com dx got for headlights del sol 1996 00 alarm 2018 guide pinouts abs on twin ... 2004 Civic Fuse Box Diagram, Fluorescent Light Wiring Diagram You can also find other images like honda wiring diagram, honda parts. This scanner should work on any BMW past 1996. Location and descriptions of the fuses of the under-hood fuse box for 1.7L 2001-2004 Honda Civic DX, EX, and LX. The Nissan X-TRAIL is a capable vehicle that supports your lifestyle. Honda - Civic - Wiring Diagram - (2019) Honda Accord Lx Sedan Workshop Manual (L4-2254cc 2.3L SOHC (VTEC) MFI (1998)) Honda - Pilots - Wiring Diagram - 2003 - 2004. Odyssey V6-3.5L (2003) Honda Prelude Workshop Manual (L4-2157cc 2.2L DOHC (VTEC) MFI (2001)) 2001-2006--Honda--Odyssey--6 Cylinders 3.5L FI SOHC--32980301.

2004 honda civic wiring diagram. Honda Wiring Diagrams - FreeAutoMechanic Wiring Diagrams › Honda. If you run into an electrical problem with your Honda, you may want to take a moment and check a few things out for yourself. Before you dive in with a multi-meter, you will want to obtain a free wiring diagram for your specific model.You may need to locate a specific color wire and its exact location. Wiring diagrams for honda civic 2004 1600cc | HondaSwap.com Wiring diagrams for honda civic 2004 1600cc. Thread starter CIVICAKIAS; Start date Mar 15, 2010; Replies 7 Views 4K We may earn a small commission from affiliate links and paid advertisements. Novsights.com - Auto Lighting & LED Headlight | Car, Truck ... Novsight is a company working on design and sale the best Auto LED Lighting, LED Headlight Conversion Kit, Fog Lamp, Led Work Lights,LED Headlight Bulb for Car, Truck, SUV, Jeep and pickup,Free Shipping To 35 Countries. PORSCHE - Car PDF Manual, Wiring Diagram & Fault Codes DTC im looking the complete engine wiring diagram & schematic thats color coded for my 4dr 1994 honda civic sedan has a D15b7 engine in it for now but someone cut up a few wires in diffrent areas. thank you very much its been difficult to find the correct schematic & diagram again thank you #220. Ed Bro (Friday, 29 January 2021 05:49)

2004 Honda Civic Stereo Wiring Diagram Images - Wiring ... 2004 Honda Civic Stereo Wiring Diagram from ww2.justanswer.com. Print the wiring diagram off plus use highlighters to trace the signal. When you make use of your finger or perhaps the actual circuit with your eyes, it is easy to mistrace the circuit. 1 trick that We 2 to printing a similar wiring plan off twice. 2004 Honda Civic Engine Diagram - U Wiring ISO 14230-4 ISO 9141-2. 2004 honda civic engine diagram. 42 2004 Honda Civic Timing Belt Diagram.Honda Civic ninth generation The eighth generation Honda Civic is a range of compact cars C-segment manufactured by Honda between 2005 and 2012 replacing the seventh-generation Civic. Need wiring diagram for 2004 honda civic stereo harness ... I need radio wiring diagram for 2004 honda civic sedan and instructions on how to remove the radio I just installed a radio and speakers in my 1992 Civic LX (132323 miles). Most radios are removed by disassembling some of the dashboard components. Ignition Coil Wiring Diagram (2001-2005 1.7L Honda Civic) Cylinder #1, Cylinder #2, Cylinder #3, Cylinder #4 Ignition Coil Wiring Diagram. 2001, 2002, 2003, 2004, 2005 1.7L Honda Civic

TOYOTA Wiring Diagrams - Car Electrical Wiring Diagram TOYOTA Avalon, Avensis, Aygo, Camry, Carina 2, Corolla, Corona, FJ40, Hiace, Hilux, Land Cruiser, Prius, RAV4, Supra, Tundra, Yaris - Electrical Wiring Diagrams I need color wiring diagram pinout for 2004 to 2005 civic ... 16,023 satisfied customers. Honda Civic: "I need the wiring diagram for the instrument. "I need the wiring diagram for the instrument cluster on a 2004 HONDA CIVIC INSTRUMENT CLUSTER I need to know the positive pins and the ground pins I believe this is a Hybrid model but the VIN is JHME … read more. Dan. How To Ford F150 Stereo Wiring Diagram - My Pro Street Feb 02, 2016 · Although our comprehensive stereo wiring guides have extensive work in them, always test the wires before applying any power. These free car wiring guides are provided as informational tutorials and should be used at your own risk. We’ll begin our tutorial with the seventh generation Ford F150 truck. Seventh generation F150 stereo wiring ... 2004 Honda Accord Ignition Wiring Diagram - U Wiring Wiring Diagram For 2004 Accord V6 Coupe Automatic I Need. Listed below is the vehicle specific wiring diagram for your car alarm remote starter or keyless entry installation into your 2004- Honda Accord. The LF door is green in a lt. What does the B1 warning light on Honda Accord.

TRANSMISSION – Honda Civic LX 2004 – SYSTEM WIRING DIAGRAMS ...

TRANSMISSION – Honda Civic LX 2004 – SYSTEM WIRING DIAGRAMS ...

2004 Honda Civic Radio Wiring - the12volt.com Posted: January 06, 2007 at 10:23 PM / IP Logged. I have a 2001 Civic, which from what I've read has the same stereo wiring harness/pinout as the 2004. Today I installed an aftermarket head unit. There were four wires on the factory harness that did not correspond to any of the wires on the new HU. There was a RED / black (illumination, which I ...

Need wiring help: 05 Civic LX Wideband O2 to 03 Civic ...

Need wiring help: 05 Civic LX Wideband O2 to 03 Civic ...

2004 Honda Civic Engine Diagram - Automotive Parts Diagram ... Description: Honda Civic 2001-2005 Expert Review with 2004 Honda Civic Engine Diagram, image size 700 X 525 px, and to view image details please click the image.. Here is a picture gallery about 2004 honda civic engine diagram complete with the description of the image, please find the image you need.

ECM/PCM Wiring Diagrams | Honda / Acura K20a K24a Engine Forum

ECM/PCM Wiring Diagrams | Honda / Acura K20a K24a Engine Forum

bozeba.de Mar 05, 2022 · Denso fan motor

Complete Stereo Wire Diagrams - All Stereos/Navigation | 8th ...

Complete Stereo Wire Diagrams - All Stereos/Navigation | 8th ...

Honda Civic Wiring Diagram Pdf Images - Wiring Diagram Sample Honda Civic Wiring Diagram Pdf Print the wiring diagram off plus use highlighters to trace the signal. When you make use of your finger or perhaps the actual circuit with your eyes, it is easy to mistrace the circuit. 1 trick that We 2 to printing a similar wiring plan off twice.

Honda CRV 2001-06 Wiring Diagrams Repair Guide - AutoZone

Honda CRV 2001-06 Wiring Diagrams Repair Guide - AutoZone

PDF Wiring Diagramse - Club Civic Quebec -J SYSTEM WIRING DIAGRAMS Distribution Circuit (3 of 4) 2001 Honda Civic Ell -l Page 1 Monday, May 05, 2003 01:28PM

Shield Tech Security > Car Accessories > Vehicle Wiring ...

Shield Tech Security > Car Accessories > Vehicle Wiring ...

sebastian-goers.de Mar 05, 2022 · Always garaged and well cared for, beautiful paint and interior. 00 listings starting at ,795. 2-mm hollow rear stabilizer bar are also used. Used Pontiac Grand Prix for Sale & Salvage Auction. 8L All Wiring Diagrams for Pontiac Grand Prix GXP 2006The 2008 Pontiac Grand Prix comes with either a 3. Be Unique. 2006 Grand Prix GXP. 6 out of 5 ...

Repair Guides | Wiring Diagrams | Wiring Diagrams (5 Of 103 ...

Repair Guides | Wiring Diagrams | Wiring Diagrams (5 Of 103 ...

Honda Civic Wiring Harness Diagram - Cadician's Blog honda civic wiring harness diagram - You will want an extensive, expert, and easy to understand Wiring Diagram. With such an illustrative guide, you will be capable of troubleshoot, prevent, and full your tasks easily. Not merely will it assist you to accomplish your required final results more quickly, but in addition make the whole method less difficult for everyone.

Stealth car alarm install - 6th Gen Honda Civic EK

Stealth car alarm install - 6th Gen Honda Civic EK

2004 Honda Civic Wiring Diagram | Honda odyssey, Honda ... Electrical Wiring Diagram. Nissan Patrol. Mitsubishi Lancer Evolution. Spark Plug. Ae86. Nissan Silvia. Honda S2000. Just another WordPress site. 1997 Honda Accord Engine Wiring Diagram and Repair Guides - 15+ 1997 Honda Accord Engine Wiring Diagram .1997 Honda Accord Engine Wiring Diagram and Repair Guides - Wiringg.net.

INSTRUMENT CLUSTER – Honda Civic 2005 – SYSTEM WIRING ...

INSTRUMENT CLUSTER – Honda Civic 2005 – SYSTEM WIRING ...

2004 Honda Civic Fuse Box | Fuse Box And Wiring Diagram 89. Automotive Wiring Diagrams with regard to 2004 Honda Civic Fuse Box, image size 1024 X 720 px, and to view image details please click the image. Description : Need Help!! Just Put Ac In Civic Dx But Im Missing A Fuse. - Honda inside 2004 Honda Civic Fuse Box, image size 626 X 327 px, and to view image details please click the image.

ECM/PCM Wiring Diagrams | Honda / Acura K20a K24a Engine Forum

ECM/PCM Wiring Diagrams | Honda / Acura K20a K24a Engine Forum

SOLVED: Where is the ground wiring on a 2004 Honda Civic ... SOURCE: where can I get wiring diagram for 92 Honda Civic. Here several documents: Engine wiring-1992-95 Civic (except VX) Engine wiring-1992-95 Civic VX Chassis wiring-1992-95 Civic, 1993-95 del Sol Chassis wiring-1992-95 Civic, 1993-95 del Sol Good luck... remember rated this help. Posted on Aug 19, 2009

Wiring diagram for 2000 honda civic lx power mirrors

Wiring diagram for 2000 honda civic lx power mirrors

2005 Honda Civic Wiring Diagram | Fuse Box And Wiring Diagram Description : Wiring Diagram For 2000 Honda Civic Ex - The Wiring Diagram intended for 2005 Honda Civic Wiring Diagram, image size 800 X 953 px, and to view image details please click the image. Here is a picture gallery about 2005 Honda Civic Wiring Diagram complete with the description of the image, please find the image you need.

I have a 2000 honda civic the brake light do not work. I have ...

I have a 2000 honda civic the brake light do not work. I have ...

2004 Honda Civic Alarm/Remote Start Wiring 2004 Honda Civic Alarm/Remote Start Wiring Home / the12volt's Install Bay / Vehicle Wiring Information & File Requests / 2004 Honda Civic Alarm/Remote Start Wiring ( Topic Closed) Welcome Guest :)

HONDA Civic Wiring Diagrams - Car Electrical Wiring Diagram

HONDA Civic Wiring Diagrams - Car Electrical Wiring Diagram

Free Vehicle Repair Guides & Auto Part Diagrams - AutoZone Find out how to access AutoZone's Main Wiring Diagram (Equivalent To 'Standard Equipment') (Cabrio 1999) (1999) Repair Guide for Volkswagen Cars 2000-05. ... Honda CRV 2001-06 Wiring Diagrams Repair Guide. Find out how to access AutoZone's Wiring Diagrams Repair Guide for Honda CRV 2001-2006. Read More . Kia Sephia, Rio, Spectra, Optima 1998 ...

DVBT 2 im Phaeton ?? - Seite 10 - Zitat: @gerha...

DVBT 2 im Phaeton ?? - Seite 10 - Zitat: @gerha...

2004-2005 Honda Civic Vehicle Wiring Chart and Diagram 2004-2005 Honda Civic Wiring Diagram Printer Friendly Version Listed below is the vehicle specific wiring diagram for your car alarm, remote starter or keyless entry installation into your 2004-2005 Honda Civic . This information outlines the wires location, color and polarity to help you identify the proper connection spots in the vehicle.

How To Honda Civic Car Alarm Wiring Diagram - My Pro Street

How To Honda Civic Car Alarm Wiring Diagram - My Pro Street

PDF 2004 Honda Civic Engine Diagram - cms.nationnews.com Honda Civic Wiring Diagram 2004 - Wiring Diagram Honda Civic Honda Civic History - Introduction. The Honda Civic first entered the US car market in 1972 as a 1973 model year. Since then, the Civic has built a name for itself for being reliable, affordable, and fuel-efficient. While it started as a subcompact, it has since grown to become a well ...

Pin on Idées pour la maison

Pin on Idées pour la maison

HONDA - Car PDF Manual, Wiring Diagram & Fault Codes DTC im looking the complete engine wiring diagram & schematic thats color coded for my 4dr 1994 honda civic sedan has a D15b7 engine in it for now but someone cut up a few wires in diffrent areas. thank you very much its been difficult to find the correct schematic & diagram again thank you #220. Ed Bro (Friday, 29 January 2021 05:49)

SWAP Cluster CIVIC 2001 DX to 2004 LX??? - Honda Civic Forum

SWAP Cluster CIVIC 2001 DX to 2004 LX??? - Honda Civic Forum

2004 Honda Civic Stereo Wiring Diagram - easywiring 2004 honda civic car stereo radio wiring diagram whether your an expert honda electronics installer or a novice honda enthusiast with a 2004 honda civic a car stereo wiring diagram can save yourself a lot of time. For example if a module is usually powered up and it also sends out a signal of fifty percent the voltage in addition to the ...

Honda CIVIC 2004 (4) 4DR DXVP VP SIDE SSR (KA) THROTTLE BODY ...

Honda CIVIC 2004 (4) 4DR DXVP VP SIDE SSR (KA) THROTTLE BODY ...

2004 Honda Civic Car Radio Wiring Chart - MODIFIEDLIFE Knowing what every wire does in your 2004 Honda Civic radio wire harness takes the guess work out of changing your car radio or fixing your car stereo. Our 2004 Honda Civic radio wiring diagram shows you all the 2004 Honda Civic radio wire colors and what they do. Use our 2004 Honda Civic stereo wiring guide to install a new car radio.

Civic 2002 Starting Wiring Diagram - Civic - PakWheels Forums

Civic 2002 Starting Wiring Diagram - Civic - PakWheels Forums

issrmaterecclesiae.it 2 days ago · Fuel Pump Wiring Diagram (2004-2006 2. 25a. The most recently reported issues are listed below. When you can, with a tissue, swipe the top of the pump to check for moistness, then the entire pump assembly itself. cobalt 2010, 2008 cobalt 2 0 2 2 2 4l fuel lines 2008 chevrolet, 08 cobalt fuel filter php new era of wiring diagram, 2008 chevrolet ...

1998 Honda Civic A/c Not working - HondaCivicForum.com

1998 Honda Civic A/c Not working - HondaCivicForum.com

Car Alarm Wiring Diagram and Car Wire Schematics - 2004 ... Whether your an expert installer or a novice enthusiast with a 2004 Honda Civic, an automotive wiring diagram can save yourself time and headaches. One of the most time consuming tasks with installing a car alarm, remote car starter, car security system or any mobile electronics is identifying the correct wires for a 2004 Honda Civic.

Engine Swap Information

Engine Swap Information

Honda - Civic - Wiring Diagram - (2019) Honda Accord Lx Sedan Workshop Manual (L4-2254cc 2.3L SOHC (VTEC) MFI (1998)) Honda - Pilots - Wiring Diagram - 2003 - 2004. Odyssey V6-3.5L (2003) Honda Prelude Workshop Manual (L4-2157cc 2.2L DOHC (VTEC) MFI (2001)) 2001-2006--Honda--Odyssey--6 Cylinders 3.5L FI SOHC--32980301.

Amazon.com: Carxtc Stereo Wire Harness Fits Honda Civic ...

Amazon.com: Carxtc Stereo Wire Harness Fits Honda Civic ...

2004 Civic Fuse Box Diagram, Fluorescent Light Wiring Diagram You can also find other images like honda wiring diagram, honda parts. This scanner should work on any BMW past 1996. Location and descriptions of the fuses of the under-hood fuse box for 1.7L 2001-2004 Honda Civic DX, EX, and LX. The Nissan X-TRAIL is a capable vehicle that supports your lifestyle.

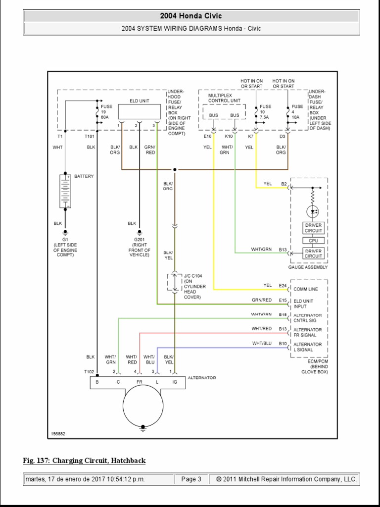
Honda Civic 2004 Alternador | PDF

Honda Civic 2004 Alternador | PDF

Wiring Diagram Honda Civic 2004 - Wiring Diagram Honda Civic Wiring Diagrams Car Electrical Diagram. Engine performance honda civic ex air conditioning si 2004 instrument cer lx wiring diagrams car pilot 2003 05 transmission wideband o2 to 03 headlight diagram 2002 2005 stereo question hvac compressor wont 04 radio harness layout audio a c problem hondacivicforum com dx got for headlights del sol 1996 00 alarm 2018 guide pinouts abs on twin ...

Information :: Tech Area :: 02-04 PRB / RSX Type-S Ecu Pin ...

Information :: Tech Area :: 02-04 PRB / RSX Type-S Ecu Pin ...

Honda Civic IX - wiring diagram and manual - YouTube

Honda Civic IX - wiring diagram and manual - YouTube

2005 Civic LX SE Wiring Diagram | ClubCivic.com - Honda Civic ...

2005 Civic LX SE Wiring Diagram | ClubCivic.com - Honda Civic ...

01-'05 Honda Civic Fuse Diagram

01-'05 Honda Civic Fuse Diagram

HONDA Car Radio Stereo Audio Wiring Diagram Autoradio ...

HONDA Car Radio Stereo Audio Wiring Diagram Autoradio ...

Useful diagrams and schematics | Honda Civic Forums - 7thGenHonda

Useful diagrams and schematics | Honda Civic Forums - 7thGenHonda

2001-2005 1.7L Honda Civic Under-Dash Fuse Box

2001-2005 1.7L Honda Civic Under-Dash Fuse Box

HONDA Car Radio Stereo Audio Wiring Diagram Autoradio ...

HONDA Car Radio Stereo Audio Wiring Diagram Autoradio ...

Useful diagrams and schematics | Honda Civic Forums - 7thGenHonda

Useful diagrams and schematics | Honda Civic Forums - 7thGenHonda

2001 HONDA CIVIC WIRING DIAGRAM - Wiring Diagram Service ...

2001 HONDA CIVIC WIRING DIAGRAM - Wiring Diagram Service ...

Wiring Diagrams for Cars, Trucks, & SUVs - AutoZone

Wiring Diagrams for Cars, Trucks, & SUVs - AutoZone

Details zu 2003-2004 Honda Civic Si Electrical Troubleshooting Manual  Wiring Diagram Book

Details zu 2003-2004 Honda Civic Si Electrical Troubleshooting Manual Wiring Diagram Book

HONDA Car Radio Stereo Audio Wiring Diagram Autoradio ...

HONDA Car Radio Stereo Audio Wiring Diagram Autoradio ...

15+ 95 Honda Civic Engine Wiring Diagram - Engine Diagram ...

15+ 95 Honda Civic Engine Wiring Diagram - Engine Diagram ...

0 Response to "37 2004 honda civic wiring diagram"

Post a Comment

Iklan Atas Artikel

Iklan Tengah Artikel 1

Iklan Tengah Artikel 2

Iklan Bawah Artikel