38 cub cadet hydrostatic transmission diagram
SOLVED: Cub cadet hydrostatic transmission new lawn... - Fixya Hydrostatic Transmission The hydrostatic transmission is sealed at the factory and is maintenance free. The fluid level cannot be checked nor can the oil be changed. Always keep the area around the transmission cooling fan free of grass and debris at all times. Cub Cadet LT1024 Operator Manual. What kind of oil goes in Cub Cadet hydrostatic transmission? If your Cub Cadet calls for "Cub Cadet Drive System Fluid Plus" in the transmission, it is OK to use Rotella 5w-40 or 15w-40. Beside above, can I use synthetic oil in my Cub Cadet? It is fine to use synthetic oil if the engine manufacturer's change intervals are followed.
Cub Cadet Hydrostatic Transmission Won't Move? (Do This!)... Your Cub Cadet hydrostatic transmission has a transmission bypass. If you need to move the mower by pushing, opening the bypass allows the hydraulic fluid to move inside the transmission as you push the mower. You may have neglected to close the bypass...

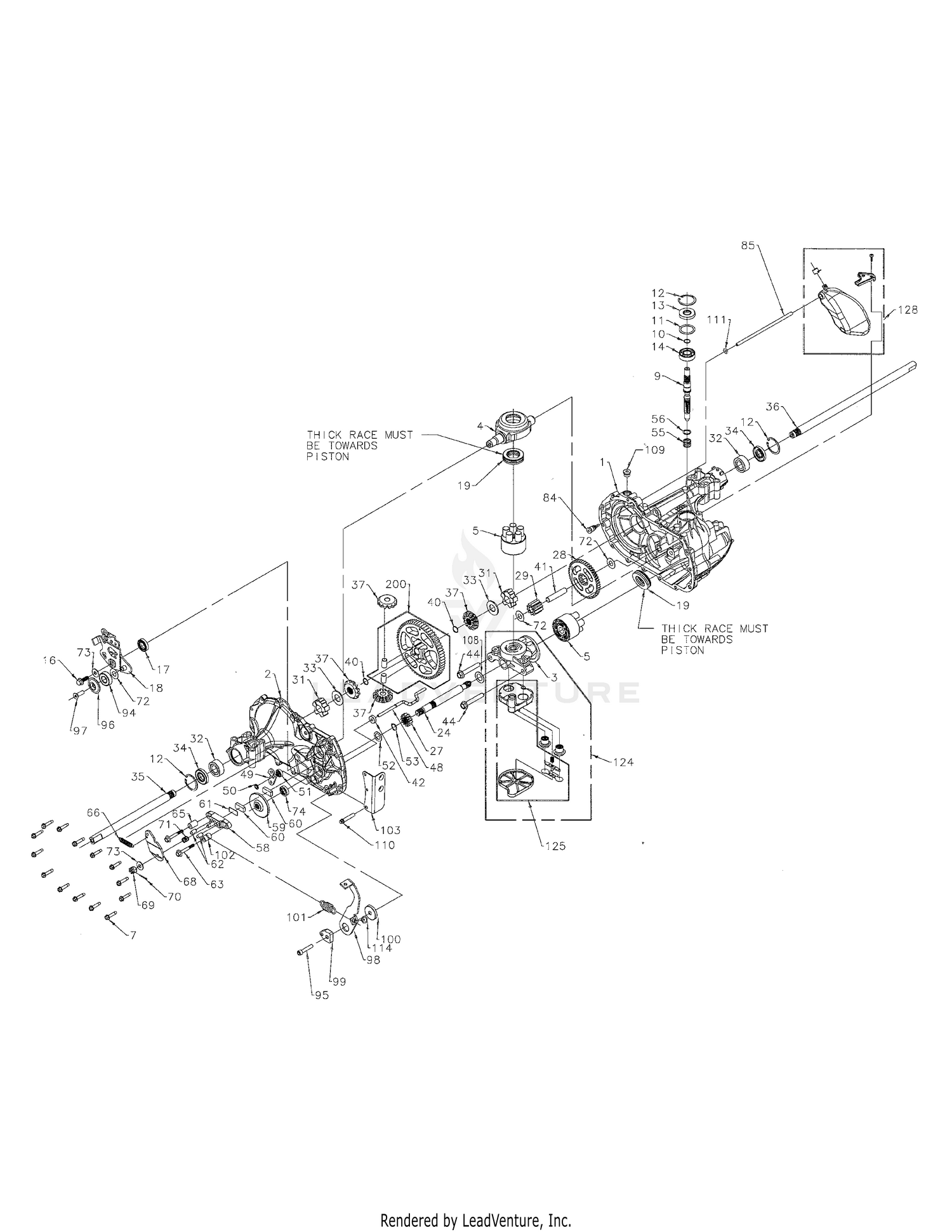
Cub cadet hydrostatic transmission diagram
How does a Cub Cadet hydrostatic transmission work? This transmission was used on the Cub Cadet line of Garden tractors as well as many other tractors and vehicles. The hydrostatic transmission allows a tractor to convert mechanical energy into hydraulic power and then back to mechanical energy. Model 1330 Hydrostatic Transmission problem - Only Cub Cadets He really didn't seem to know how to operate hydrostatic system and engaged dump valve while trying to push speed lever forward. Can anybody offer any advise? Also, how do I find transmission and pump assembly manufacturer and... How to Troubleshoot the Hydrostatic Transmission in a Cub Cadet Many hydrostatic transmission problems on a Cub Cadet tractor are due to a transmission control rod misalignment. The transmission control rod causes the tractor to rock slightly forward or backward when the engine is powered high idle speed while it is in neutral. If your tractor has been in use for a...
Cub cadet hydrostatic transmission diagram. Cub Cadet RZT 50 Hydrostatic Transmission Rebuild - YouTube This video describes the basic rebuild procedure for a hydro-static transmission commonly found on lawn equipment.One step I was unable to capture on the... Cub Cadet Hydrostatic Transmission Diagram - Free Diagram For... Hydrostatic transmission ring mtd cub cadet garden tractors 1210 1512 1710 oem see more like this. Cub cadet 954 0461 hydrostatic transmission belt v a sect x 78. Displaying hydrostatic transmission parts for the cub cadet ltx1050kw 13wf91ap010 13wf91ap056 13af91ap010 cub cadet... Cub cadet hydrostatic transmission diagram feb 26 2019 thank you... 12+ Cub Cadet 100 Wiring Diagram Pics - Wiringdiagram.my.id. Color coding is not standard among all manufacturers. This diagram shows the colors of a basic trailer wiring setup as well as what each wire is supposed to. TractorData.com Cub Cadet 1641 tractor transmission information Cub Cadet 1641 Transmission. Overview.
Cub Cadet Hydrostatic Transmission Problems And Effective... Learn the common Cub Cadet hydrostatic transmission problems and how to solve them yourself from this in-depth guide. A cadet hydrostatic transmission has such things as a pump and a motor. And whether you like it or not, they will run into some problems as time goes on. Cub Cadet Hydrostatic Zero-Turn Commercial Riding Mower... 27 F Deck Leveling Procedure . . ... . 28. Wiring Diagram. . ... . 29 Warranty. Cub Cadet LGT1054 Hydrostatic Transmission rebuild. We have a cub cadet 3186 hydrostatic 54" deck. The transmission started leaking oil. Our dealer told us we could not afford to rebuild or repair it and Folks, I have a Cub Cadet 2160 with a hydrostatic transmission. About 2 years ago reverse stop working. I adjusted the linkage and regained reverse. Operator's Manuals | Cub Cadet UTV: Cub Cadet Utility Vehicles (UTV) are intended for off-road use by adults only. Please see the operator's manual and the warning labels posted on the vehicle itself for more details. Email disclaimer: Sign up to receive communication on services, products and special offers.
Cub Cadet Garden Tractor | 1641 | eReplacementParts.com Use our part lists, interactive diagrams, accessories and expert repair advice to make your repairs easy. Hydraulic Lift Valve. Hydrostatic Transmission. Implement Lift & Down Stop Rod. Intake Manifolds. Accessories for the Cub Cadet 1641. Hydro Gear ZT 2800 transmissions on new Cub Cadet ZT2 I am faced with a new CC ZT2 with the Hydro Gear ZT 2800 transmissions that came without the transmission fluid expansion tanks. Does anyone have a clear pic, a diagram, or can describe what parts I need from Cub Cadet or Hydro Gear to install expansion tanks on these transmissions? PDF Hydrostatic Lawn Tractor — LTX1042 & LTX1045 Illustrated Parts Manual. Hydrostatic Lawn Tractor — LTX1042 & LTX1045. Printed In USA. Cub cadet LLC, p.o. box 361131 cleveland Thank you for purchasing a Cub Cadet Lawn Tractor. It was carefully engineered to provide excellent performance when properly operated and maintained. How to Fill a Cub Cadet Hydro Home Tractor With Hydraulic Fluid Cub Cadet hydrostatic tractors use hydraulic pressure to power the transmission and attachments that connect to the hydraulic system. Low hydrostatic fluid levels decrease the pressure in the system. This causes the system to function at a decreased capacity or in extreme cases to stop...
Cub Cadet | PDF | Tractor | Transmission (Mechanics) Cub Cadet - Free download as PDF File (.pdf), Text File (.txt) or read online for free. here: Copy the serial number here: CUB CADET LLC P. O. BOX 361131 CLEVELAND, OH 44136 DEALER LOCATOR PHONE NUMBER: 877-282-8684 3 SECTION 1: IMPORTANT SAFE...
1282 (146-680-100) - Cub Cadet Garden Tractor > Parts Diagrams... Hydrostatic Transmission. Implement Handle Helper Spring. Attachments For This Model (21) Hide. 220 (190-220-100) - Cub Cadet 32" Lawn Sweeper att.
Cub Cadet 1250 garden tractor: review and specs - Tractor Specs Cub Cadet 1250 review and specifications: dimensions and weight, engine and transmission type, horsepower, oil type and capacity, tires. The Cub Cadet 1250 is equipped with a 0.5 L single-cylinder gasoline engine and hydrostatic transmission with infinite forward and reverse gears.
Information about the Pulling Hitch, Cub Cadet Creeper Drive... Cub Cadet Hydrostatic Drive Cooling Fans listed below. Replace an OEM nylon cooling fan with broken blade(s) or a slipping cooling fan (on the Exploded View of Cub Cadet Transmission Gears and Components. If your tractor sometimes "skips a gear tooth" in the transaxle when pulling, this is...
Cub Cadet | Hydrostatic Stand-On Self-Propelled Spreader | Manualzz View online or download PDF (2 MB) Cub Cadet Hydrostatic Stand-On Self-Propelled Spreader User manual • Hydrostatic Stand-On Every Cub Cadet dealer has been selected for superior customer service and product knowledge. What a difference it makes, when you purchase from an expert.
How to Change the Hydrostatic Fluid in a Cub Cadet Lawn Mower Cub Cadet has been making hydrostatic transmission lawn tractors for decades. International Harvester manufactured its first models under the brand name International Cub Cadet, which was later shortened to Cub Cadet. Hydrostatic transmissions in newer models of Cub Cadet lawn mowers...
Cub cadet RZT 50 hydrostatic transmission - Page 11 | Forum I've been following this thread because I also have the lack of power and noise problem with the left transmission on my 2005, RZT 50, I bought it used with 247 hours on the meter.
Cub cadet hydrostatic transmission problems 2021 (Solved) Working of Cub Cadet Hydrostatic Transmission Models. Hydrostatic-driven tractors work with hydrostatic transmission, which maintains the speed of the tractor. In hydrostatic transmission, a hydraulic pump is attached with a hydraulic motor to generate power.
Cub Cadet Hydrostatic Transmission Diagram Promo Code Lookup Parts Via Diagram Cub Cadet US. Deals Parts Cubcadet.com Show details. Cub Cadet XT1 Enduro Series Kohler Hydrostatic Gas Front. Deals Powerful Amazon.com Show details.
Cub Cadet Lt1050 Drive Belt Diagram - Wiring Site Resource Cub cadet outdoor power equipment is some of the most reliable on the market. Cub cadet rzt 50 wiring diagram schematic diagram cub cadet 1050 schematic Cub Cadet 1040 Drive Belt Diagram Wiring Schematic Diagram. Cub Cadet Hydrostatic Transmission Diagram Inspirational Modifying.
Hydrostatic Transmission - Cub Cadet LT1024 Operator's Manual Cub Cadet LT1024 Manual Online: Hydrostatic Transmission. The hydrostatic transmission is sealed at the factory and is maintenance free. The fluid level cannot be checked nor can the oil be changed.
How to Troubleshoot the Hydrostatic Transmission in a Cub Cadet Many hydrostatic transmission problems on a Cub Cadet tractor are due to a transmission control rod misalignment. The transmission control rod causes the tractor to rock slightly forward or backward when the engine is powered high idle speed while it is in neutral. If your tractor has been in use for a...
Model 1330 Hydrostatic Transmission problem - Only Cub Cadets He really didn't seem to know how to operate hydrostatic system and engaged dump valve while trying to push speed lever forward. Can anybody offer any advise? Also, how do I find transmission and pump assembly manufacturer and...
How does a Cub Cadet hydrostatic transmission work? This transmission was used on the Cub Cadet line of Garden tractors as well as many other tractors and vehicles. The hydrostatic transmission allows a tractor to convert mechanical energy into hydraulic power and then back to mechanical energy.
0 Response to "38 cub cadet hydrostatic transmission diagram"
Post a Comment