Iklan 300x250

38 john deere 425 deck parts diagram

John Deere 425 Lawn & Garden Tractor ... - Green Farm Parts Commonly Used Parts Outside of the schedule service intervals, you may need a part for a quick repair. While this is not an inclusive list of all the parts for a John Deere 425 Lawn & Garden Tractor & Parts List, these are the typical parts that we see purchased for your model. As Needed Parts Click here for 54 mower deck parts for 425 - GreenPartStore Predator2 Mower Blade for 54-inch John Deere Deck - B1PD5026. (6) $20.63.

john deere 425 parts diagram pdf | eurekaconsumer.com 28 Images of john deere 425 parts diagram. Popular Post: network diagrams software. program structure diagram example. schema designer. online er... john deere 425 in Lawnmower Parts and Accessories | eBay ebay.com Find john deere 425 john deere 445 from a vast selection of Lawnmower Parts and Accessories. ... john deere 425

John deere 425 deck parts diagram

John deere 425 deck parts diagram

PDF John deere 54c mower deck schematic 060000 1996 model sn m054hda060001 080000 19. Visit the post for more. Quick Reference Guide X390 54 I Accel Depth Mower Deck John deere z540m z trak mower parts john deere z535mz540m 62 mower deck parts diagram. John deere 54 mower deck parts diagram. Quick model guide for John Deere 190c lawn tractor with 54 lawn mower tire parts. Amazon.com: John Deere 425 Lawn Tractor Parts Upgraded AM128388 Throttle Control Knob & Hardware Kit Fits for John Deere 415 425 445 455 Lawn & Garden Tractors, Replaces OEM #AM128388 M113847 M139471 M139472, 3 pcs. 5.0 out of 5 stars. 1. $33.99. John Deere Parts Diagram & Parts Search - Green Farm Parts John Deere parts lookup tool and diagram is an incredible online source. It is a complete catalog that shows you detailed parts diagrams of every part of your machine. This online parts catalog is robust and easy to use. Searching for your John Deere parts online has never been easier.

John deere 425 deck parts diagram. Amazon.com: john deere z425 parts 8TEN Deck Rebuild Kit for John Deere 54 inch Z425 Z445 Z435 EZtrak Blade Spindle Belt. 4.0 out of 5 stars 41. $139.95 $ 139. 95. FREE delivery. ... john deere 425 parts z425 john deere parts john deere z425 ... John Deere Z425 Belt Diagram John Deere Z425 Belt Diagram. JOHN DEERE Mower Drive Belt M Z-trak Z Z Z This is a belt that goes on the hydro drive on the following John Deere zero turn lawn mowers . Here's the Owner's Manual - with belt diagrams. Find parts for your john deere pulleys & drive belt -: power train with our free parts lookup tool! Z425 Owner Information - Deere Z425 Owner Information. Whether you're a long time owner or just starting out, you'll find everything you need to safely optimize, maintain and upgrade your machine here. Operator's Manual. Parts Diagram. Maintenance Parts. John Deere Models 425 445 455 Parts - ShopGreenDealer John Deere 60-inch Complete Replacement Deck Fits 425 445 455 Lawn and Garden Tractor (3) $2,549.25 John Deere Engine Oil Filter (2) $7.70 John Deere Gator Outer Air Filter Element (0) $33.59 Add To Cart John Deere Instrument Cluster 425 445 455 (0) $400.36 Add To Cart John Deere 425 Front Grille with Decal (5) $136.70 Add To Cart

ARIMain - GREENPARTS John Deere Parts Diagrams, John Deere 54-IN Mid-Mount Mower Deck (North America) (For 425, 445 & 455 Lawn & Garden Tractors) -PC2358 Anti Blowout Kit - 075000: Mid Mount Mower Deck 60-Inch For 425,445 Z425 Belt Diagram 7. Install electric clutch wiring harness back through frame hole and connect to main wiring harness. Secure harness onto frame with retaining clip.. Checking and Replacing Pump Drive Belt (Z and Z). NOTE: The transmission drive belt is self-adjusted using a spring tensioner and does not require a tension adjustment. John Deere Parts Lookup by Model - Jacks Small Engines See: Ariens exploded parts diagrams. We sell parts & accessories for your Briggs & Stratton equipment. We also carry New Briggs & Stratton Engines! ... Parts lookup for John Deere power equipment is simpler than ever. Enter your model number in the search box above or just choose from the list below. john deere 54c parts diagram | eurekaconsumer.com john deere 54 mower deck parts diagram - Bing. windowssearch-exp.com. Click the part number below to view and order a part for your John Deere 190C Lawn Tractor with 54″ mower deck, or search illustrated diagrams...

John Deere 425 445 455 Lawn & Garden Tractors PDF Manual Related products for John Deere 425, 445, 455 Lawn & Garden Tractors TM1517 Technical Manual PDF: John Deere Service Advisor 5.3.166 (replaces 5.2) 2022 Offline Agriculture & Turf Equipment Division John Deere Advisor Diagnostic software works with a genuine JD EDL v3 kit, you can download the whole app on USB HDD with international shipping. Model 425 - GreenPartStore John Deere 25 Gallon Click-n-Go Mounted Sprayer - LP22862. (0) $599.99. Usually available. Add to Cart. Quick View. Parts & Services - Deere Deere registered users can review their past orders to view details and/or buy again. The Right Part. The Right Price. At John Deere, you get the value of choice for your replacement and maintenance parts for all makes and ages of machines — at any budget. Search parts for your tractors, lawn mowers, ag equipment, and more. John Deere Parts Diagram & Parts Search - Green Farm Parts John Deere parts lookup tool and diagram is an incredible online source. It is a complete catalog that shows you detailed parts diagrams of every part of your machine. This online parts catalog is robust and easy to use. Searching for your John Deere parts online has never been easier.

SOLVED: How to replace belt on john deere 425 - Fixya

SOLVED: How to replace belt on john deere 425 - Fixya

Amazon.com: John Deere 425 Lawn Tractor Parts Upgraded AM128388 Throttle Control Knob & Hardware Kit Fits for John Deere 415 425 445 455 Lawn & Garden Tractors, Replaces OEM #AM128388 M113847 M139471 M139472, 3 pcs. 5.0 out of 5 stars. 1. $33.99.

John deere 425 lawn garden tractor service repair manual by ...

John deere 425 lawn garden tractor service repair manual by ...

PDF John deere 54c mower deck schematic 060000 1996 model sn m054hda060001 080000 19. Visit the post for more. Quick Reference Guide X390 54 I Accel Depth Mower Deck John deere z540m z trak mower parts john deere z535mz540m 62 mower deck parts diagram. John deere 54 mower deck parts diagram. Quick model guide for John Deere 190c lawn tractor with 54 lawn mower tire parts.

John Deere decks by crigby

John Deere decks by crigby

Used John Deere 60-inch Heavy Duty Mower Deck - RonMowers

Used John Deere 60-inch Heavy Duty Mower Deck - RonMowers

John Deere 425 Lawn & Garden Tractor -PC2351 Wiring Harness ...

John Deere 425 Lawn & Garden Tractor -PC2351 Wiring Harness ...

John Deere 425 Disassembly: Part 1

John Deere 425 Disassembly: Part 1

Bunton, Bobcat, Ryan 75-71305 Flex Deck 80

Bunton, Bobcat, Ryan 75-71305 Flex Deck 80" Mower Parts ...

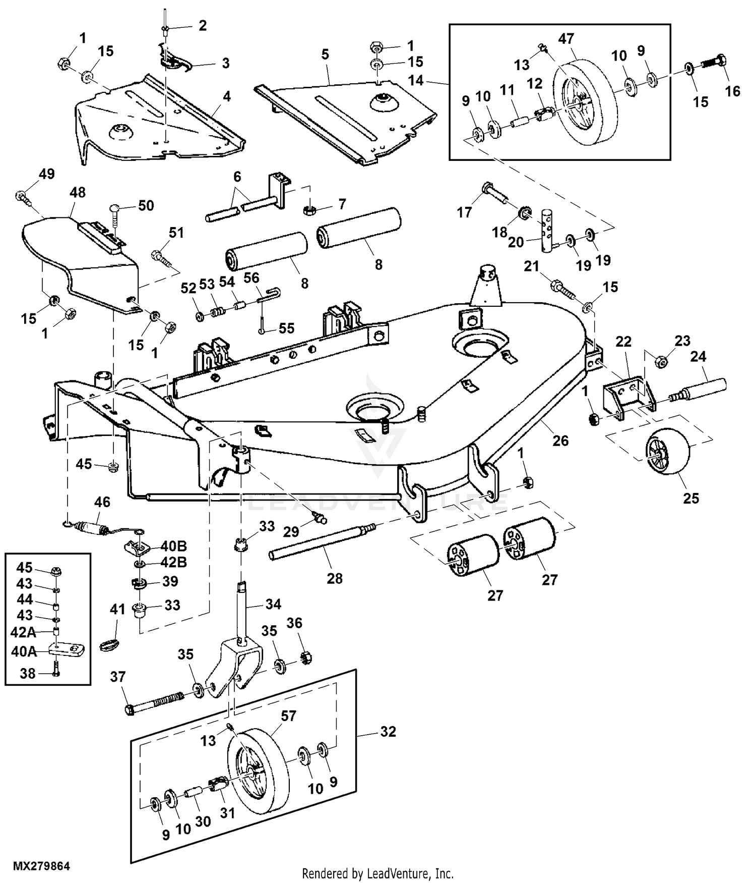
John Deere Mower Deck and Lift Linkage MOWER DECK (ORIGINAL)

John Deere Mower Deck and Lift Linkage MOWER DECK (ORIGINAL)

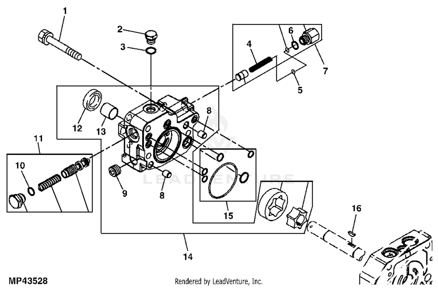
John Deere 425 Lawn & Garden Tractor -PC2351 Charge Pump ...

John Deere 425 Lawn & Garden Tractor -PC2351 Charge Pump ...

John Deere Lawn Tractor Hood - AM128986

John Deere Lawn Tractor Hood - AM128986

JOHN DEERE 425 445 455 TRACTOR 46

JOHN DEERE 425 445 455 TRACTOR 46" QUICK HITCH SNOWTHROWER OPERATORS MANUAL | eBay

JE 425 AWS steering loose? | My Tractor Forum

JE 425 AWS steering loose? | My Tractor Forum

John Deere Replacement Mower Decks

John Deere Replacement Mower Decks

John Deere 60 Inch Deck Rebuild Kit 60DELUXE

John Deere 60 Inch Deck Rebuild Kit 60DELUXE

John Deere Lawn Mower Deck belt replacement

John Deere Lawn Mower Deck belt replacement

John Deere Z425 EZ Trak Mower Parts

John Deere Z425 EZ Trak Mower Parts

Replacing mower drive belt, Service mower | John Deere z425 ...

Replacing mower drive belt, Service mower | John Deere z425 ...

John Deere 455 Project: Deck Work Part 1

John Deere 455 Project: Deck Work Part 1

John Deere 425 AWS 54

John Deere 425 AWS 54" Riding Lawn Mower - RonMowers

John Deere 425 Lawn & Garden Tractor -PC2351 Transaxle ...

John Deere 425 Lawn & Garden Tractor -PC2351 Transaxle ...

John Deere 48-IN Mid-Mount Mower Deck (North America) (For ...

John Deere 48-IN Mid-Mount Mower Deck (North America) (For ...

John Deere Rear Quik-Tatch Weight Bracket - BM20779

John Deere Rear Quik-Tatch Weight Bracket - BM20779

John Deere Riding Mower Parts Flash Sales, UP TO 52% OFF ...

John Deere Riding Mower Parts Flash Sales, UP TO 52% OFF ...

John Deere Parts Lookup -54-IN Mid-Mount Mower Deck (North ...

John Deere Parts Lookup -54-IN Mid-Mount Mower Deck (North ...

John Deere 425, 445, and 455 Fender Pan and Foot Rest Removal

John Deere 425, 445, and 455 Fender Pan and Foot Rest Removal

Amazon.com : John Deere Wheel Kit AM125172 (x2) 48C 54C 62C ...

Amazon.com : John Deere Wheel Kit AM125172 (x2) 48C 54C 62C ...

John Deere Replacement Mower Decks

John Deere Replacement Mower Decks

John Deere D170 Belt Top Sellers, UP TO 50% OFF | www ...

John Deere D170 Belt Top Sellers, UP TO 50% OFF | www ...

Click here for 54 mower deck parts for 425

Click here for 54 mower deck parts for 425

John Deere 54-in.,54C,60-in.,62C,72-in. Mower Decks for 2210 ...

John Deere 54-in.,54C,60-in.,62C,72-in. Mower Decks for 2210 ...

John Deere Operators Manual Model 48 & 54 Deck- OMM145184

John Deere Operators Manual Model 48 & 54 Deck- OMM145184

8TEN Deck Rebuild Kit for John Deere 48 inch Z425 Z445

8TEN Deck Rebuild Kit for John Deere 48 inch Z425 Z445

455 deck lift schematics | My Tractor Forum

455 deck lift schematics | My Tractor Forum

John Deere Deck Driveshaft - AM124466

John Deere Deck Driveshaft - AM124466

445 Seat pan removal | My Tractor Forum

445 Seat pan removal | My Tractor Forum

My deere 425 acts as tho it is under load sometimes. Air ...

My deere 425 acts as tho it is under load sometimes. Air ...

JD Update Part 1: John Deere 425 & Implements

JD Update Part 1: John Deere 425 & Implements

Z425 - 48-in. Mower Deck

Z425 - 48-in. Mower Deck

0 Response to "38 john deere 425 deck parts diagram"

Post a Comment

Iklan Atas Artikel

Iklan Tengah Artikel 1

Iklan Tengah Artikel 2

Iklan Bawah Artikel