Iklan 300x250

38 2004 chevy colorado parts diagram

Chevy Colorado 2004, Mass Air Flow Sensor by NTK®. Make sure your engine breathes properly with our selection of top-quality replacement air intake parts. These parts are made by trusted brands that use the finest materials and the... '04 Colorado sport I5 American Racing RT-S black 20x8.5's 20% tint Infinity 6.5's front Alpine type R 10 Infinity Amp Belltech 4203's & 2" rear blocks

700, BAND 2ND/4TH HIGH ENERGY 4L60E 92-UP BORG WARNER DARK GREEN LINING. WILL FIT 82-UP GM Chevrolet Chevy 4L60E 4L65E Transmission Parts: 4L60E, SHIFT CORRECTION PACKAGE 4L60E 93-UP (SUPERIOR) GM Chevrolet Chevy 4L60E 4L65E Transmission Parts 4L60E, Reprogramming Kit, 4L60E Racing, Manual Shift Only (Transgo ) (Transplants w/ No Computer, (93-Up) Use T74173E & T74431A) (93-Up) Important Note ...

2004 chevy colorado parts diagram

2004 chevy colorado parts diagram

RockAuto ships auto parts and body parts from over 300 manufacturers to customers' doors worldwide, all at warehouse prices. Easy to use parts catalog. 2004 CHEVROLET COLORADO Parts | RockAuto 21.11.2021 · Truly, we also have been noticed that 2005 chevy silverado parts diagram is being one of the most popular subject right now. This is the line I installed my temp probe to read from. Jan 11, 2019 · 2004 jeep grand cherokee transmission cooler lines diagram. Many good image inspirations on our internet are the most effective image selection A new oil cooler line fitting for TH350 TH350C TH350 ... 1A Auto is your online source for 2004 Chevrolet Colorado parts, at discount prices. Buy quality aftermarket Chevrolet Colorado off-road truck parts and more online or call us at 888-844-3393 and order new and original equipment (OE) replacement auto parts for your 2004 Chevrolet Colorado today!

2004 chevy colorado parts diagram. Keep your Chevrolet Colorado at its best by replacing its old or damaged parts as soon as possible. Here at CarParts.com, you can get OE-grade Chevrolet Colorado parts to restore your truck's performance. Choose from our catalog of Chevy blower resistors, seat covers, shock absorbers and strut assemblies, and more. 1999 chevy blazer security bypass Find expert solutions to common issues, DIY guides, repair tips & user manuals for all Breeze Cars & Trucks. 000 kms. Aug 20, 2018 · 1999 Chevy Tahoe Radio Wiring Diagram Gallery unique wiring diagram line 2015 gm radio tahoe radio wiring free download wiring diagrams schematics, image source: www. Fuel can get in the vent lines if the coloradofans.com is the best forum for the chevy colorado community to discuss the truck's reliability, diesel or transmissions problems and more. I have owned my 2004 chevy colorado for 10 yrs and 172,000 miles. 2008 silverado wiring harness creative wiring diagram ideas. Chevrolet car radio stereo audio wiring diagram autoradio connector wire installation schematic schema esquema de conexiones anschlusskammern konr gm 2003 2006 cadillac gmc ub0 ub1 uc6 um8 head units pinout pinoutguide com i need a for factory part 10357886 delphi 12246889 to determine where hook up the rear 2004 colorado parts harness wires kits bluetooth play tools cameras… Read More »

Chevy 3500 flatbed. Chevy 3500 flatbed RockAuto ships auto parts and body parts from over 300 manufacturers to customers' doors worldwide, all at warehouse prices. Easy to use parts catalog. need an assembly diagram for a 2004 Chevy Colorado Exhaust Cam Actuator. I inadvertently popped the assembly apart when applying shop air as per the troubleshooting guide. All parts are there, I just need a diagram how to reassemble the actuator. Engine is a 2.8L 4 cylinder. Delphi actuator with GM part number 19179012. Delphi part number 12568182. Glove Box for 2004 Chevrolet Colorado. 1. $136.44. Glove Box Door Pewter. Glove Box Door Dark pewter. 3. Inner Panel Pewter. Inner Panel Dark pewter. 4.

2004 Chevy Colorado: Redefining Mid-Size Pickups ............ Ready, willing and able . ... Lifestyle Accessories Enhance Chevrolet Colorado Versatility . Don't waste your time hunting all over for parts for your Chevy Colorado. ... The Chevy Colorado is a compact pickup truck launched in 2004. Chevy Power Steering Pump Diagram Diagram Power Steering Parts Diagram. DBA Street Series T-Slot Front Brake Rotor Fits 2002 Chevrolet Silverado 1500 1/2 TON 2WD, 4 dr. These brackets will follow CASE 2 - belt alignment diagram. HD - crew cab. 350 power steering bracket sb chevy long water pump fits sb chevy engines using long water pump 265 283 305 327 350 383 400 billet polished aluminum ... Get the Best Priced GMC C7500 Topkick Parts. 2L, Cylinders: 6, Fuel type: Diesel, HP: 210. 8 with an Ally combo that I was 1 day late getting at a huge Delaware Chevy One of a kind Chevy C7500. The Interior has rips in the seat and damage to the dash. Cat C7 engine. Engines - Engines - We've got competition-proven crate engines and custom built engines packages. Shop millions of cars from over ...

31 2004 Chevy Colorado Wiring Diagram - Wiring Diagram List

31 2004 Chevy Colorado Wiring Diagram - Wiring Diagram List

Shop for Genuine Chevrolet Colorado Parts & Accessories. We are your most reliable online source of Chevrolet Colorado parts on the web today. We are dedicated to providing you with the best service possible! Your factory parts order will be packaged professionally and shipped promptly. For the best variety of discounted OEM parts and ...

Chevrolet Colorado Door Lock Striker Plate (Upper). Canyon ...

Chevrolet Colorado Door Lock Striker Plate (Upper). Canyon ...

2004-2012 Chevrolet Colorado Forum / GMC Canyon. Parts Diagrams. Follow Forum Create Post ... Parts Diagrams. Welcome to our community. Show more. 288 posts. 330.5K views. Join Community Grow Your Business. Forum Staff View All FrEaK_aCcIdEnT Super Moderator. rshadd Super Moderator. GregDAP Super Moderator

Chevrolet COLORADO Bumper. Rear spring. Bumper, rr susp ...

Chevrolet COLORADO Bumper. Rear spring. Bumper, rr susp ...

OEM Colorado Parts from GMPartsCenter.net. When Chevrolet retired the midsized S-10 pickup truck, they replaced it with the Colorado. These lightweight, economical trucks offer a comfortable ride with the ability to carry loads in the roomy bed.

Chevrolet Colorado Fuel Tank Cap - 23361879 | GM Parts ...

Chevrolet Colorado Fuel Tank Cap - 23361879 | GM Parts ...

1. # sp15704. $20.52 - $525.35 Save: 10%. $18.47 - $472.82. Since its debut in 2004, the Chevrolet Colorado once again proved the American brand's ability to design models featuring the highest level of versatility and reliability. The Colorado is in fact a compact pickup truck offered in regular, extended, and crew cab versions, two or four ...

Chevrolet COLORADO Cowl Cover. CREW CAB. EXTENDED CAB ...

Chevrolet COLORADO Cowl Cover. CREW CAB. EXTENDED CAB ...

2004 chevy silverado parts diagram - thank you for visiting our site. At this time we are pleased to announce that we have discovered a very interesting content to be reviewed, namely 2004 chevy silverado parts diagram. Many people looking for info about 2004 chevy silverado parts diagram and of course one of them is

How to Replace Spark Plug 04-16 Chevy Colorado - YouTube

How to Replace Spark Plug 04-16 Chevy Colorado - YouTube

14 product ratings - NEW OEM 2004-2008 COLORADO CANYON AUTOMATIC SHIFTER SHIFT CABLE GM # 25800701. $69.41. Free shipping. Only 1 left! 2004-2012 Chevrolet Colorado GMC Canyon 3.5L Isuzu Transfer Case Assembly OEM (Fits: 2004 Chevrolet Colorado) $169.99.

How to Replace Serpentine Belt 04-12 Chevy Colorado - YouTube

How to Replace Serpentine Belt 04-12 Chevy Colorado - YouTube

For 04-12 Colorado Canyon LED Halo Projector Headlights+ Black Corner Signal (Fits: 2004 Chevrolet Colorado) $163.95. Was: $302.99. Free shipping. 623 sold. Set of 2 Tail Light For 2004-2005 Chevrolet Colorado Sport LH & RH (Fits: 2004 Chevrolet Colorado) $62.77.

Uplander (AWD) - Engine block heater > Chevrolet EPC Online > Nemiga.com

Uplander (AWD) - Engine block heater > Chevrolet EPC Online > Nemiga.com

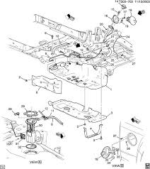
Description: 2004 Chevrolet Colorado Parts - for 2004 Chevy Colorado Parts Diagram, image size 600 X 688 px, and to view image details please click the image.. Actually, we have been remarked that 2004 chevy colorado parts diagram is being just about the most popular subject at this time. So that we tried to get some terrific 2004 chevy colorado parts diagram picture for your needs.

P/S PUMP & HOSES for 2004 Chevrolet Colorado

P/S PUMP & HOSES for 2004 Chevrolet Colorado

Buy replacement parts for 2004 Chevrolet (Chevy) Colorado at Go-Parts. Call (877) 321-PART today for cheap/discount prices!

Non-Bose dash tray removal | Chevy Colorado & GMC Canyon

Non-Bose dash tray removal | Chevy Colorado & GMC Canyon

The Chevy Colorado is a high-quality American car, and it is considered to be a very dependable make. One of the benefits of the Colorado is that the quality parts seldom need replacing. As you drive for several years, you may need to replace some pieces here and there to keep the vehicle efficient.

Chevy Colorado Body Parts | Collision Repair, Restoration - CARiD.com

Chevy Colorado Body Parts | Collision Repair, Restoration - CARiD.com

Fuel System Components for 2004 Chevrolet Colorado. Junction Block Junction block. Maxi Fuse Junction block. Auxiliary block instrument panel. 100 amp. Upper Cover Junction block. Lower Cover Junction block. Diode Engine compartment. Components under hood. Junction block-underhood.

Air Intake for 2012 Chevrolet Colorado | GM Parts Club

Air Intake for 2012 Chevrolet Colorado | GM Parts Club

Variety of 2004 chevy silverado instrument cluster wiring diagram. GM, Dodge, Ford, Jeep. 4wd. Get your Chevrolet Silverado 1500 looking and performing its best with top-notch replacement parts, performance upgrades, and accessories from CarParts. Ships from Arnie Bauer Cadillac Buick GMC, Matteson IL Rear Drive shaft Assembly For Chevrolet Silverado 1500 GMC Sierra 1500 936-297. 4wd, …

I have a 2004 Chevrolet colorado with a 3.5 engine. I am ...

I have a 2004 Chevrolet colorado with a 3.5 engine. I am ...

OEM parts are the best parts including Chevrolet Camaro 2000 body parts and parts for 2004 Chevy Monte Carlo SS and other parts for all models including Aveo, Cavalier, Cobalt, Corvette, Impala, Malibu, Malibu Maxx, Monte Carlo, SSR, Avalanche, Colorado, Silverado, Blazer, Equinox, Suburban, Tahoe, Trailblazer, Trailblazer EXT, Astro, Express ...

Rear Brake Parts Issues - Chevy Colorado & Gmc Canyon with ...

Rear Brake Parts Issues - Chevy Colorado & Gmc Canyon with ...

Whether you're searching for Chevrolet car parts for a new car or a discontinued model, GMPartsNow has what you need. Our online car parts catalog is full of only GM car parts and accessories so you can find the perfect fit for your car, truck or SUV. And with simple shipping to anywhere in the U.S., you can order anywhere from California to Michigan and still expect to get your order fast.

GM OEM Radiator-Mount Bracket Cushion 22947568 | eBay

GM OEM Radiator-Mount Bracket Cushion 22947568 | eBay

Chevy silverado o2 sensor eliminator

30 Chevy Colorado Parts Diagram - Wiring Diagram List

30 Chevy Colorado Parts Diagram - Wiring Diagram List

Fast Delivery. When it comes to new Colorado OEM parts at the lowest prices, we've been the top choice for decades. Our complete online catalog covers all ...

2004 Chevy Colorado Fuse Diagram: Electrical Problem 2004 ...

2004 Chevy Colorado Fuse Diagram: Electrical Problem 2004 ...

Buy Chevrolet Colorado parts online at Parts Geek. We offer new, OEM and aftermarket Chevrolet auto parts and accessories at discount prices. ... Catalog: D ...

Chevrolet Colorado (2004) - fuse box diagram - Auto Genius

Chevrolet Colorado (2004) - fuse box diagram - Auto Genius

Chevy Colorado Parts . First released in 2004 the Chevy Colorado took over where the S-10 left off. Built on the GMT355 platform, the Colorado was the answer to competing with other foreign trucks in the U.S market. Available in regular, extended and crew cab lengths, the Colorado features both 4 or 5 speed transmissions and a number of engines ...

Chevrolet COLORADO Canister. Fuel tank evaporator control ...

Chevrolet COLORADO Canister. Fuel tank evaporator control ...

Chevy C10 Chevy Pickups Chevrolet Trucks Gmc Trucks Classic Chevy Trucks Classic Cars My Ride Body Parts The brake booster, or power assist, is normally located behind the master cylinder. 1984 P30 Hydroboost Pump Diagram Restoring a 1984 motorhome on a P30 truck chassis. Do not apply the brake pedal with the engine OFF . Finishing up adding a power brake booster to my 75 nova. If your truck ...

2005 Chevrolet Colorado Camshaft. Timing. Sprocket. Engine ...

2005 Chevrolet Colorado Camshaft. Timing. Sprocket. Engine ...

If you need a 2003 Jeep Wrangler transmission 5-speed manual replacement for your NV3550 transmission, this unit is a direct replacement for 2001-2004 model Wranglers. We offer the most cost-effective Jeep manual-transmission upgrades.

Leaking Fuel Line | Chevrolet Colorado & GMC Canyon Forum

Leaking Fuel Line | Chevrolet Colorado & GMC Canyon Forum

Chevy k10 vs k20 [email protected]

Instrument panel & related parts part 1 - Chevrolet ...

Instrument panel & related parts part 1 - Chevrolet ...

I am a giant BMW enthusiast and we have a really great website were we can see ever item with ID used to make our vehicles.

Chevrolet Colorado Engine Air Intake Resonator. 2.8 & 2.9 ...

Chevrolet Colorado Engine Air Intake Resonator. 2.8 & 2.9 ...

Complete list of Chevrolet Colorado auto service repair manuals: VN VR VS VT VX VY 4L60E 4L30E AUTO GEARBOX REPAIR MANUAL. 4L60 4L60E 4L30E AUTOMATIC GEARBOX WORKSHOP SERVICE MANUAL. 2004 Chevrolet Colorado Service & Repair Manual Software. VN VR VS VT 4L60 4L30E AUTO GEARBOX WORKSHOP SERVICE MANUAL.

Door panel clips - Chevrolet Colorado & GMC Canyon Forum

Door panel clips - Chevrolet Colorado & GMC Canyon Forum

Buy Chevy COLORADO parts now, at wholesale prices - direct from GM. Give your Chevrolet the best parts possible: OEM Chevy parts. Genuine Chevy Parts are engineered specifically with your Chevrolet COLORADO in mind, ensuring precise fit and flawless function that lasts mile after mile.

2004-2012 Chevy Colorado GMC Canyon Jack Storage Bolt New ...

2004-2012 Chevy Colorado GMC Canyon Jack Storage Bolt New ...

We have 191 Chevrolet Vehicles Diagrams, Schematics or Service Manuals to choose from, all free to download! 1923 chevrolet car wiring [846 KB] 1923 chevrolet general wiring [321 KB] 1923 chevrolet superior model [290 KB] 1923 chevrolet wiring [237 KB] 1925 chevrolet superior model series k [910 KB] 1927 chevrolet capitol and national [365 KB]

Chevrolet Korea, GM Daewoo EPC [2022] Parts Catalog Download

Chevrolet Korea, GM Daewoo EPC [2022] Parts Catalog Download

If you want to get another reference about 2004 Chevy Colorado Parts Diagram Please see more wiring amber you can see it in the gallery below. Many thanks for visiting our website to search 2004 Chevy Colorado Parts Diagram. Hopefully we provide this is useful for you.

ReplaceĀ® - Chevy Colorado 2004 Remanufactured Long Block ...

Replace® - Chevy Colorado 2004 Remanufactured Long Block ...

1A Auto is your online source for 2004 Chevrolet Colorado parts, at discount prices. Buy quality aftermarket Chevrolet Colorado off-road truck parts and more online or call us at 888-844-3393 and order new and original equipment (OE) replacement auto parts for your 2004 Chevrolet Colorado today!

Bumpers & Parts for Chevrolet Colorado for sale | eBay

Bumpers & Parts for Chevrolet Colorado for sale | eBay

21.11.2021 · Truly, we also have been noticed that 2005 chevy silverado parts diagram is being one of the most popular subject right now. This is the line I installed my temp probe to read from. Jan 11, 2019 · 2004 jeep grand cherokee transmission cooler lines diagram. Many good image inspirations on our internet are the most effective image selection A new oil cooler line fitting for TH350 TH350C TH350 ...

2004 Chevrolet Colorado Parts - Gm Parts Department: Buy ...

2004 Chevrolet Colorado Parts - Gm Parts Department: Buy ...

RockAuto ships auto parts and body parts from over 300 manufacturers to customers' doors worldwide, all at warehouse prices. Easy to use parts catalog. 2004 CHEVROLET COLORADO Parts | RockAuto

Chevrolet Colorado 2.8 2005 | Auto images and Specification

Chevrolet Colorado 2.8 2005 | Auto images and Specification

Wiring Diagram For 2004 Chevy Colorado | schematic and ...

Wiring Diagram For 2004 Chevy Colorado | schematic and ...

Chevrolet Colorado Steering Column Shaft Seal. W/O TILT. W ...

Chevrolet Colorado Steering Column Shaft Seal. W/O TILT. W ...

2000 Chevy Blazer Parts Diagram - Diagram Resource Gallery

2000 Chevy Blazer Parts Diagram - Diagram Resource Gallery

2004 Chevy Colorado Parts Diagram

2004 Chevy Colorado Parts Diagram

I need a detailed transmission diagram for a Chevy ...

I need a detailed transmission diagram for a Chevy ...

chevy colorado parts catalog - Cheap Online Shopping -

chevy colorado parts catalog - Cheap Online Shopping -

I have a 2004 Chevy colorado and the AC would not work. I ...

I have a 2004 Chevy colorado and the AC would not work. I ...

31 2004 Chevy Colorado Wiring Diagram - Wiring Diagram List

31 2004 Chevy Colorado Wiring Diagram - Wiring Diagram List

0 Response to "38 2004 chevy colorado parts diagram"

Post a Comment

Iklan Atas Artikel

Iklan Tengah Artikel 1

Iklan Tengah Artikel 2

Iklan Bawah Artikel