Iklan 300x250

40 bosch washer parts diagram

Bosch Washer Parts. Displaying 1 - 20 of 46 Products . 00651004 Bosch Washer Door Hinge Kit. Part Number: 00651004. $26.24. Add to Cart. 00610643 Bosch Leveling Leg. Part Number: 00610643. $7.89. Add to Cart. Bosch Washer Door Boot Gasket Seal. Part Number: 00667489. $61.28. Add to Cart Spare Parts Search. Our online search tool and appliance spare part diagrams will help you to locate and purchase original spare parts for your Bosch appliances. Simply enter the model number (E-Nr) and you will be shown the corresponding spare part diagram. To find the model number (E-Nr), check the rating plate of your appliance.

We've got the diagram and parts list, the replacement parts and the experienced advice to help you do it. Diagram and Parts List for DeWALT Pressure Washer Parts DH3028 0 Parts - Pressure Washer

Bosch washer parts diagram

Bosch washer parts diagram

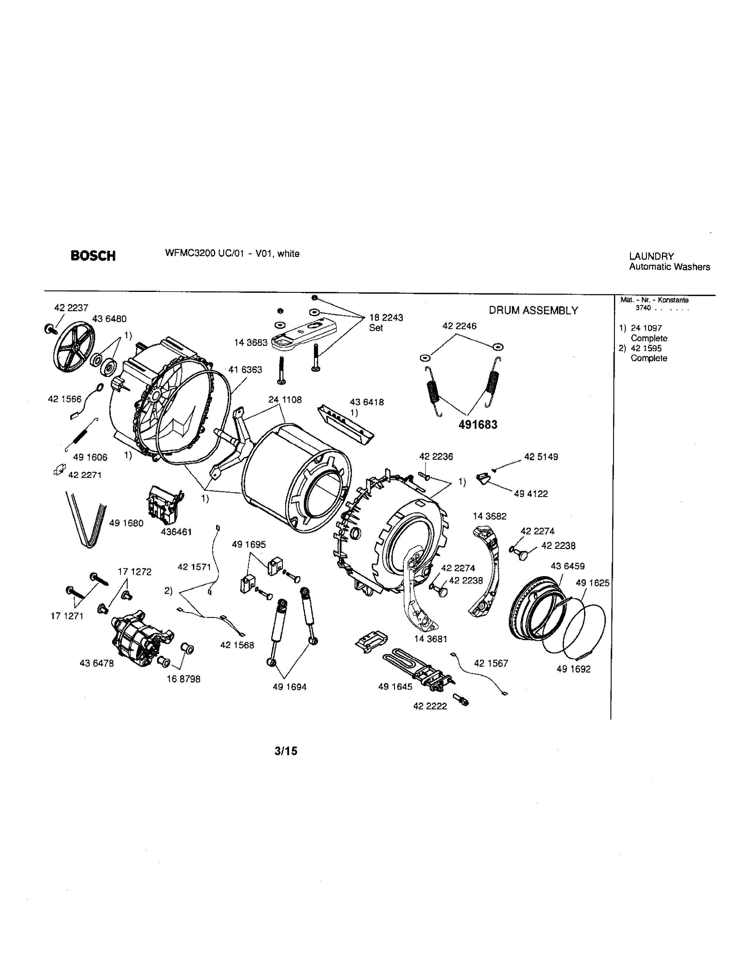
We also have Craftsman 28oo psi pressure washer parts and Craftsman 2550 psi pressure washer parts including Craftsman pressure washer pumps. Use the exploded parts drawings on our Sears PartsDirect website to easily find the Craftsman replacement parts you need to … Description: Brilliant Bosch Washing Machine Diagram Uc 01 Parts For Washer in Bosch Washing Machine Parts Diagram, image size 734 X 603 px, and to view image details please click the image.. Here is a picture gallery about bosch washing machine parts diagram complete with the description of the image, please find the image you need. There are a couple of ways to find the part or diagram you need: Click a diagram to see the parts shown on that diagram. In the search box below, enter all or part of the part number or the part’s name. Not all parts are shown on the diagrams—those parts are labeled NI, for “not illustrated”.

Bosch washer parts diagram. Find a servicer / Book a visit online. Filters, Cleaners, Accessories & Parts 1-877-403-3185. Contact Us 1-800-944-2904. Download Owner Manuals, Spec Sheets, and CADs. Serial Number Finder. Self Help / Troubleshoot. Bosch's first full service washer went into production in 1960, and it also introduced the first washer dryer combo in 1967. Their modern washers are compact and available in the stylish Axxis and Ascenta series. Common Bosch washer replacement parts we provide to our customers include drain pumps, gaskets, and switches. Bosch washer parts diagram. Fast same day shipping. Bosch washer parts that fit straight from the manufacturer. Enter your model number to view the parts that fit your bosch washing machine. Chances are well have the part you need to get your laundry room back in order. Shop for bosch washer parts today from 00154740 to 00701333. Search for spare parts. Our online search tool helps you to locate and purchase original spare parts for your home appliance. All you need is the model number (E-NR). This is usually found around the door area or on the rating plate of the appliance.

View Stihl HT 131 Pole Pruner (HT131) Parts Diagram , Drive tube assembly HT131 to easily locate and buy the spares that fit this machine. +44 (0)1747 823039 Categories bosch washing machine parts diagram is among the most photos we discovered on the internet from reliable sources. We choose to discuss this bosch washing machine parts diagram pic in this post because according to data from Google search engine, It is one of many top queries keyword on google. And we also consider you Bosch WAP24200UC/11 washer parts - manufacturer-approved parts for a proper fit every time! We also have installation guides, diagrams and manuals to help you along the way! Bosch Nexxt 500 Dryer Parts Diagram - Food Ideas from c.searspartsdirect.com Use our interactive diagrams, accessories, and expert repair help to fix your bosch washer. 27 inch front load washer with 3.81 cu. Ap3964635 by ge · tub bearing . This guide will instruct people on how to replace the hot water inlet valve assembly of a bosch vision ...

Eurocarb Ltd Unit 2 Horseshoe Park Pangbourne Reading RG8 7JW United Kingdom. Phone: +44 118 984 2811 Fax: +44 118 984 1709 Open Monday - Friday, 9am - 5pm Email: View Stihl HT 101 Pole Pruner (HT101) Parts Diagram , Drive tube assembly HT 101 to easily locate and buy the spares that fit this machine. +44 (0)1747 823039 Categories At Bosch, we continuously aim to improve our website and the information we provide. We would like to invite you to take part in a short one minute survey. If you wish to be contacted by us, please use our regular contact form here , contact Customer Support at (800) 944-2904, or chat online with a Customer Support representative. Bosch Nexxt 500 Series Washer Parts Diagram tip schematron.org. Bosch Nexxt 500 Series Washer Parts Diagram 22.12.2018 22.12.2018 6 Comments on Bosch Nexxt 500 Series Washer Parts Diagram Products 1 - 20 of 46 Bosch WFF Clothes Washer Washing Machine Motor Carbon Brushes - Set of 2.

The timer might be defective. The timer is frequently misdiagnosed—before replacing the timer, first check all of the more commonly defective parts. To determine if the timer is defective, consult your washer’s wiring diagram and use a multimeter to test the timer for continuity.

Re-level washer- Most vibration service calls come from improperly leveled washers. Re-level washers side to side and front to back using a bubble level. Each leveling leg must contact the floor firmly --adjustments as slight as a ¼ of a turn (in leveling legs) make a difference since each leg must support 25% of the weight.

So repair your washing machine fast with compatible and genuine Bosch spares available with next day delivery for all in-stock products. Your Selection. Washers ...

The best way to find parts for Bosch washer model WFMC3200UC/01 is by clicking one of the diagrams below. You can also browse the most common parts for Bosch washer model WFMC3200UC/01. Not sure what part you need? Narrow your search down by symptom and read the amazing step by step instructions and troubleshooting tips for Bosch model ...

Connect high performance and precise fit with unparalleled availability and delivery from Bosch parts warehouses. You can be sure that the right Bosch original spare part will put you back on the job as fast as possible." To order Bosch Genuine Replacement parts online click here or call us at 1-800-346-4103. Order here.

PartSelect Number PS8727387. Manufacturer Part Number 00611475. This is a replacement dishrack roller or wheel for your dishwasher. It is made of gray plastic, measures a little over an inch in diameter, and is sold individually. This roller is designed for the lower dishrack of your dishwasher.

Hover over a part number to view part pricing. Click a part number in the diagram then click to add the part to your order.; Parts Diagram

With over 2000000 parts and thousands of Washer DIY videos and tutorials, we'll help you order and install the Bosch parts you need and save.

Bosch Washing Machine Model WFVC4400UC/26 Parts. Bosch Washing Machine Model WFVC4400UC/26 Parts are easily labeled on this page to help you find the correct component for your repair. Filter results by category, title and symptom. You can also view diagrams and manuals, review common problems that may help answer your questions, watch related videos, read insightful articles or use our repair ...

Spare Parts Search. Our online search tool and appliance spare part diagrams will help you to locate and purchase original spare parts for your Bosch appliances. Simply enter the model number (E-Nr) and you will be shown the corresponding spare part diagram. To find the model number (E-Nr), check the rating plate of your appliance.

Bosch Washer parts that fit, straight from the manufacturer. Use our interactive diagrams, accessories, and expert repair help to fix your Bosch Washer . 877-346-4814. Departments Accessories Appliance Parts Exercise ...

Bosch Washing Machine parts - repair your Bosch Washing Machine with a Washing Machine spare part from Currys Partmaster. Worldwide and Next Day UK ...

This diagram has more than one page. Please click the images below to load the different pages. ... 1619PA8038 1619PA8038 Bosch motor spare parts set. Part number 1619PA8038 is a Motor Spare Parts Set supplied by Bosch. ... Part number 2610912587 is a Flat Plain Washer M10X3mm Thk supplied by Bosch. 1.9900 2610912587 + Add to Cart. 63

Most common Bosch Axxis replacement parts for your washer. Water-level pressure switch. The water-level pressure switch senses, controls and maintains the water level in the outer wash tub. The pressure switch senses the water level through an air tube attached to the bottom of the tub.

Results 1 - 16 of 313 — Get it as soon as Tue, Dec 7. FREE Shipping by Amazon. Only 7 left in stock - order soon. Bosch BOSCH CLOTHES WASHER DOOR GASKET - ...

Quality Bosch Washing Machine Replacement Parts From Repair Clinic. If you're lucky enough to own a Bosch washing machine, you're aware of their superior functionality and sleek design. For Bosch owners looking for genuine Bosch washing machine parts, you've come to the right page.

At Bosch, we continuously aim to improve our website and the information we provide. We would like to invite you to take part in a short one minute survey. If you wish to be contacted by us, please use our regular contact form here , contact Customer Support at (800) 944-2904, or chat online with a Customer Support representative.

Popular Bosch Washer Parts ... Sold individually. ... This door boot is for washers. Door boot forms a seal between the wash tub and the door, preventing leaks.

Spare Parts Diagram Spare Parts Diagram Download; Download (PDF 1.3 MB) Download (PDF 3.3 MB) Download (PDF 4.3 MB) Download (PDF 2.1 MB) Download (PDF 2.5 MB) ... Bosch AquaStar GWH Tankless Models Description; GWH 2700 ES GWH 2400 ES GWH 2400 E GWH 2400 EO GWH 1600 P GWH 1600 PS GWH 1600 H GWH 1000 P Type; Parts Diagram

Repair Parts Home Power Tool Parts Bosch Parts Bosch Demolition Hammer Parts Bosch 11316EVS ... Washer-And-Screw Assembly. $2.99 Part Number: 1613433001. In Stock, 5 available In Stock, 5 available $2.99. In Stock, 5 available Add to Cart $2.99 Add to Cart 131 ...

Register your appliance Search for parts by viewing the diagram(s) and noting the position number next to the Click on the + to view information on the part.A washer-safe nonabrasive cleanser and a soft cloth should be used on stock and Bosch repair parts to prevent accidentally damaging the appliance.

Quidditch Field Diagram; 2001 Honda 400ex Wiring Diagram; 2014 Jayco Greyhawk 31ds Wiring Diagram; Smith And Wesson M&p Parts Diagram; Viper 5x04 Wiring Diagram; 1976 Cushman Titan 36 Volt Battery Wiring Diagram; Wattstopper Lmrc-211 Wiring Diagram; Landa Pressure Washer Wiring Diagram; Bosch Highline Radio Wiring Diagram; 1762 If4 Wiring Diagram

1-24 of 379 results for "Bosch Washer parts" Bosch 648526 Door Latch for Washer , white. 4.3 out of 5 stars 97. $64.95 $ 64. 95. Get it Fri, Nov 26 - Thu, Dec 2. FREE Shipping. More Buying Choices $50.00 (6 used & new offers) Bosch BOSCH CLOTHES WASHER DOOR GASKET - 667489. 4.4 out of 5 stars 74.

There are a couple of ways to find the part or diagram you need: Click a diagram to see the parts shown on that diagram. In the search box below, enter all or part of the part number or the part’s name. Not all parts are shown on the diagrams—those parts are labeled NI, for “not illustrated”.

Description: Brilliant Bosch Washing Machine Diagram Uc 01 Parts For Washer in Bosch Washing Machine Parts Diagram, image size 734 X 603 px, and to view image details please click the image.. Here is a picture gallery about bosch washing machine parts diagram complete with the description of the image, please find the image you need.

We also have Craftsman 28oo psi pressure washer parts and Craftsman 2550 psi pressure washer parts including Craftsman pressure washer pumps. Use the exploded parts drawings on our Sears PartsDirect website to easily find the Craftsman replacement parts you need to …

Related Posts

0 Response to "40 bosch washer parts diagram"

Post a Comment

Iklan Atas Artikel

Iklan Tengah Artikel 1

Iklan Tengah Artikel 2

Iklan Bawah Artikel